GM Service Manual Online
For 1990-2009 cars only

L26 Engine Vibration/Growl Noise at Light Throttle (Replace Front Engine Mount)

Subject:L26 Engine Vibration/Growl Noise at Light Throttle (Replace Front Engine Mount)

Models:2006 Buick Lucerne
with 3.8L V6 Engine (VIN 2 -- RPO L26)



This bulletin is being revised to update the part number under the correction section of this bulletin. Please discard Corporate Bulletin Number 06-06-01-015 (Section 06 -- Engine/Propulsion System).


Condition

Some customers may comment on a vibration and/or growl type of noise during light throttle drive-aways at approximately 1800 rpm.

Cause

This condition may be caused by the front edge of the front engine mount bumper stop grounding out to the inside vertical surface of the restrictor plate. The bumper stop lacks sufficient travel and/or the rubber material to isolate the ground-out.

Correction

Replace the front engine mount with P/N 15910501 following the procedure below.

  1. Raise and suitably support the vehicle. Refer to Lifting and Jacking the Vehicle in SI.

  2. Object Number: 1826029  Size: SH
  3. Remove the front air deflector fasteners (1) (qty: 17).

  4. Object Number: 1685332  Size: SH
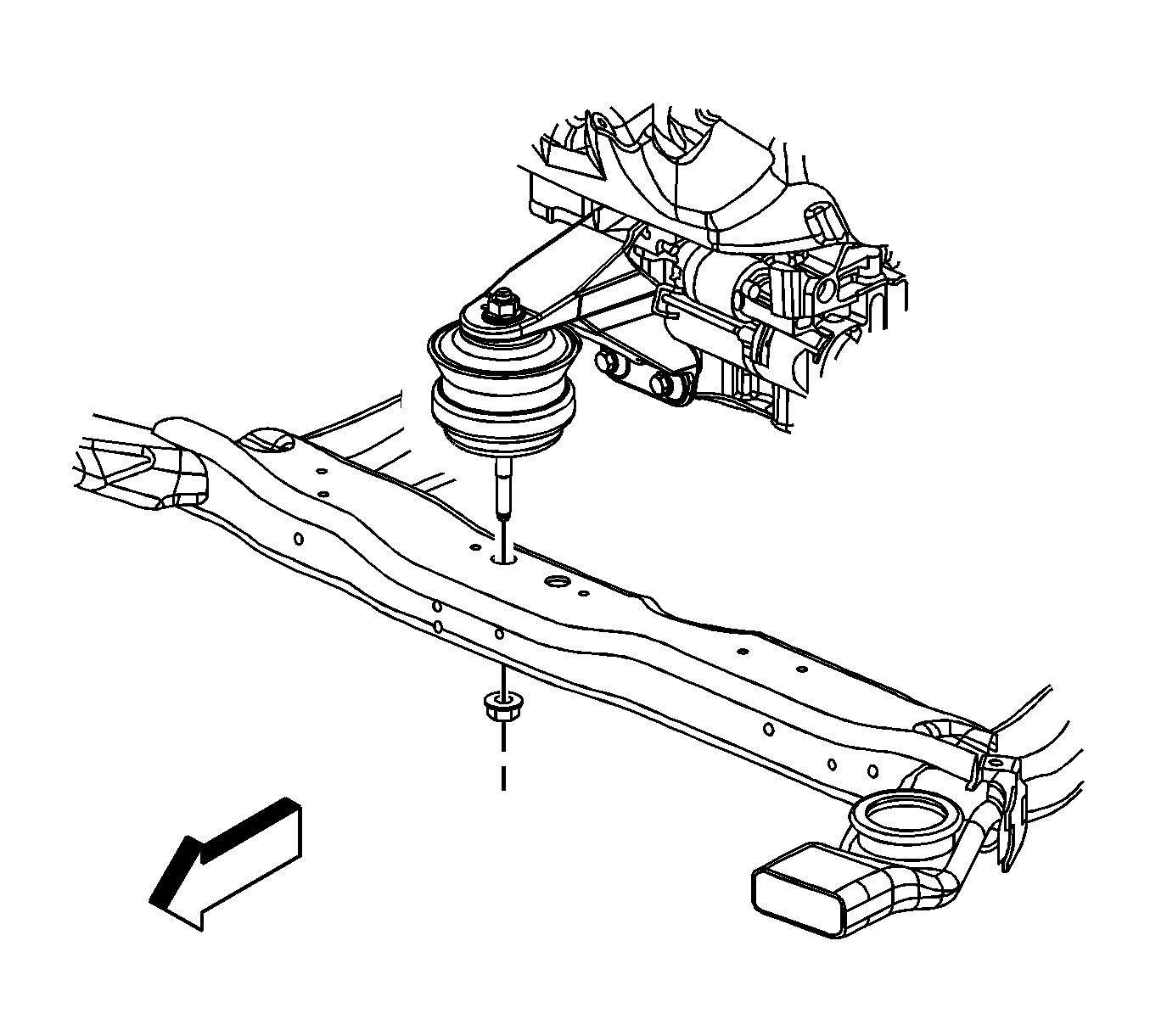
  5. Remove the engine front mount to frame nut.

  6. Object Number: 1685336  Size: SH
  7. Remove the engine mount bracket nut.

  8. Object Number: 1685363  Size: SH
  9. Remove the engine right rear mount to frame nut.
  10. Place a suitable hoist/adjustable jackstand and a block of wood under the oil pan.
  11. Lift the engine until the engine front mount lower stud clears the frame.

  12. Object Number: 1685335  Size: SH
  13. Remove the engine mount bracket bolts (qty: 3).
  14. Remove the bracket and front engine mount.
  15. Replace the front engine mount with P/N 15910501.
  16. Notice: Use the correct fastener in the correct location. Replacement fasteners must be the correct part number for that application. Fasteners requiring replacement or fasteners requiring the use of thread locking compound or sealant are identified in the service procedure. Do not use paints, lubricants, or corrosion inhibitors on fasteners or fastener joint surfaces unless specified. These coatings affect fastener torque and joint clamping force and may damage the fastener. Use the correct tightening sequence and specifications when installing fasteners in order to avoid damage to parts and systems.

  17. Install the new engine mount, bracket and bolts. Refer to the illustration with Step 8.
  18. Tighten
    Tighten the bracket bolts to the engine to 70 N·m(52 lb ft).

  19. Install the engine mount bracket nut and hand-tighten. Refer to the illustration with Step 4.
  20. Lower and align the engine front mount stud back onto the frame and hand-tighten. Refer to illustration with Step 3.
  21. Install the engine right rear mount to frame nut and hand-tighten.. Refer to the illustration with Step 5.
  22. Remove the hoist/adjustable jackstand and block of wood from under the oil pan.
  23. Tighten the engine mount fasteners to the following specifications:
  24. Tightening Sequence

    1. Tighten the right rear engine mount nut to 80 N·m (59 lb ft).
    2. Tighten the left rear engine mount nut to 80 N·m (59 lb ft ).
    3. Tighten the transaxle mount to frame nut (qty: 2) to 50 N·m(37 lb ft ).
    4. Tighten the front engine mount lower nut to 80 N·m (59 lb ft ).
    5. Tighten the front engine mount upper nut to 80 N·m (59 lb ft ).
  25. Lower the vehicle.
  26. Tighten the front engine mount bracket nut .
  27. Tighten
    Tighten the bracket nut to 80 N·m (59 lb ft ).

  28. Install the front air deflector and fasteners (qty 17). Refer to the illustration with Step 1.

Parts Information

Part Number

Description

Qty

15910501

Mount, Front Engine

1

Warranty Information

For vehicles repaired under warranty, use:

Labor Operation

Description

Labor Time

J1506

Mount, Engine - Front Of Engine -- Replace

Use Published Labor Operation Time