GM Service Manual Online
For 1990-2009 cars only

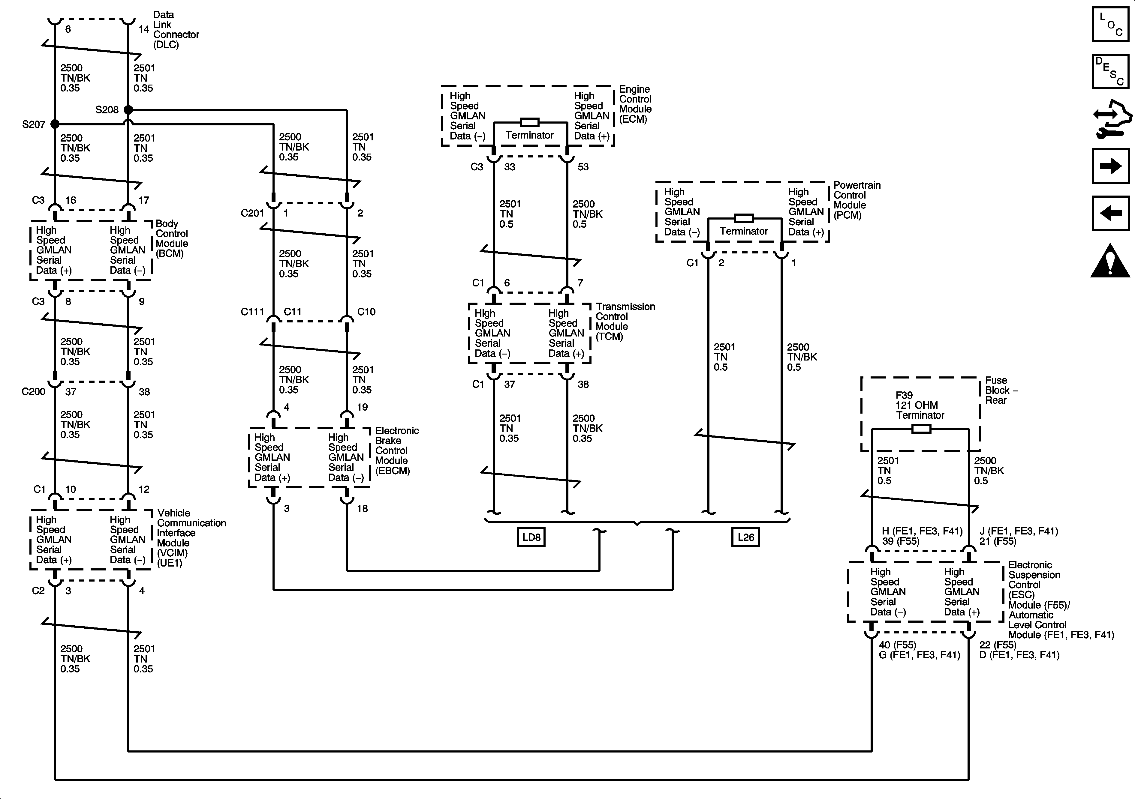
High Speed Serial Data

DLC High Speed Serial Data


Object Number: 1680119  Size: FS
Master Electrical Component List
Data Link Communications Description and Operation
Control Module References
Serial Data Wake Up
Power, Ground, and Low Speed GMLAN
Computer/Integrating Systems Schematic Icons