GM Service Manual Online
For 1990-2009 cars only

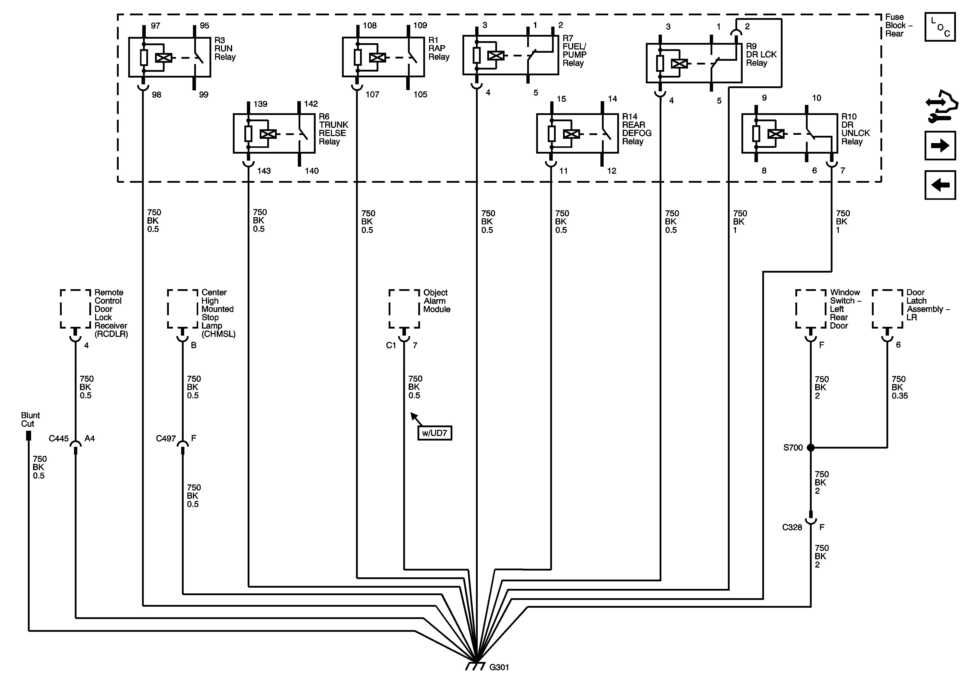
G301

G301


Object Number: 1680154  Size: FS
Master Electrical Component List
Control Module References
G304
G300