GM Service Manual Online
For 1990-2009 cars only

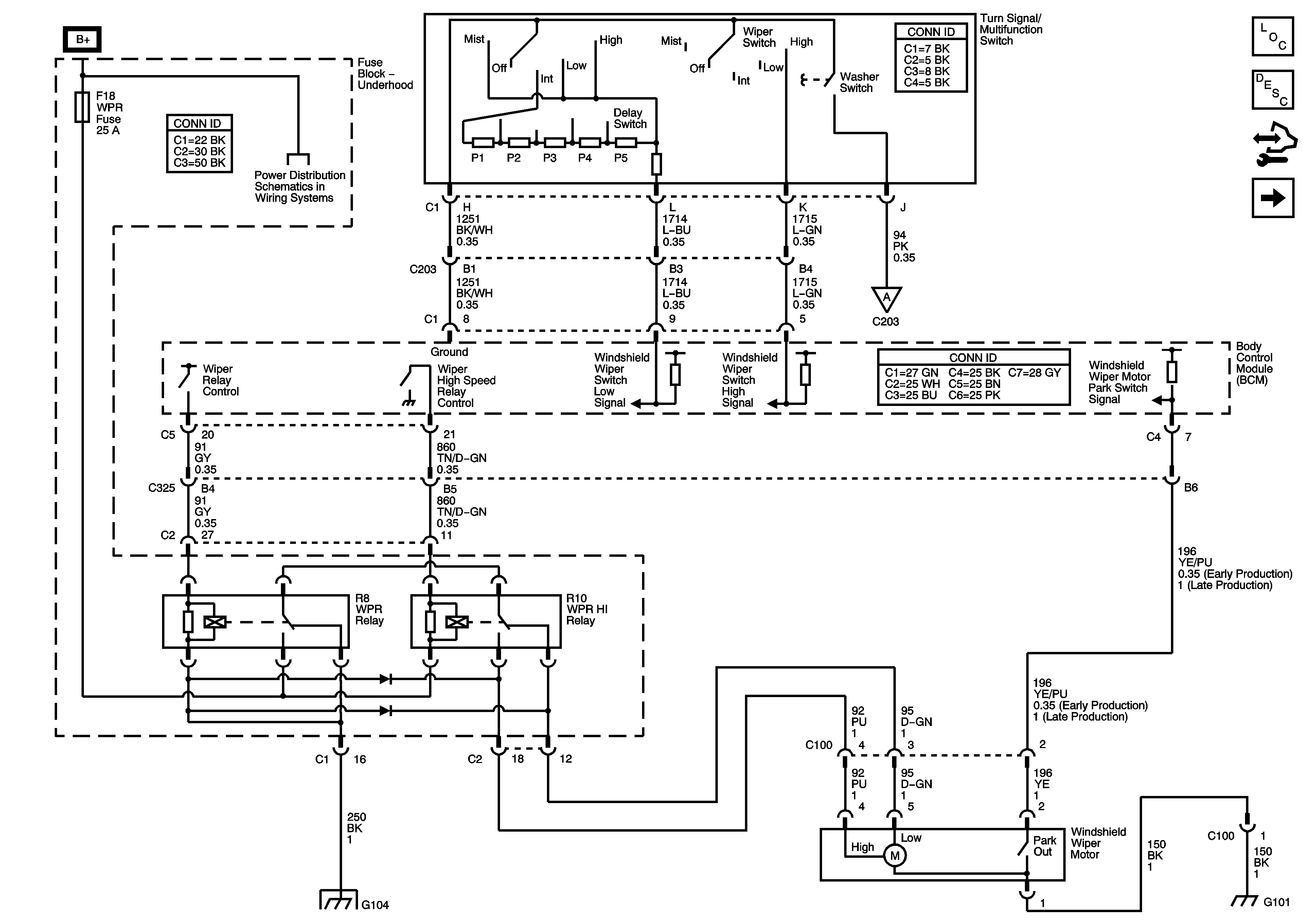
Wiper Motor Power and Ground

Wiper System Power and Ground


Object Number: 1680209  Size: FS
Master Electrical Component List
Wiper/Washer System Description and Operation (Wipers and Washers)
Control Module References
Outside Moisture Sensor and Windshield Washer Solvent Heater
Underhood Fuse Block B+
Outside Moisture Sensor and Windshield Washer Solvent Heater
G104
G101, G110, G111, G114, G115, G302, G303, G306, G307