GM Service Manual Online
For 1990-2009 cars only
Makes
🢒
Buick
🢒
2006
🢒
Lucerne
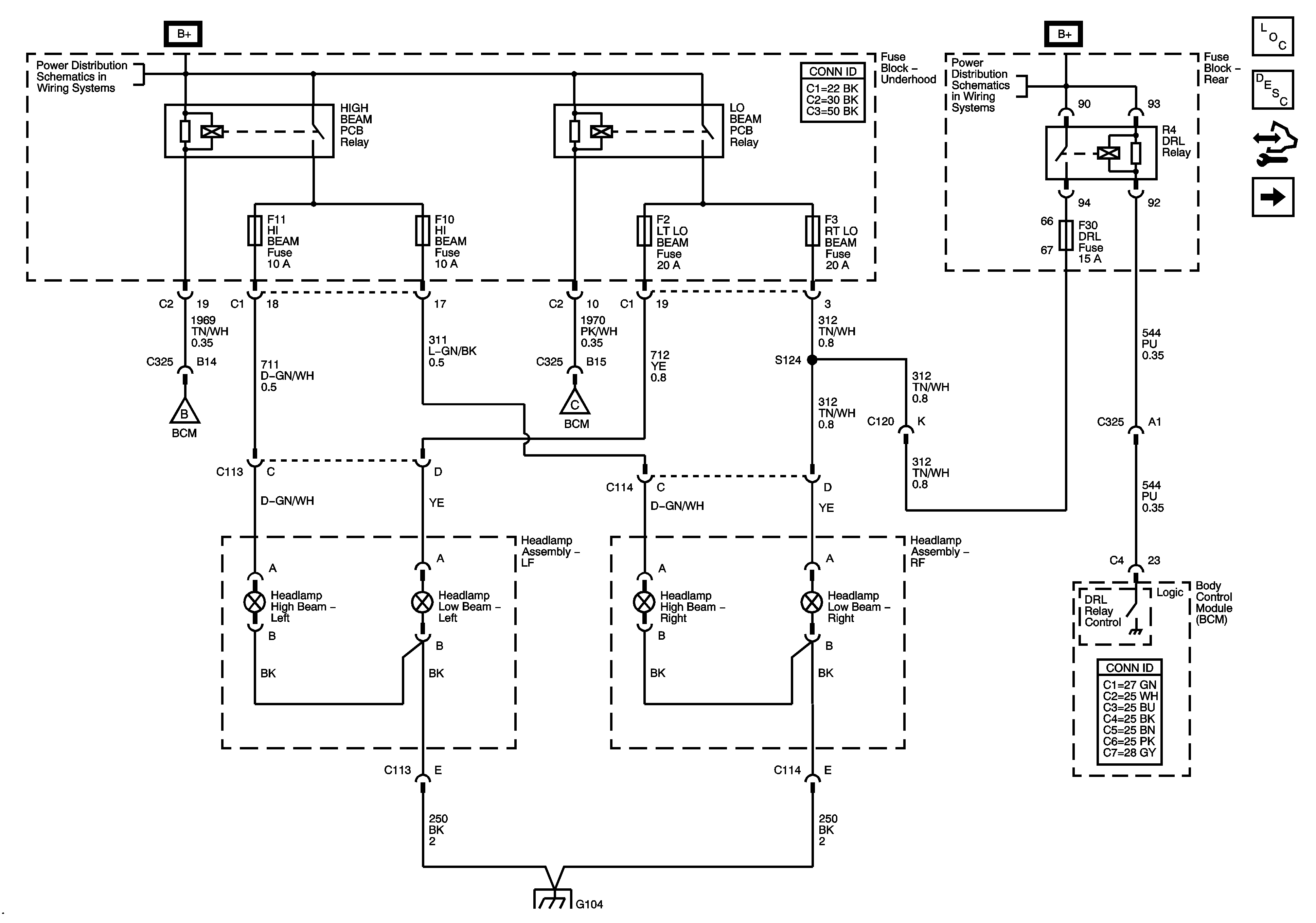
🢒 Headlamps
Headlamps
Headlights/Daytime Running Lights (DRL), Headlamps
Master Electrical Component List
Exterior Lighting Systems Description and Operation
Control Module References
Headlamp Switch
Underhood Fuse Block B+
Rear Fuse Block B+
Headlamp Switch
Headlamp Switch
G104