GM Service Manual Online
For 1990-2009 cars only
Makes
🢒
Buick
🢒
2006
🢒
Lucerne
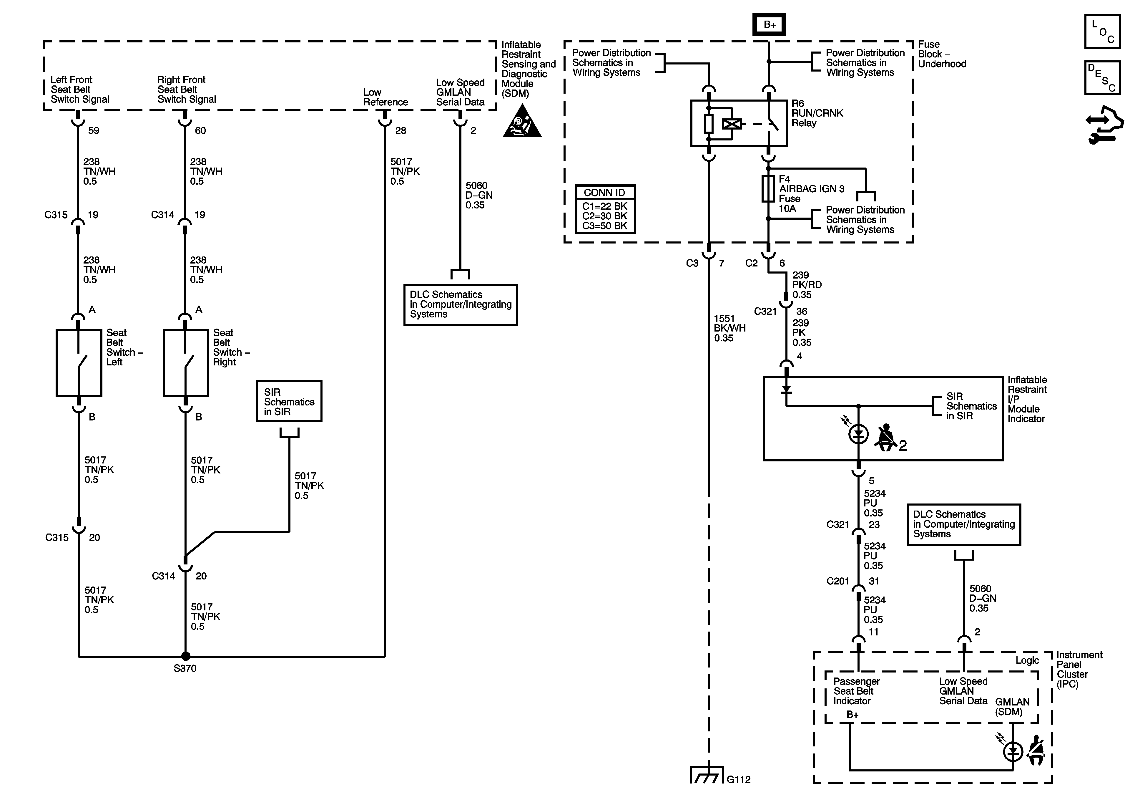
🢒 Seat Belt Schematic
Seat Belt Schematic
Master Electrical Component List
Seat Belt System Description and Operation
Control Module References
SIR Schematic Icons
Power, Ground, and Low Speed GMLAN
Power, Ground, and Low Speed GMLAN
Right Side Impact Sensor and Module, Roof Rail Module, I/P Module, Pretensioner
Passenger Presence System (PPS)
Underhood Fuse Block B+
RUN/CRANK Relay, TRANS IGN 3, AIRBAG IGN 3, HVAC/IPC, ECM IGN 3 Fuses
RUN/CRANK Relay, TRANS IGN 3, AIRBAG IGN 3, HVAC/IPC, ECM IGN 3 Fuses
G112 (L26)