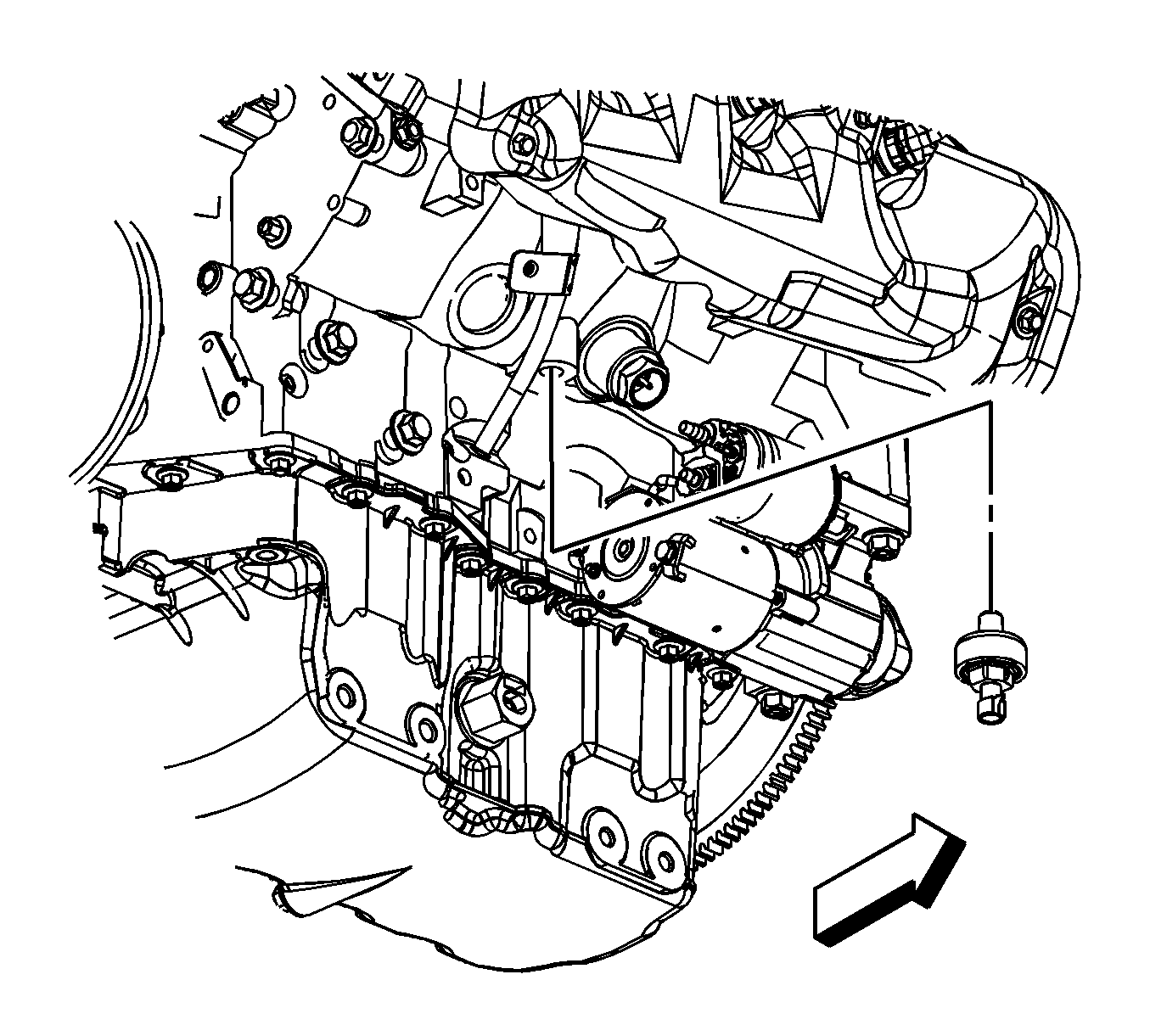
Caution: Hot engine coolant may cause severe burns. Although the cooling system has been drained, coolant still remains in the engine water jacket. This coolant will drain with the removal of the knock sensor.
Notice: Refer to Fastener Notice in the Preface section.
Important: DO NOT apply thread sealant to sensor threads. The sensor is coated at factory and applying additional sealant will affect the sensors ability to detect detonation.
Tighten
Tighten the sensor to 18 N·m (13 lb ft).