GM Service Manual Online
For 1990-2009 cars only

Removal Procedure

Caution: Hot engine coolant may cause severe burns. Although the cooling system has been drained, coolant still remains in the engine water jacket. This coolant will drain with the removal of the knock sensor.


    Object Number: 1694038  Size: SH
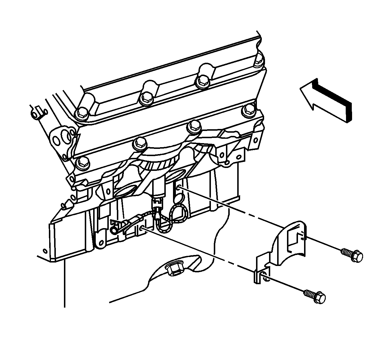
  1. Remove the knock sensor heat shield bolts and shield.

  2. Object Number: 1694057  Size: SH
  3. Drain the cooling system. Refer to Cooling System Draining and Filling .
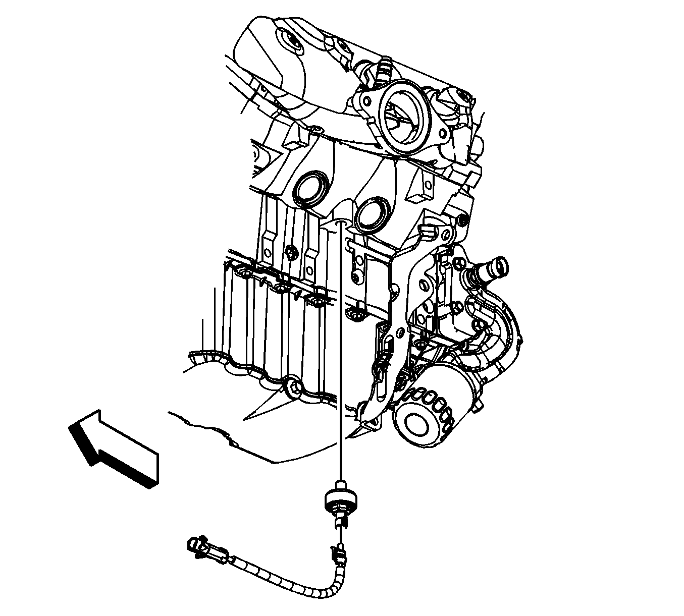
  4. Disconnect the knock sensor wiring harness electrical connector from the knock sensor.

  5. Object Number: 1694036  Size: SH
  6. Remove the knock sensor.

Installation Procedure

    Notice: Refer to Fastener Notice in the Preface section.


    Object Number: 1694036  Size: SH

    Important: DO NOT apply thread sealant to sensor threads. The sensor is coated at factory and applying additional sealant will affect the sensors ability to detect detonation.

  1. Install the knock sensor.
  2. Tighten
    Tighten the sensor to 18 N·m (13 lb ft).


    Object Number: 1694057  Size: SH
  3. Connect the knock sensor wiring harness electrical connector to the knock sensor.

  4. Object Number: 1694038  Size: SH
  5. Install the knock sensor heat shield and bolts.
  6. Tighten
    Tighten the bolts to 60 N·m (44 lb ft).

  7. Fill the cooling system. Refer to Cooling System Draining and Filling .