GM Service Manual Online
For 1990-2009 cars only

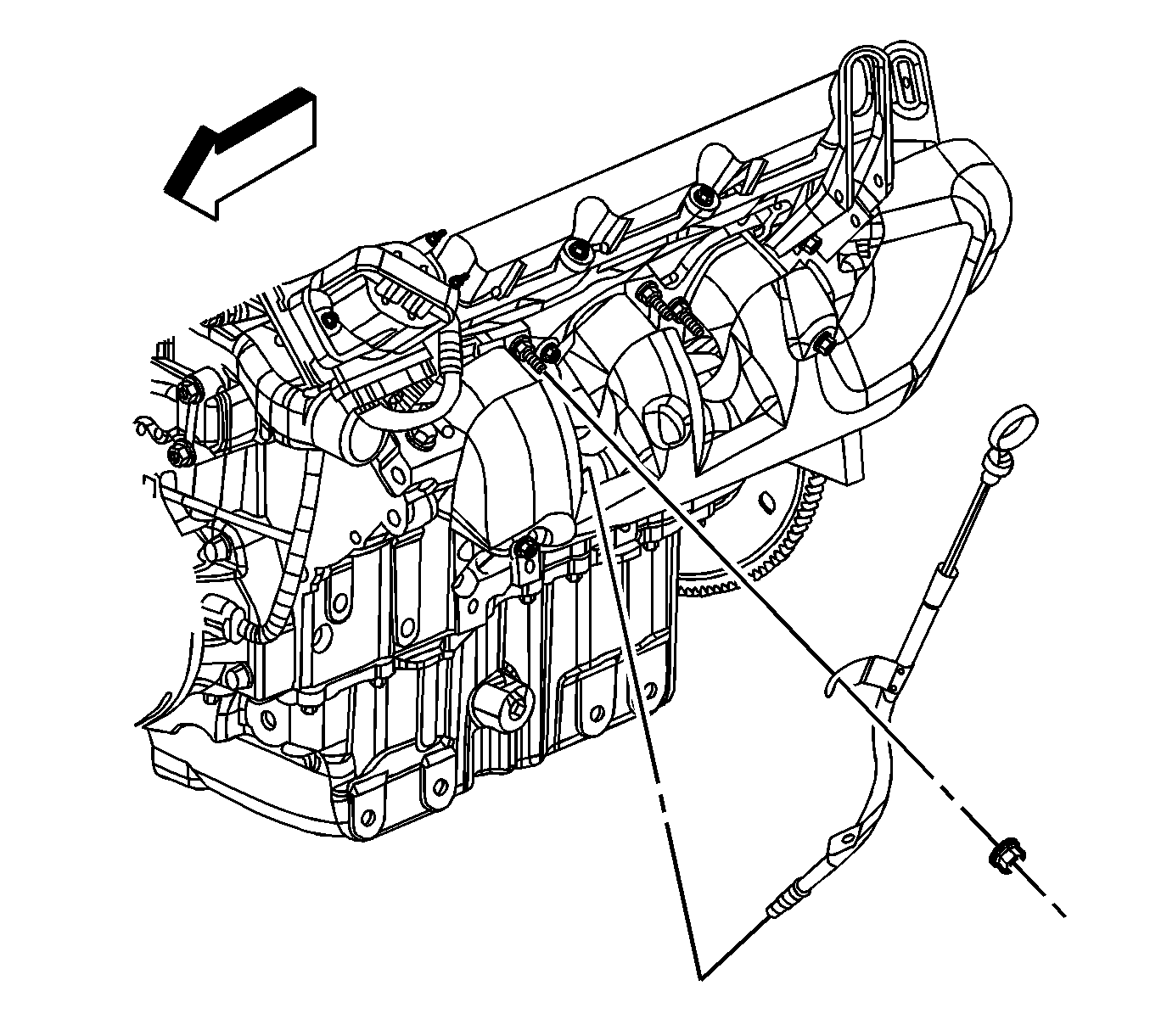
Removal Procedure


    Object Number: 1685543  Size: SH
  1. Remove the intake manifold cover. Refer to Intake Manifold Cover Replacement .
  2. Remove the oil level indicator.
  3. Loosen the oil level indicator tube nut.
  4. Pull upward and remove the oil level indicator tube.

Installation Procedure


    Object Number: 1685543  Size: SH
  1. Ensure that the lower O-ring seal is in place and lubricate the seal with clean engine oil.
  2. Position the indicator tube bracket behind the tube nut and insert the indicator tube into the engine block hole.
  3. Push down on the indicator tube ensuring that the tube is fully seated.
  4. Notice: Refer to Fastener Notice in the Preface section.

  5. Tighten the oil level indicator tube nut.
  6. Tighten
    Tighten the nut to 19 N·m (14 lb ft).