GM Service Manual Online
For 1990-2009 cars only

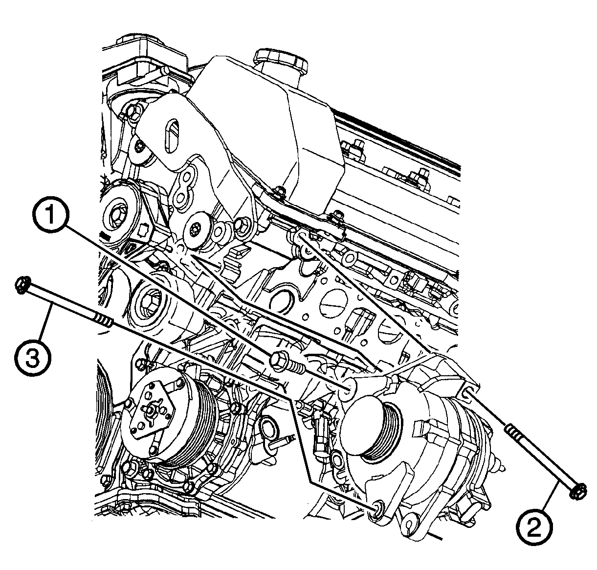
    Object Number: 1207127  Size: SH
  1. Place the generator in position.
  2. Install the generator side bolt finger tight.
  3. Install the generator front bolts finger tight.
  4. Notice: Refer to Fastener Notice in the Preface section.

  5. Tighten the generator bolts in the sequence shown.
  6. Tighten

    1. Tighten the generator front upper bolt to 50 N·m (37 lb ft).
    2. Tighten the generator side bolt to 50 N·m (37 lb ft).
    3. Tighten the generator front lower bolt to 50 N·m (37 lb ft).