GM Service Manual Online
For 1990-2009 cars only
Makes
🢒
Buick
🢒
2007
🢒
Lucerne
🢒
Body Systems
🢒
Lighting
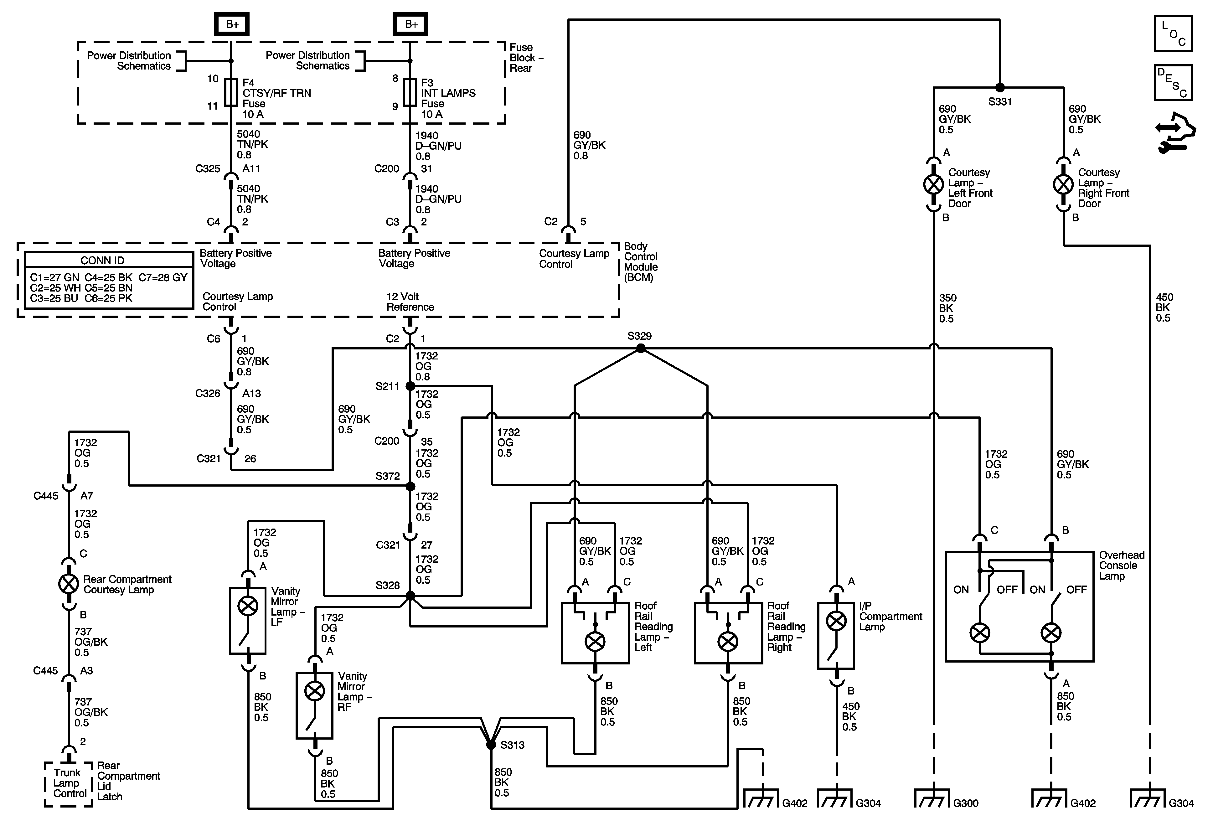
🢒 Interior Lights Schematics
Master Electrical Component List
Interior Lighting Systems Description and Operation
Control Module References
Rear Fuse Block B+
Rear Fuse Block B+
G402
G304
G300
G402
G304