GM Service Manual Online
For 1990-2009 cars only

Object Number: 1657187  Size: SF

Callout

Component Name

Fastener Tightening Specifications: Refer to Fastener Tightening Specifications .

Preliminary Procedures

  1. Remove the right front wheelhouse panel liner. Refer to Front Wheelhouse Liner Replacement .
  2. Drain the washer solvent into a suitable clean container.
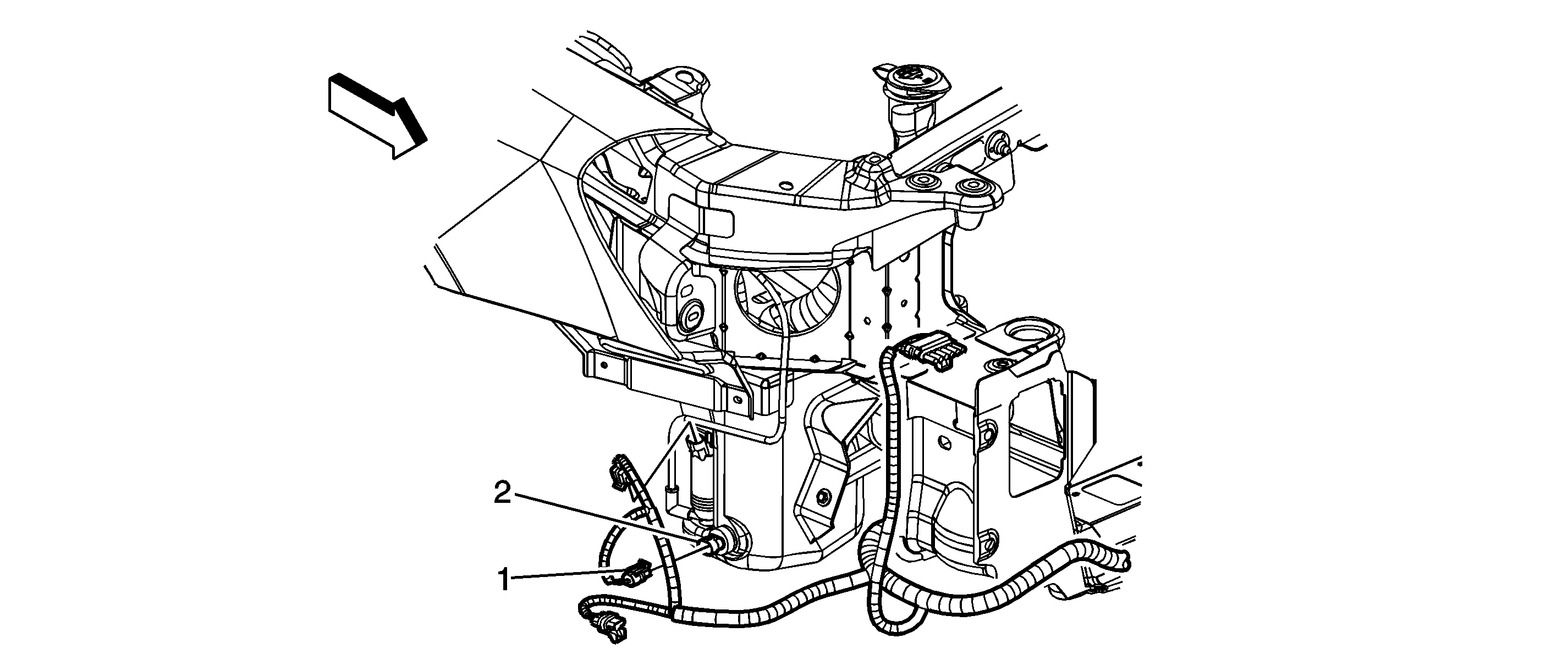
  3. Disconnect the electrical connector at the windshield washer level sensor switch.

1

Level Sensor Switch Electrical Connector

2

Windshield Washer Level Sensor Switch

Tip

  1. Use two flat-bladed tools and pry outward in order to release the level sensor from the washer solvent container grommet.
  2. Discard the old level sensor switch grommet.
  3. Install a new grommet into the washer solvent container prior to installing the new level sensor switch.
  4. Lubricate the new grommet with straight concentrate washer fluid.