GM Service Manual Online
For 1990-2009 cars only
Figure 1:

Driver Outside Rearview Mirror


Object Number: 1792832  Size: FS
Master Electrical Component List
Outside Mirror Description and Operation
Control Module References
Passenger Outside Rearview Mirror
Figure 2:

Passenger Outside Rearview Mirror


Object Number: 1792837  Size: FS
Master Electrical Component List
Outside Mirror Description and Operation
Control Module References
Heated Mirrors w/ DR2
Driver Outside Rearview Mirror
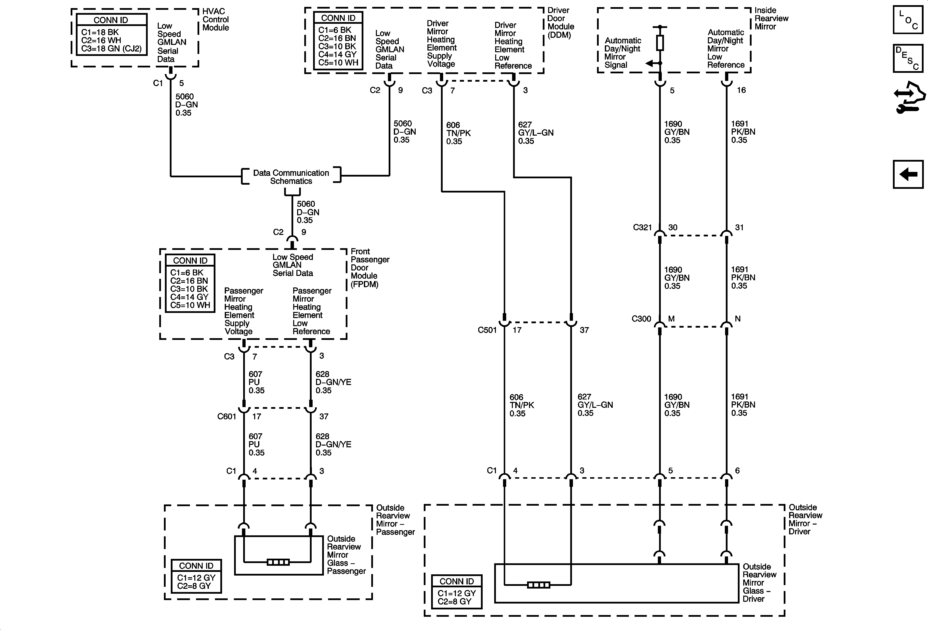
Figure 3:

Heated Mirrors w/DR2


Object Number: 1792839  Size: FS
Master Electrical Component List
Outside Mirror Description and Operation
Control Module References
Passenger Outside Rearview Mirror
Power, Ground, and Low Speed GMLAN