GM Service Manual Online
For 1990-2009 cars only

Removal Procedure

  1. Raise and support the vehicle. Refer to Lifting and Jacking the Vehicle .
  2. Remove the rear tires and the wheels. Refer to Tire and Wheel Removal and Installation .
  3. Remove the exhaust system. Refer to Exhaust System Replacement .
  4. Remove the coil springs. Refer to Coil Spring Replacement .

  5. Object Number: 293367  Size: SH
  6. Disconnect the electrical connector from each wheel speed sensor and remove the wire from the rear support.

  7. Object Number: 1691900  Size: SH
  8. Remove the electronic level control link (2) from the ball stud (1) on the lower control arm.
  9. Disconnect the park brake cables from both calipers and remove cables from suspension support assembly. Refer to Parking Brake Rear Cable Replacement - Left Side and Parking Brake Rear Cable Replacement - Right Side .
  10. Remove the brake calipers and support calipers from vehicle underbody. Refer to Rear Brake Caliper Replacement .
  11. Support the rear suspension support assembly with a transmission jack.

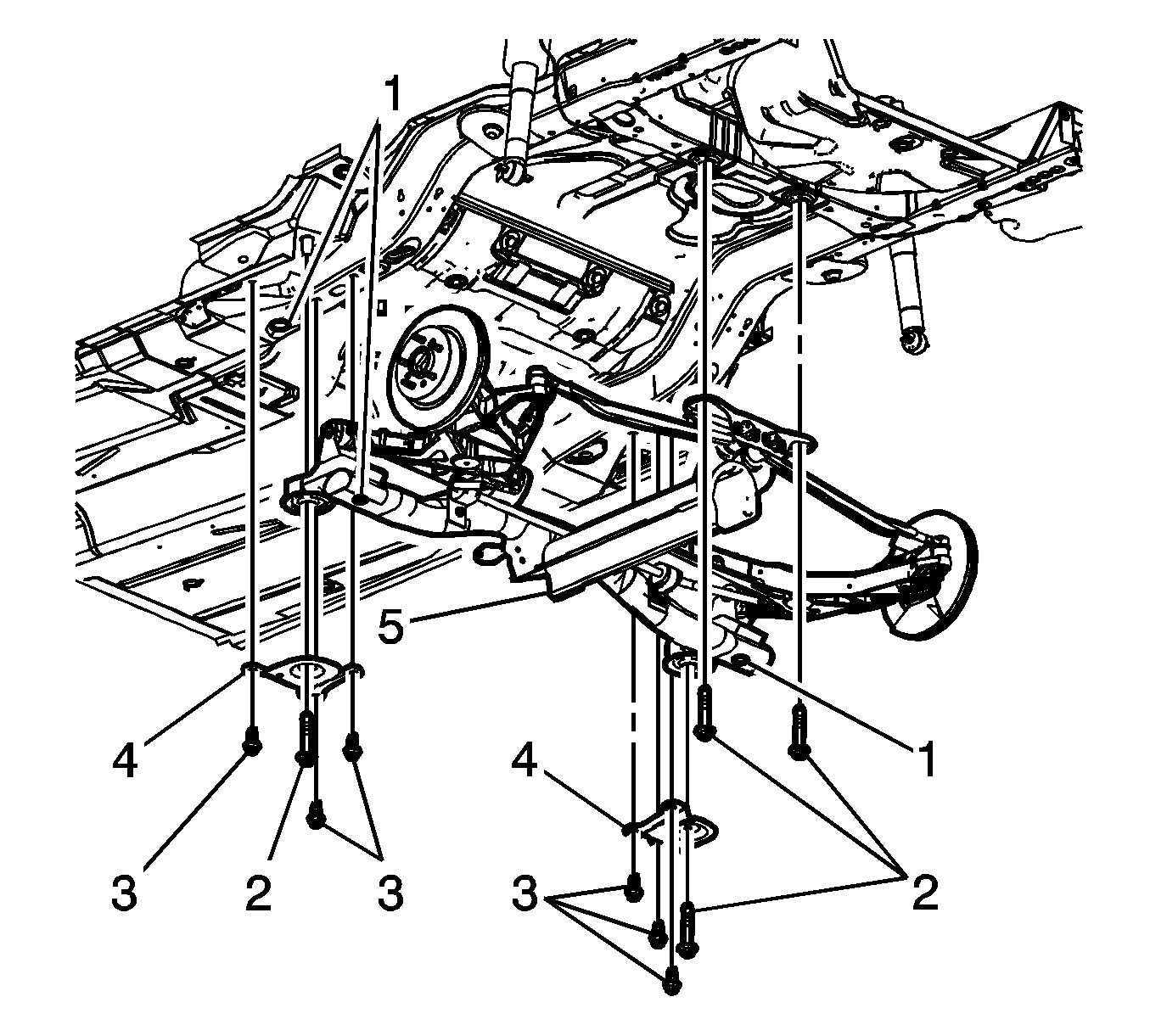
  12. Object Number: 1690811  Size: SH
  13. Remove the 6 suspension support reinforcement brace bolts (3).
  14. Remove the 4 suspension support assembly bolts (2).
  15. Remove the 2 suspension support reinforcement braces (4).
  16. Lower the transmission jack and remove the suspension support assembly (5).
  17. Transfer all necessary parts from the old support to the new support.

Installation Procedure


    Object Number: 1690811  Size: SH
  1. Raise the suspension support assembly (5) into position with the transmission jack.
  2. Install the 2 suspension support reinforcement braces (4).
  3. loosely install the 6 suspension support reinforcement brace bolts (3).
  4. Align the suspension support assembly utilizing the alignment gage holes (1).
  5. Notice: Refer to Fastener Notice in the Preface section.

  6. Install the 4 suspension support assembly bolts (2).
  7. Tighten
    Tighten the bolts to 191 N·m (141 lb ft).

  8. finish securing the 6 suspension support reinforcement brace bolts (3).
  9. Tighten
    Tighten the bolts to 86 N·m (63 lb ft).


    Object Number: 1691900  Size: SH
  10. Install the brake calipers. Refer to Rear Brake Caliper Replacement .
  11. Install the park brake cables to the suspension support assembly and connect the cables to both calipers. Refer to Parking Brake Rear Cable Replacement - Left Side and Parking Brake Rear Cable Replacement - Right Side .
  12. Install the electronic level control link (2) to the ball stud (1) on the lower control arm.

  13. Object Number: 293367  Size: SH
  14. Attach the wheel speed sensor wire to the rear support and connect the electrical connector to each wheel speed sensor.
  15. Install the coil springs. Refer to Coil Spring Replacement .
  16. Install the exhaust system. Refer to Exhaust System Replacement .
  17. Install the tires and the wheels. Refer to Tire and Wheel Removal and Installation .