GM Service Manual Online
For 1990-2009 cars only
Makes
🢒
Buick
🢒
2007
🢒
Lucerne
🢒
Seats
🢒
Power Seats
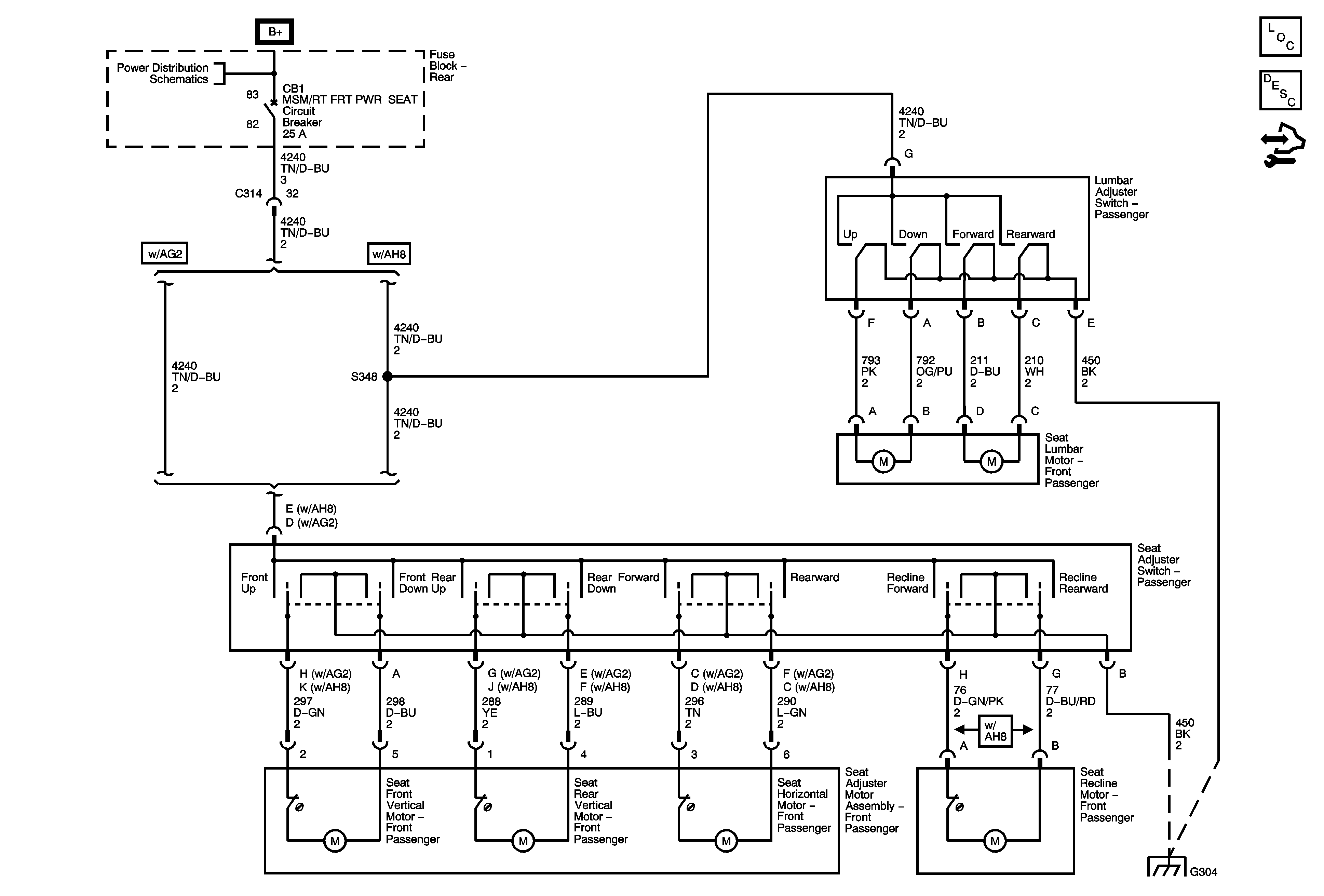
🢒 Passenger Seat Schematics
Front Passenger Seat
Master Electrical Component List
Power Seats System Description and Operation
Control Module References
Rear Fuse Block B+
G304