GM Service Manual Online
For 1990-2009 cars only
Figure 1:

Behind the Front Grille


Object Number: 1707790  Size: LF
(1)Ambient Air Temperature Sensor
Figure 2:

Front Engine Compartment


Object Number: 1707774  Size: LF
(1)A/C Compressor
(2)A/C Condensor
(3)A/C Compressor
(4)A/C Refrigerant Pressure Sensor
(5)A/C Compressor Clutch Connector
Figure 3:

Instrument Panel


Object Number: 1707711  Size: LF
(1)Sunload Twilight Sensor
(2)HVAC Control Module
(3)Air Temperature Sensor-Inside
Figure 4:

HVAC Module Components (C67)


Object Number: 1707697  Size: LF
(1)Blower Motor
(2)Blower Motor Control Module
(3)Recirculation Actuator
(4)EVAP Temperature Sensor
(5)Air Temperature Actuator
(6)Mode Actuator
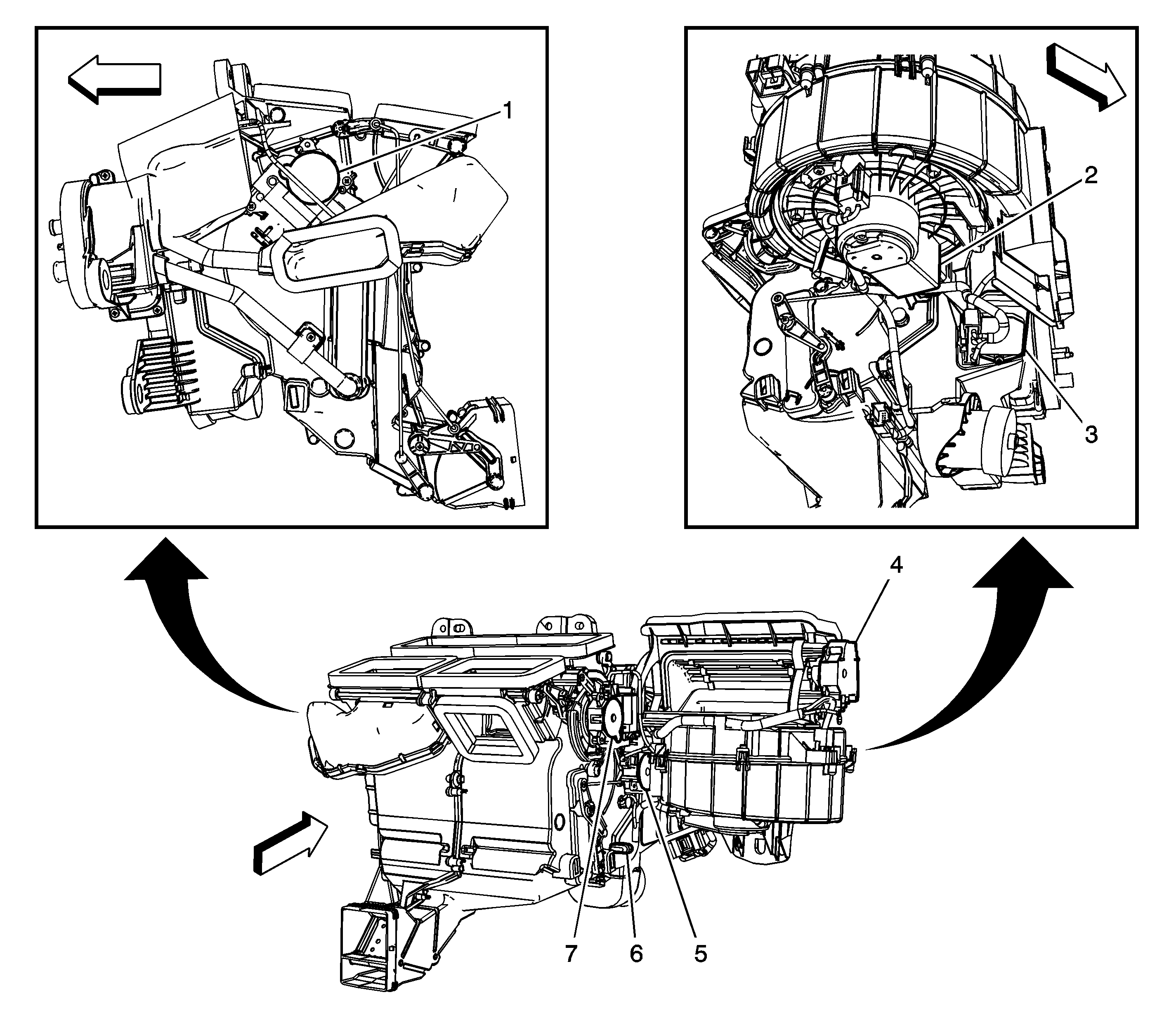
Figure 5:

HVAC Module Components (CJ2)


Object Number: 1707675  Size: LF
(1)Air Temperature Actuator - Driver (CJ4/CJ2)
(2)Blower Motor
(3)Blower Motor Control Module
(4)Recirculation Actuator
(5)Air Temperature Actuator - Front Passenger (CJ4/CJ2)
(6)EVAP Temperature Sensor
(7)Mode Actuator