GM Service Manual Online
For 1990-2009 cars only

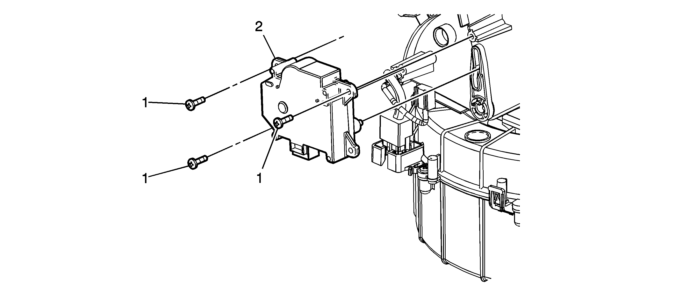
Object Number: 1659222  Size: SF

Callout

Component Name

Notice: Refer to Fastener Notice in the Preface section.

Fastener Tightening Specifications: Refer to Fastener Tightening Specifications .

Preliminary Procedure

  1. Remove the HVAC module. Refer to HVAC Module Assembly Replacement .
  2. Disconnect the recirculation actuator electrical connector.

1

Recirculation Actuator Screw (Qty: 3)

Tighten
1.0 N·m (9 lb in)

2

Recirculation Actuator