GM Service Manual Online
For 1990-2009 cars only

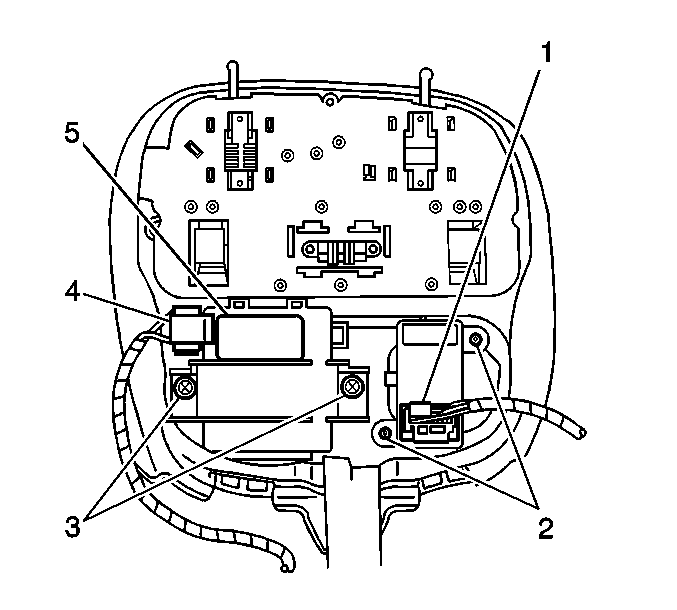
Removal Procedure


    Object Number: 490402  Size: SH
  1. Remove the overhead console. Refer to Roof Console Replacement.
  2. Remove the two garage door opener (GDO) fasteners (3).
  3. Disconnect the electrical connector (4).
  4. Remove the GDO (5).

Installation Procedure


    Object Number: 490402  Size: SH
  1. Connect the garage door opener (GDO) electrical connector (4).
  2. Place the GDO (5) into the overhead console. Ensure the GDO buttons are placed correctly in their designated openings.
  3. Notice: Use the correct fastener in the correct location. Replacement fasteners must be the correct part number for that application. Fasteners requiring replacement or fasteners requiring the use of thread locking compound or sealant are identified in the service procedure. Do not use paints, lubricants, or corrosion inhibitors on fasteners or fastener joint surfaces unless specified. These coatings affect fastener torque and joint clamping force and may damage the fastener. Use the correct tightening sequence and specifications when installing fasteners in order to avoid damage to parts and systems.

  4. Install the fasteners (3).
  5. Tighten
    Tighten the fasteners (3) to 2 N·m (18 lb in).

  6. Install the overhead console. Refer to Roof Console Replacement.
  7. Program the GDO. Refer to Control Module References for programming and setup information.