GM Service Manual Online
For 1990-2009 cars only
Makes
🢒
Buick
🢒
2007
🢒
Lucerne
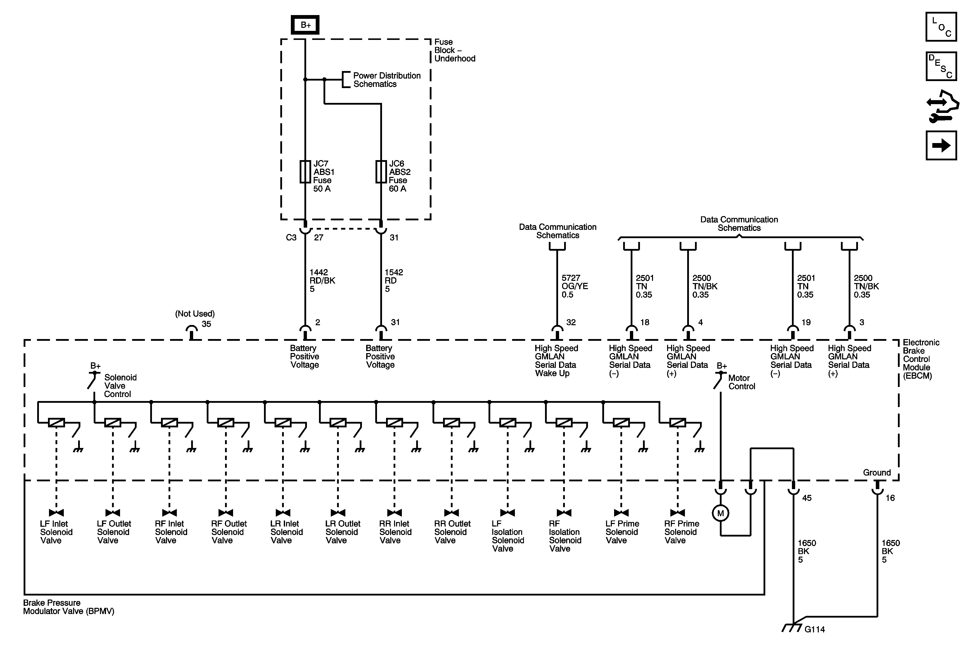
🢒 ABS Power and Ground
ABS Power and Ground
Power and Ground
Master Electrical Component List
ABS Description and Operation
Control Module References
Wheel Speed Sensors
Underhood Fuse Block B+
Serial Data Wake Up
High Speed Serial Data
G101, G110, G111, G114, G115, G302, G303, G306, G307