GM Service Manual Online
For 1990-2009 cars only
Makes
🢒
Buick
🢒
2007
🢒
Lucerne
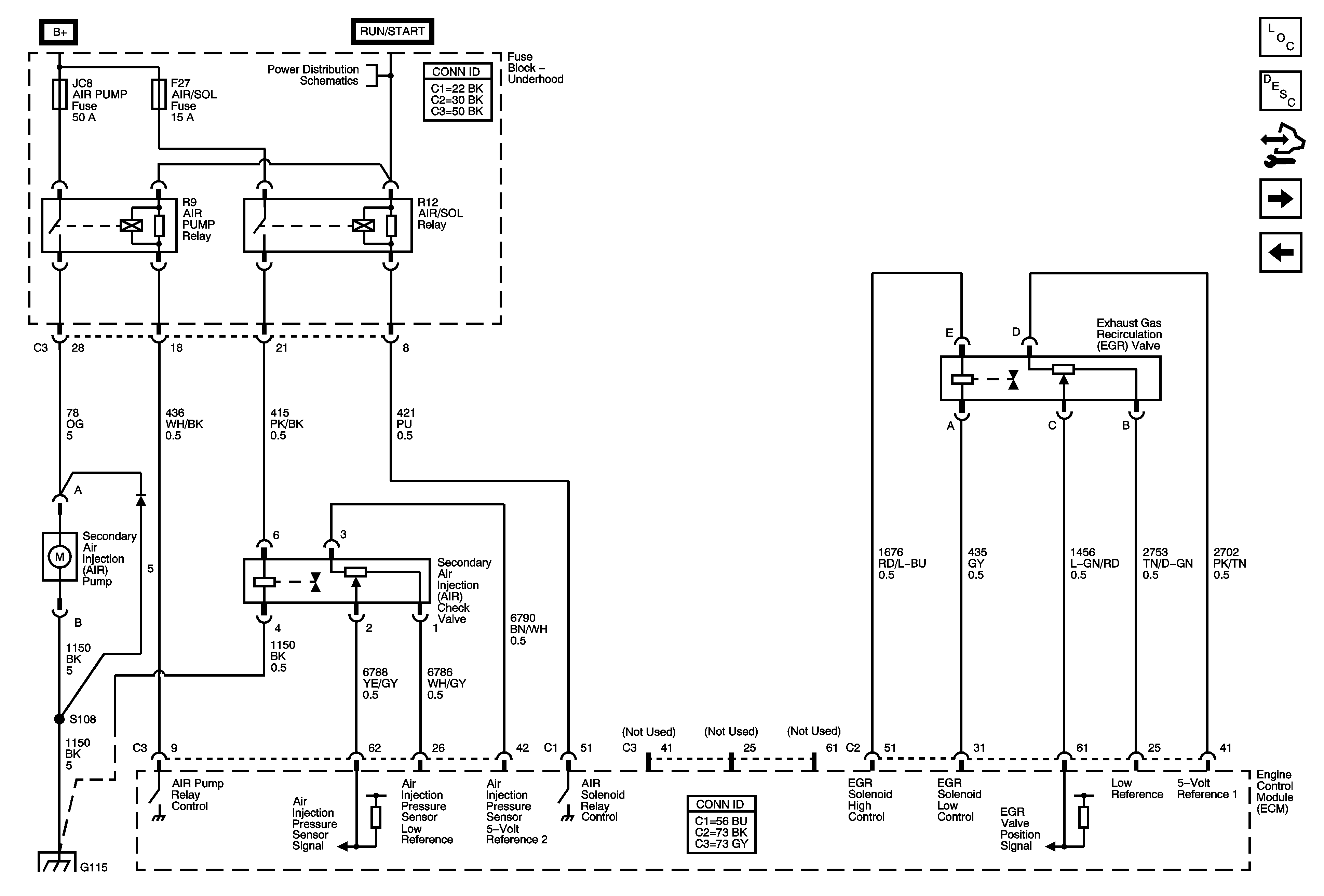
🢒 EGR, Secondary Air Injection (AIR)
EGR, Secondary Air Injection (AIR)
EGR, Secondary Air Injection (AIR)
Master Electrical Component List
Secondary Air Injection System Description
Control Module References
Controlled and Monitored Subsystem References
EVAP Controls
Underhood Fuse Block B+
G101, G110, G111, G114, G115, G302, G303, G306, G307