GM Service Manual Online
For 1990-2009 cars only
Makes
🢒
Buick
🢒
2007
🢒
Lucerne
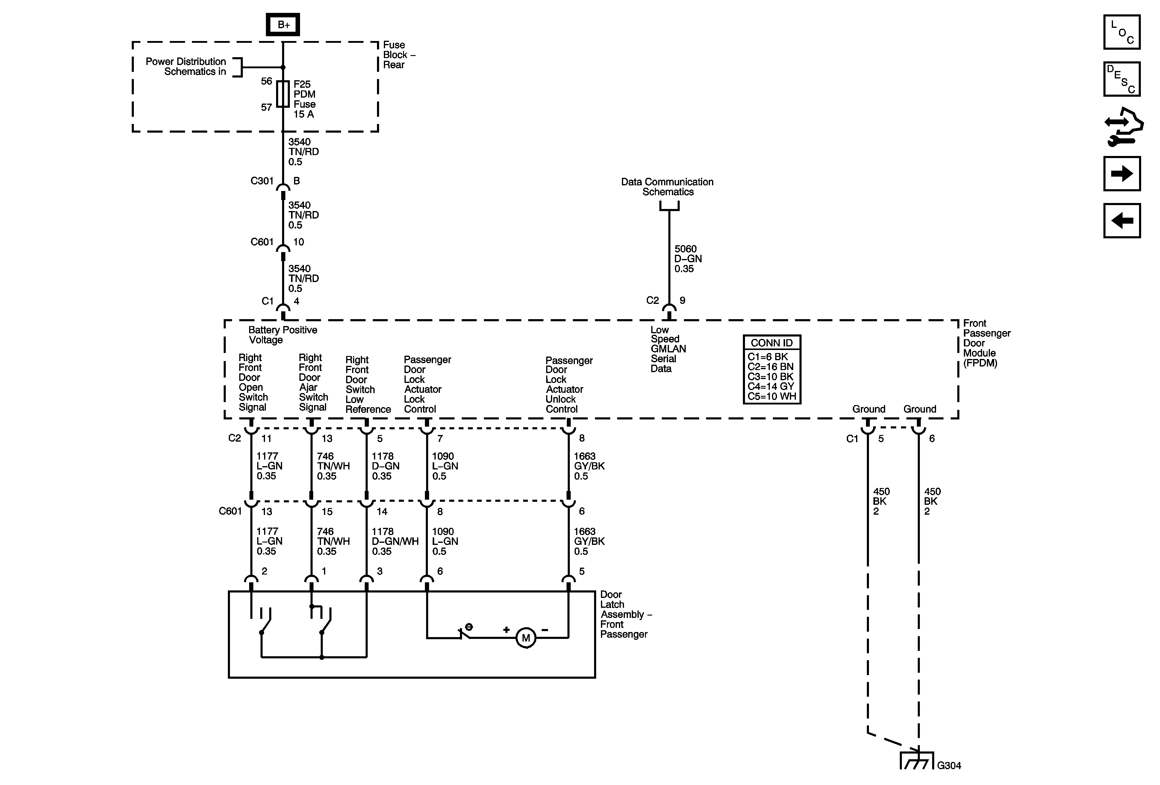
🢒 Front Passenger Door Module Power and Ground
Front Passenger Door Module Power and Ground
Front Passenger Door Module Power and Ground
Master Electrical Component List
Power Door Locks Description and Operation
Control Module References
Door Lock, Unlock Relays
Driver Door Module Power and Ground
HTD/COOL, DDM, PDM, RDO, AMP Fuses
Power, Ground, and Low Speed GMLAN
G304