GM Service Manual Online
For 1990-2009 cars only
Makes
🢒
Buick
🢒
2007
🢒
Lucerne
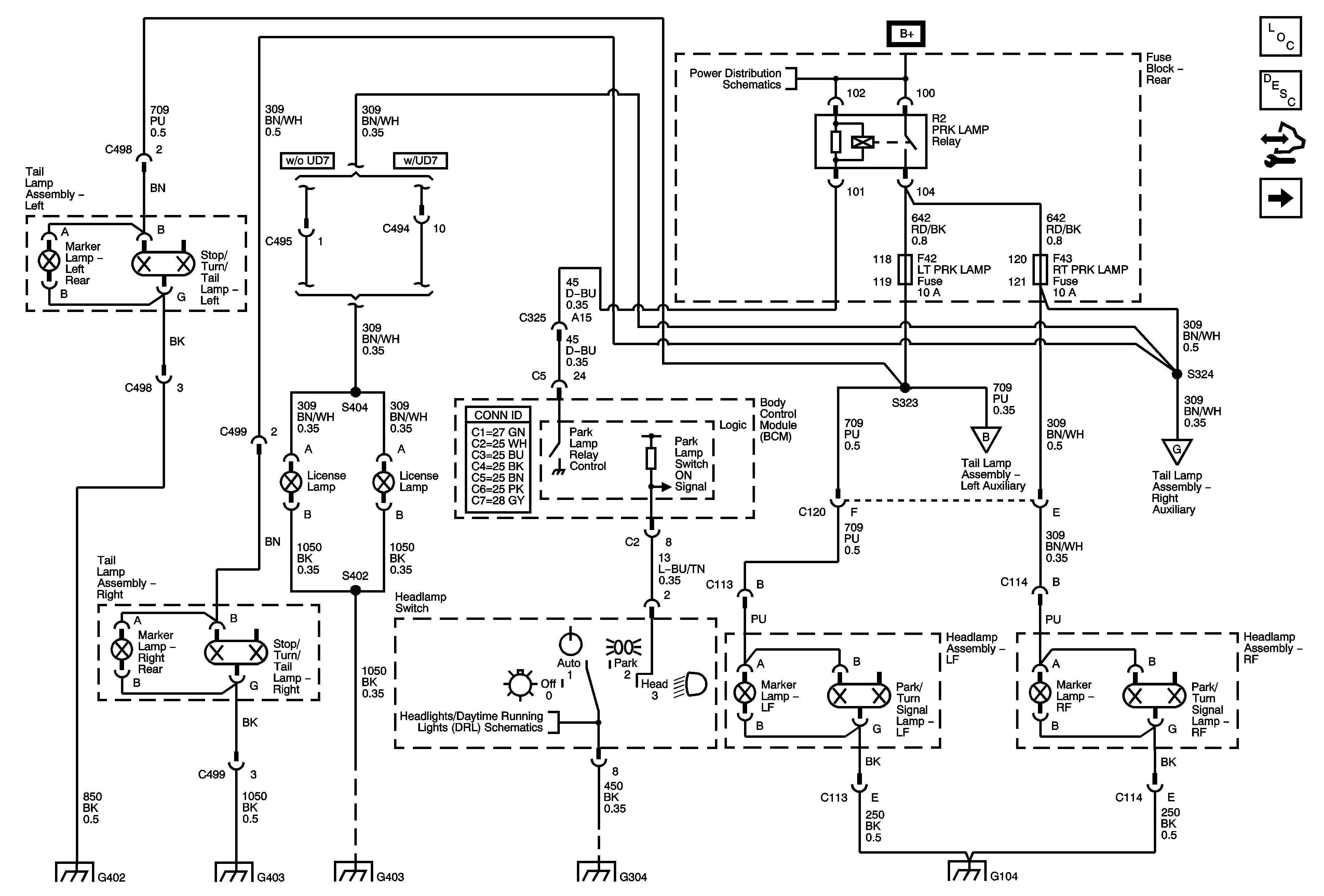
🢒 Front and Rear Park/Tail Lamps, License Lamps, Marker Lamps
Front and Rear Park/Tail Lamps, License Lamps, Marker Lamps
Front and Rear Park/Tail Lamps, License Lamps, Marker Lamps
Master Electrical Component List
Exterior Lighting Systems Description and Operation
Control Module References
Front Turn Signal/Hazard Lamps
Rear Fuse Block B+
Center High Mounted Stop Lamp, Auxiliary Tail Lamps
Center High Mounted Stop Lamp, Auxiliary Tail Lamps
Headlamp Switch
G402
G403
G403
G304
G104