GM Service Manual Online
For 1990-2009 cars only
Makes
🢒
Buick
🢒
2007
🢒
Lucerne
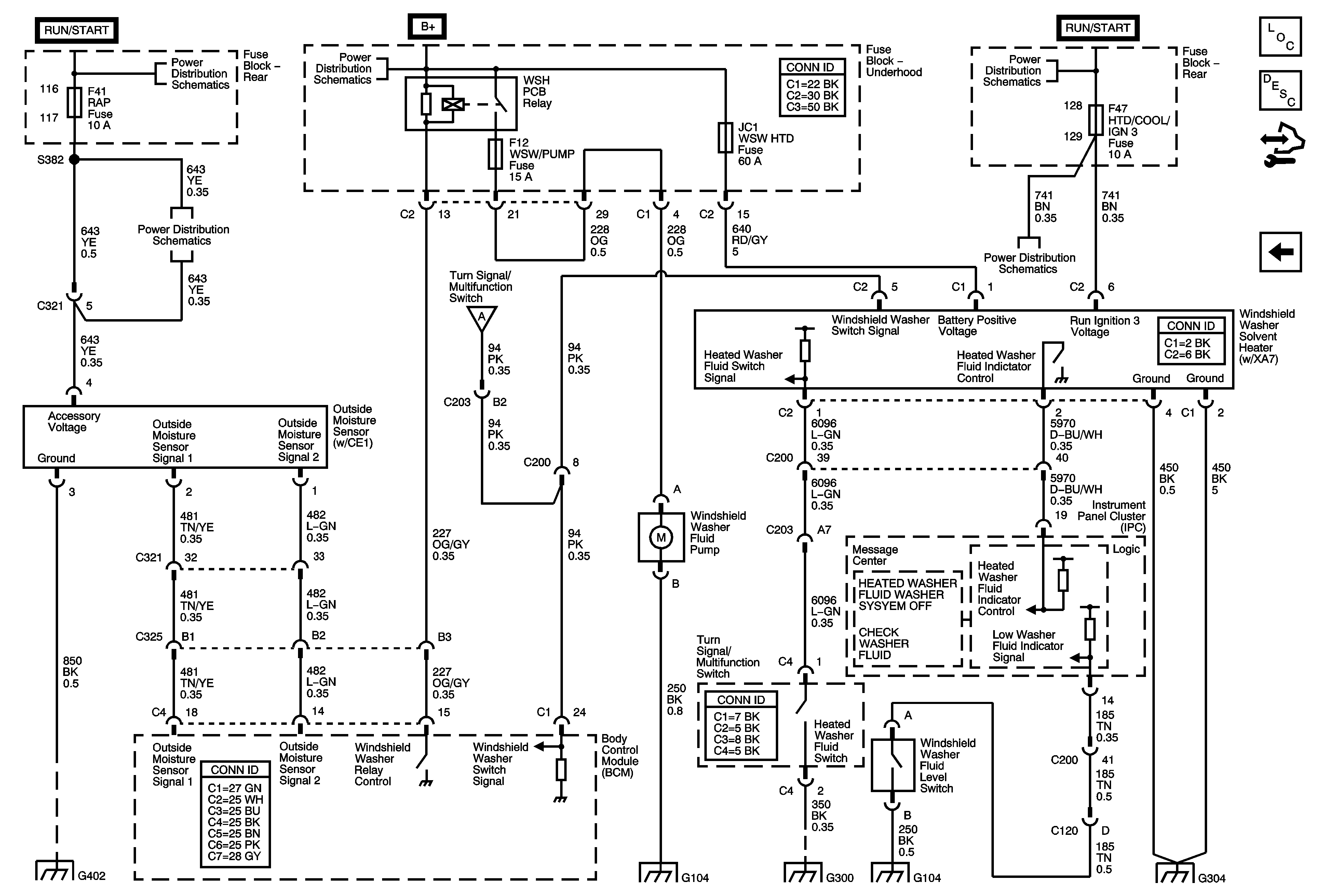
🢒 Outside Moisture Sensor and Windshield Washer Solvent Heater
Outside Moisture Sensor and Windshield Washer Solvent Heater
Outside Moisture Sensor and Windshield Washer Solvent Heater
Master Electrical Component List
Wiper/Washer System Description and Operation (Wipers and Washers)
Control Module References
Wiper Motor Power and Ground
Rear Fuse Block B+
Underhood Fuse Block B+
Rear Fuse Block B+
RAP Relay, CTSY/RF TRN, S/ROOF, SHFTR SOL, RAP Fuses
Wiper Motor Power and Ground
RUN Relay, HTD STR, HTD/COOL/IGN3, BCM LOGIC Fuses
G402
G104
G300
G104
G304