GM Service Manual Online
For 1990-2009 cars only
Makes
🢒
Buick
🢒
2007
🢒
Lucerne
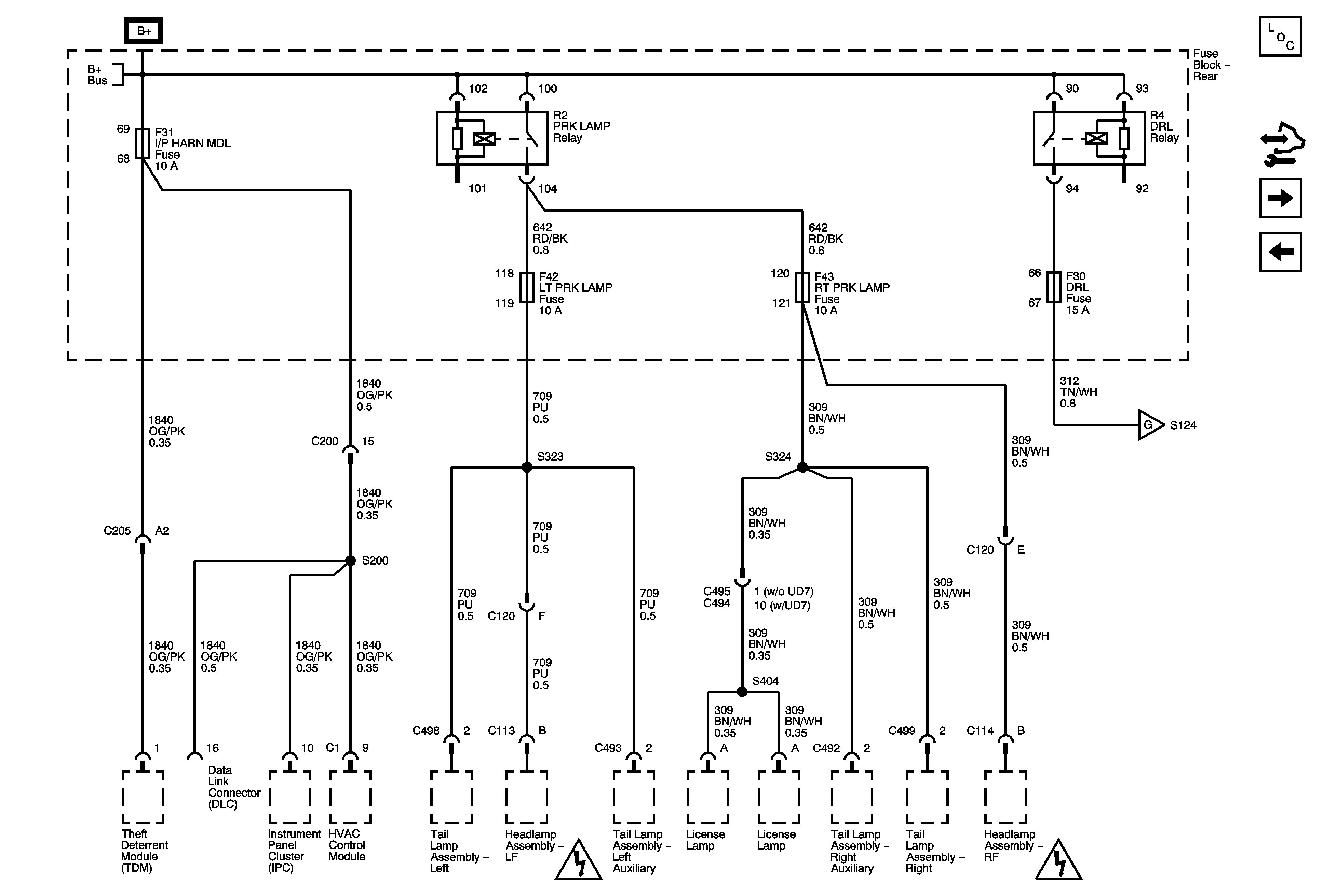
🢒 PRK LAMP, DRL Relays, IP HARN MDL, LT PRK LAMP, RT PRK LAMP, DRL Fuses
PRK LAMP, DRL Relays, IP HARN MDL, LT PRK LAMP, RT PRK LAMP, DRL Fuses
Rear Fuse Block - PRK LAMP, DRL Relays, IP HARN MDL, LT PRK LAMP, RT PRK LAMP, DRL Fuses
Master Electrical Component List
Control Module References
AIR BAG, OBJ SNSR, ONSTAR/S-BAND, BODY HARN MDL Fuses
LT TRN/SIG, RR TRN/SIG, CHMSL/BCK-UP, INT LAMPS, SWTCH DM, HVAC BLWR Fuses, DR MDL/PWR WNDW Circuit Breaker
Rear Fuse Block B+
HORN, WSH, HIGH/BEAM, LO/BEAM Relays, HORN, ABS 1, ABS 2, WSW/PUMP, WSW HTD, HI BEAM, LT LO BEAM, RT LO BEAM Fuses
Power and Grounding Schematic Icons
Power and Grounding Schematic Icons