GM Service Manual Online
For 1990-2009 cars only
Makes
🢒
Buick
🢒
2007
🢒
Lucerne
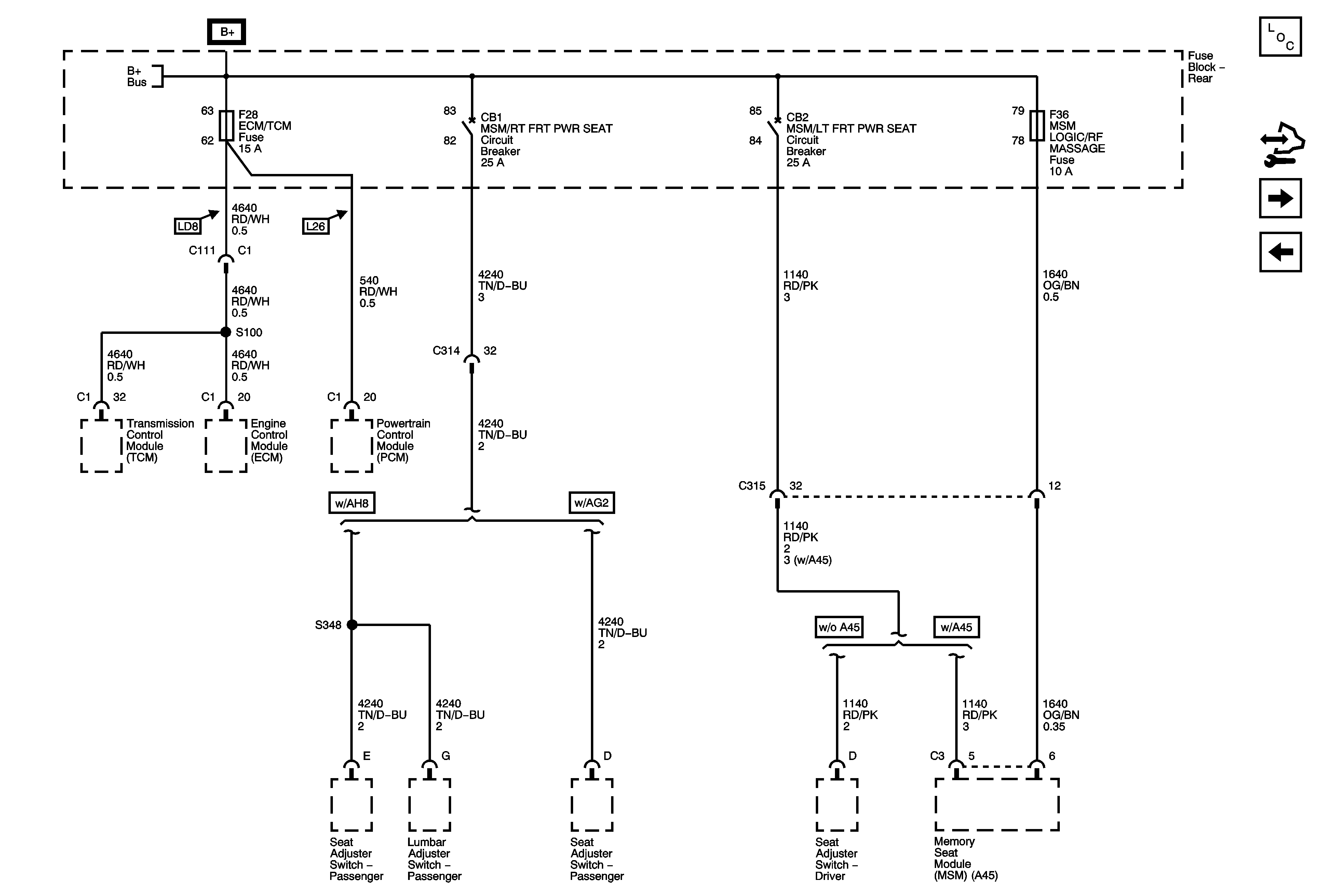
🢒 MSM/RT FRT PWR SEAT, MSM/LT FRT PWR SEAT, MSM Circuit Breakers, ECM/TCM, MSM LOGIC/RF MASSAGE Fuses
MSM/RT FRT PWR SEAT, MSM/LT FRT PWR SEAT, MSM Circuit Breakers, ECM/TCM, MSM LOGIC/RF MASSAGE Fuses
Rear Fuse Block - MSM/RT FRT PWR SEAT, MSM/LT FRT PWR SEAT, MSM Circuit Breakers, ECM/TCM, MSM LOGIC/RF MASSAGE Fuses
Master Electrical Component List
Control Module References
RAP Relay, CTSY/RF TRN, S/ROOF, SHFTR SOL, RAP Fuses
TRUNK RELSE Relay, AUX PWR, CNSTR VENT, RVC SENSE, ELC MDL, MRTD MDL, TRUNK RELSE Fuses
Rear Fuse Block B+