GM Service Manual Online
For 1990-2009 cars only
Makes
🢒
Buick
🢒
2007
🢒
Lucerne
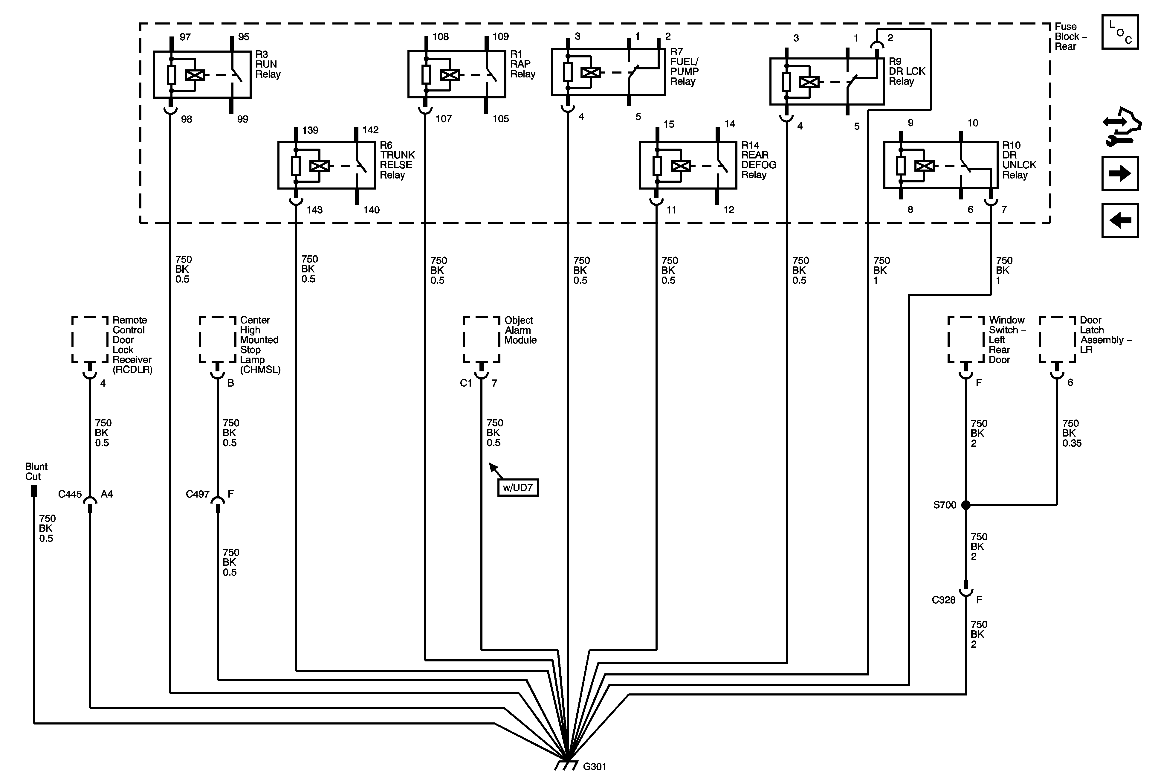
🢒 G301
G301
G301
Master Electrical Component List
Control Module References
G304
G300