GM Service Manual Online
For 1990-2009 cars only
Makes
🢒
Buick
🢒
2007
🢒
Lucerne
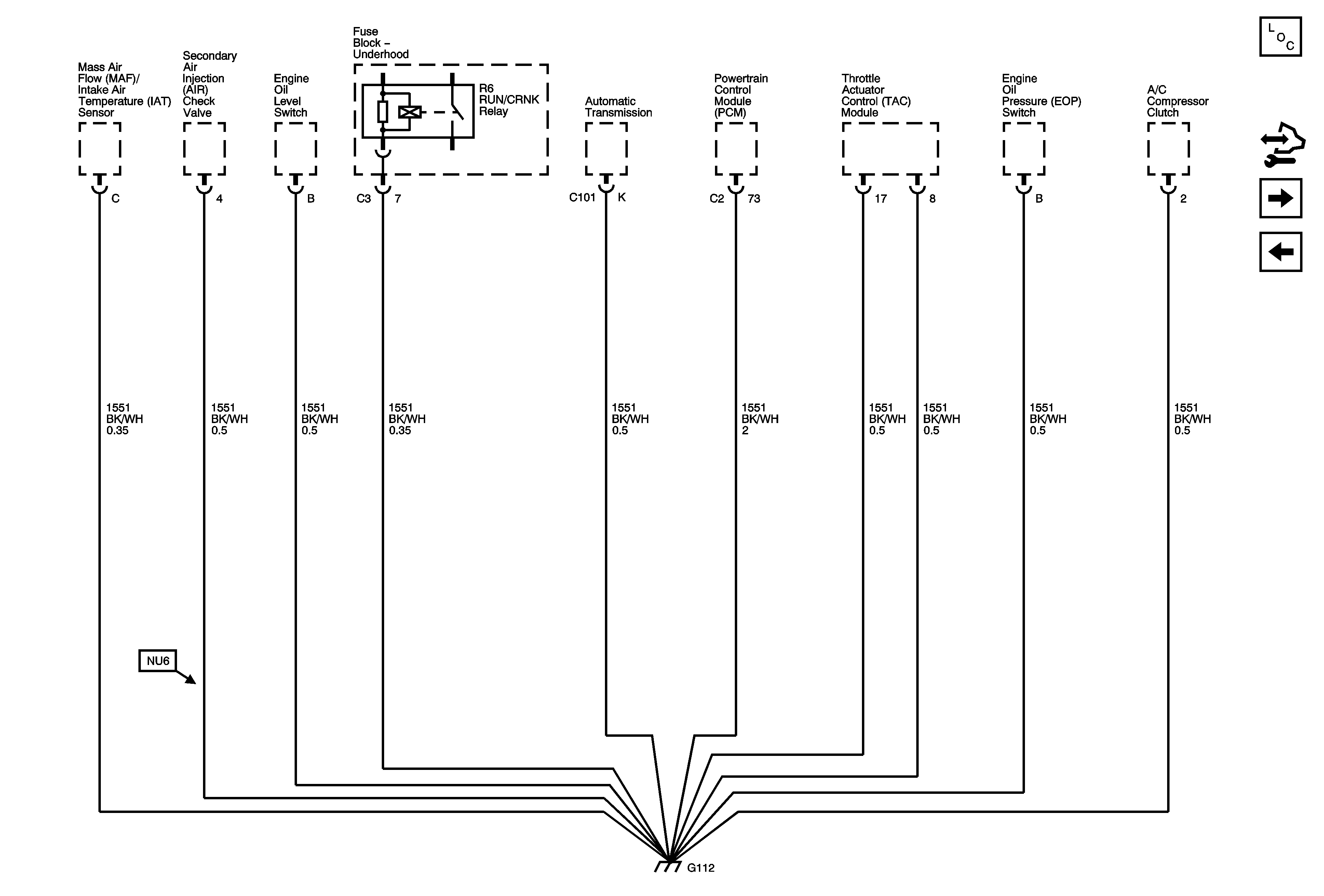
🢒 G112 (L26)
G112 (L26)
G112 (L26)
Master Electrical Component List
Control Module References
G300
G104