GM Service Manual Online
For 1990-2009 cars only
Makes
🢒
Buick
🢒
2007
🢒
Lucerne
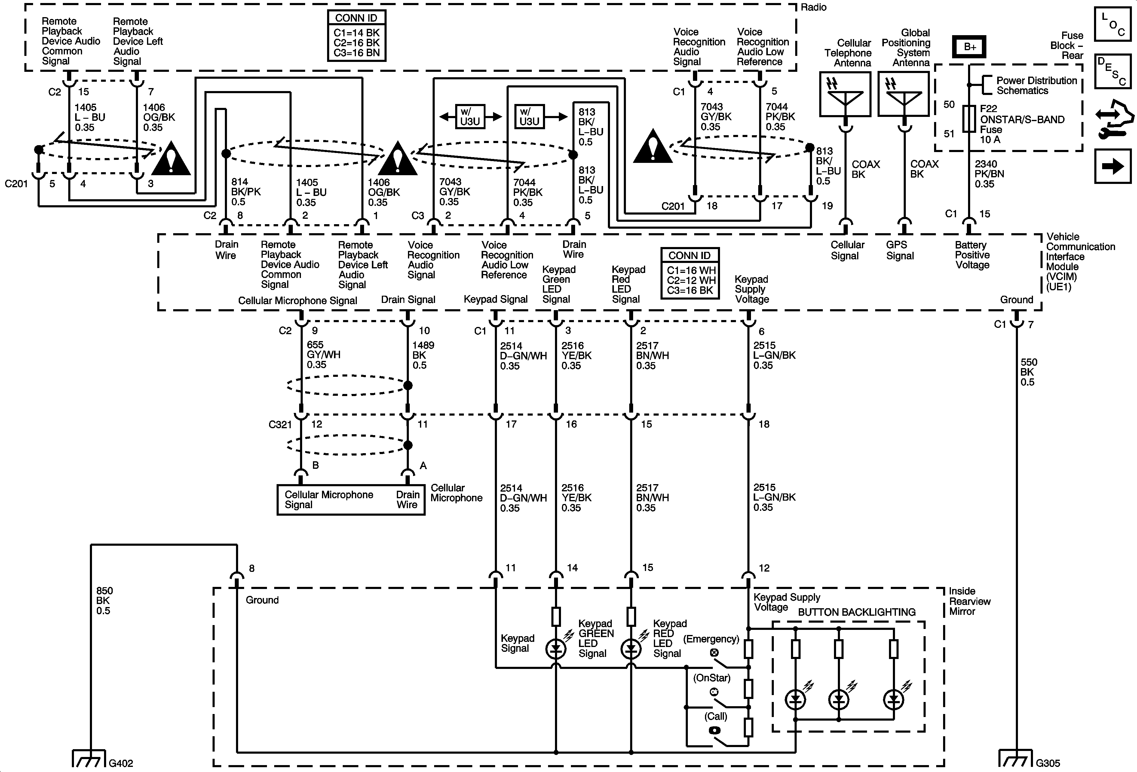
🢒 UE1
UE1
OnStar - UE1
Master Electrical Component List
OnStar Description and Operation
Control Module References
Data Link Communication
Entertainment/Communication Schematic Icons
Entertainment/Communication Schematic Icons
Entertainment/Communication Schematic Icons
Rear Fuse Block B+
G402
Power, Ground, and Low Speed GMLAN
G305