GM Service Manual Online
For 1990-2009 cars only
Figure 1:

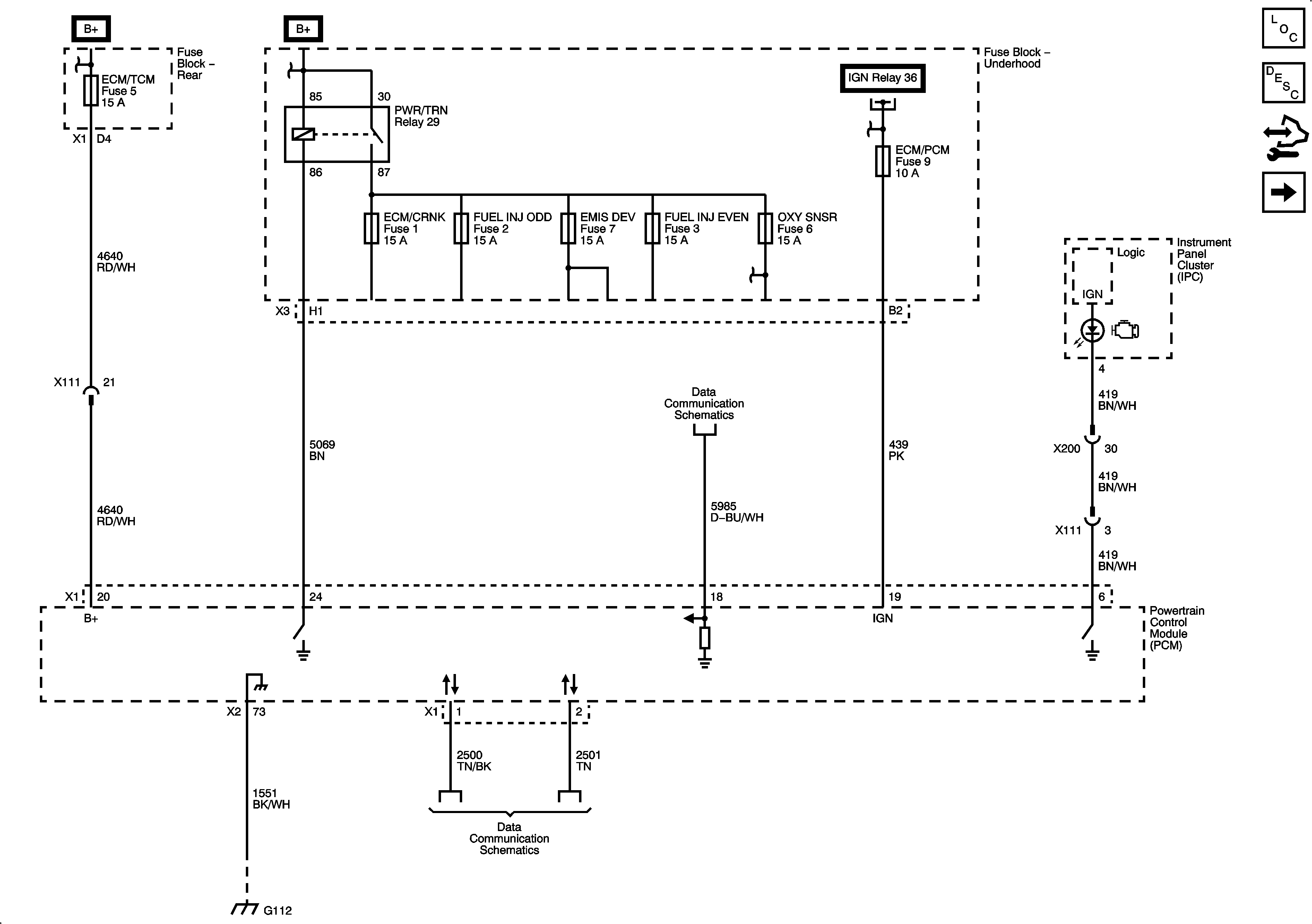
Power, Ground, MIL and DLC


Object Number: 1886420  Size: FS
Master Electrical Component List
Powertrain Control Module Description
Control Module References
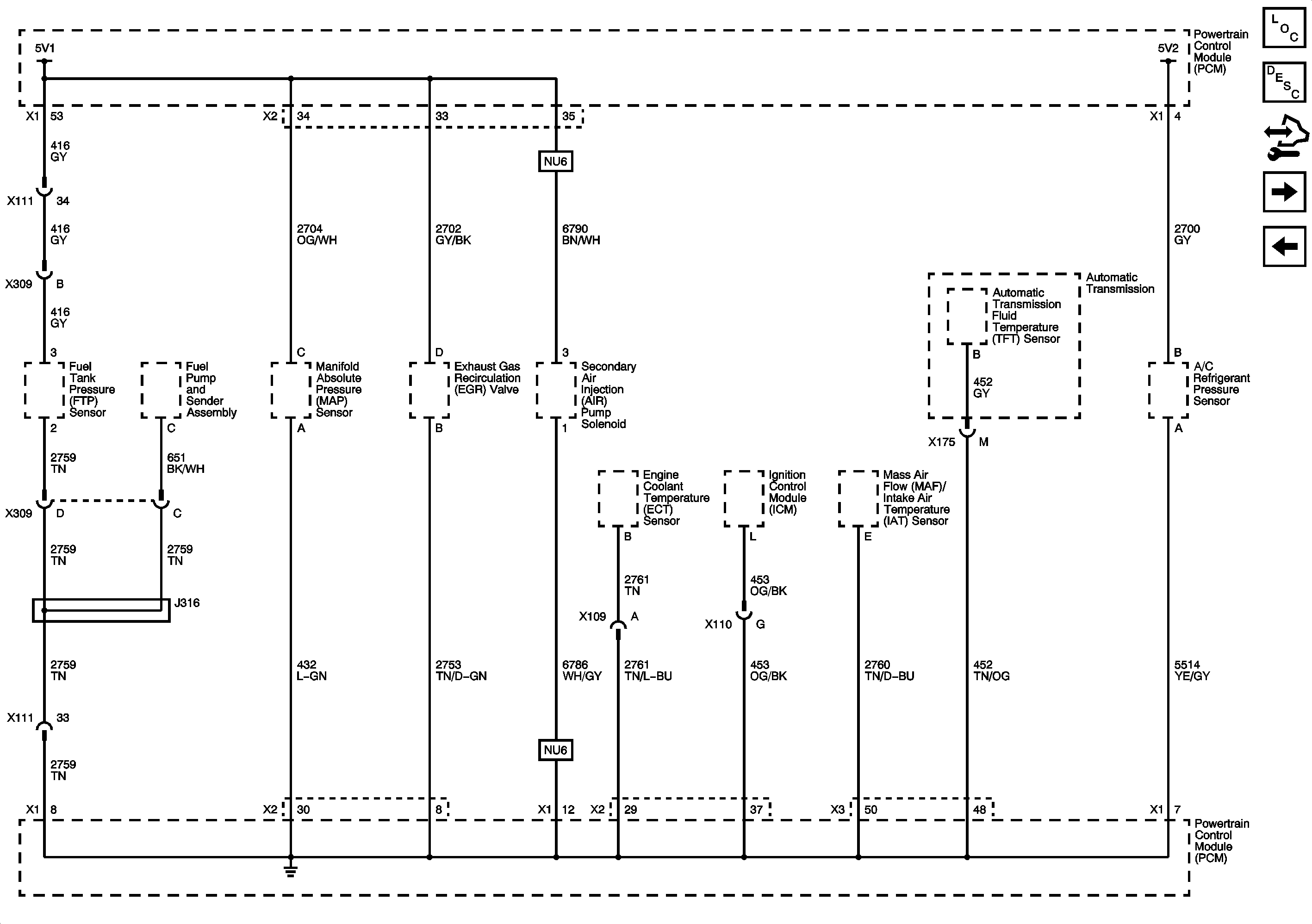
Engine Data Sensors - 5V Reference Bussing
Figure 2:

Engine Data Sensors - 5-Volt Reference Bussing


Object Number: 1886426  Size: FS
Master Electrical Component List
Powertrain Control Module Description
Control Module References
Power, Ground and DLC
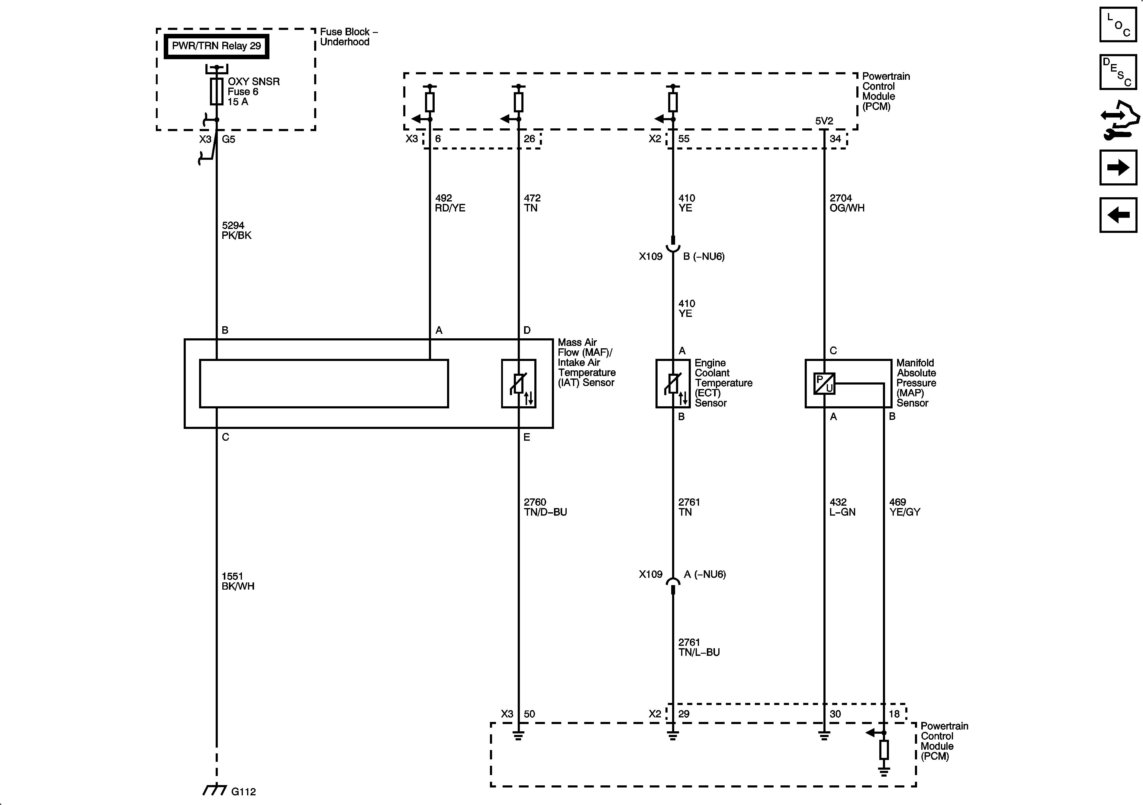
Engine Data Sensors - Pressure, Temp and MAF/IAT
Figure 3:

Engine Data Sensors - Pressure, Temp and MAF/IAT


Object Number: 1886430  Size: FS
Master Electrical Component List
Powertrain Control Module Description
Control Module References
Engine Data Sensors - 5V Reference Bussing
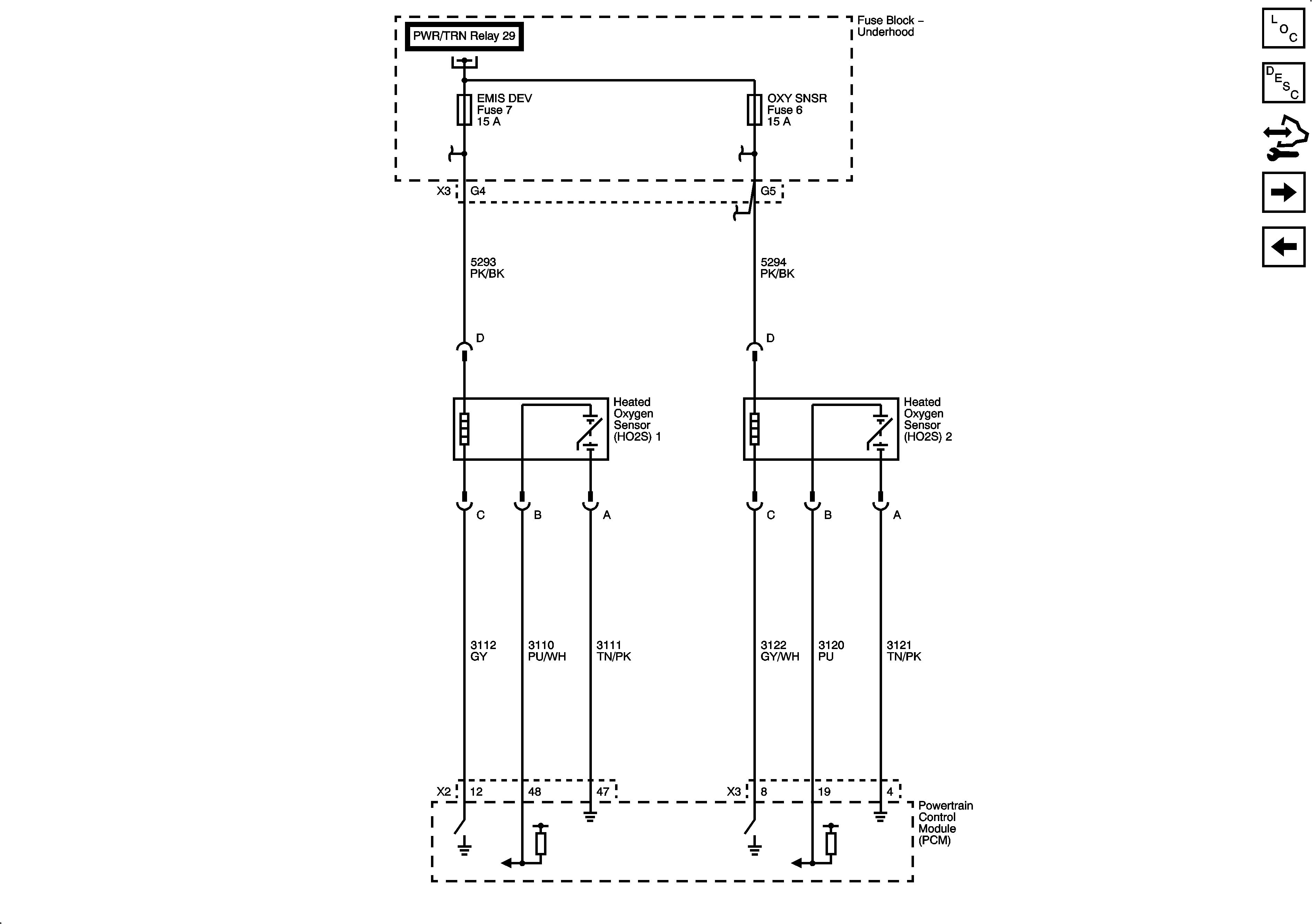
Engine Data Sensors, HO2s
Figure 4:

Engine Data Sensors - HO2S


Object Number: 1886433  Size: FS
Master Electrical Component List
Powertrain Control Module Description
Control Module References
Engine Data Sensors - Pressure, Temp and MAF/IAT
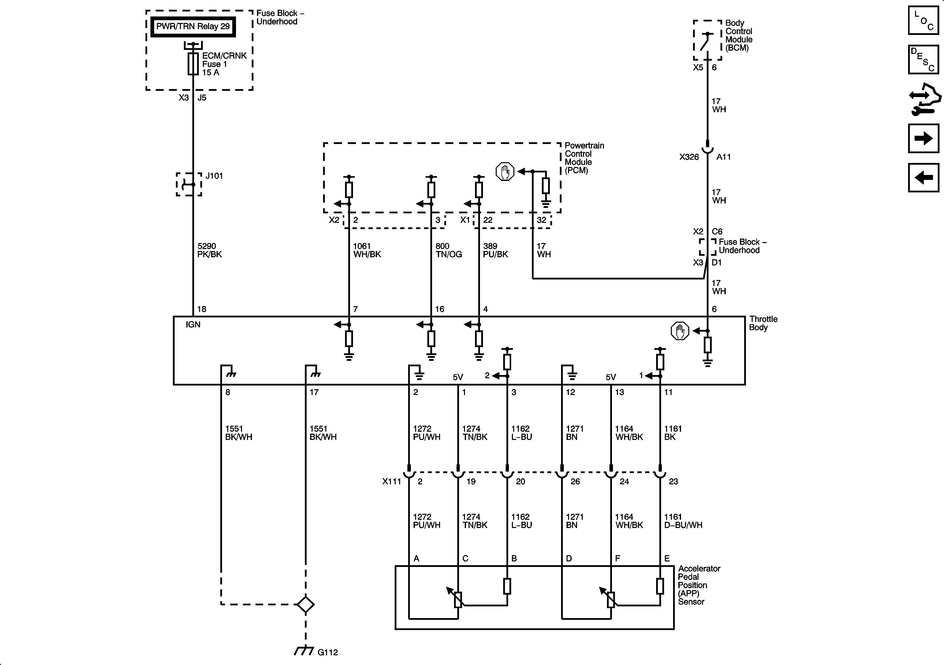
Engine Data Sensors - APP and TAC
Figure 5:

Engine Data Sensors - APP and TAC


Object Number: 1886442  Size: FS
Master Electrical Component List
Powertrain Control Module Description
Control Module References
Engine Data Sensors, HO2s
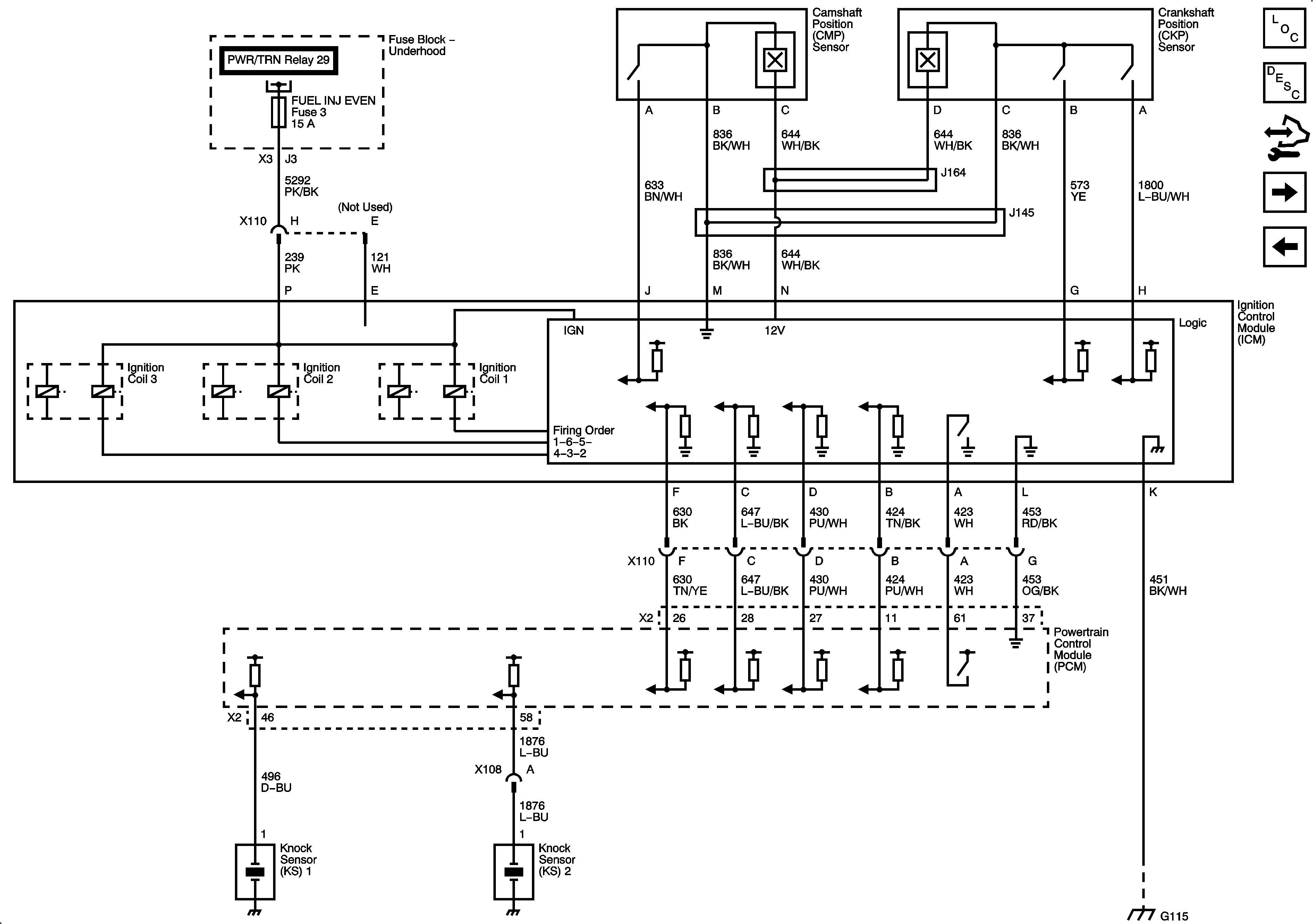
Ignition Controls - CKP, CMP, Knock Sensors
Figure 6:

Ignition Controls - CKP, CMP, Knock Sensors


Object Number: 1886444  Size: FS
Master Electrical Component List
Powertrain Control Module Description
Control Module References
Engine Data Sensors - APP and TAC
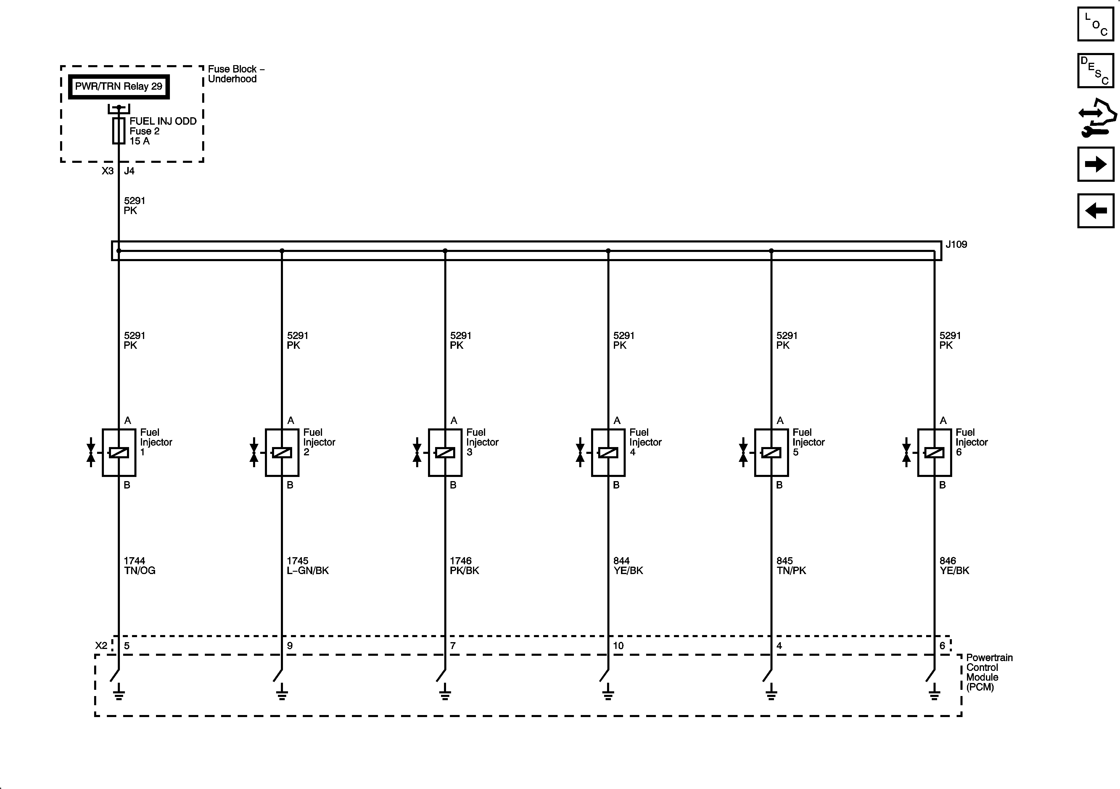
Fuel Controls
Figure 7:

Fuel Controls


Object Number: 1886446  Size: FS
Master Electrical Component List
Powertrain Control Module Description
Control Module References
Ignition Controls - CKP, CMP, Knock Sensors
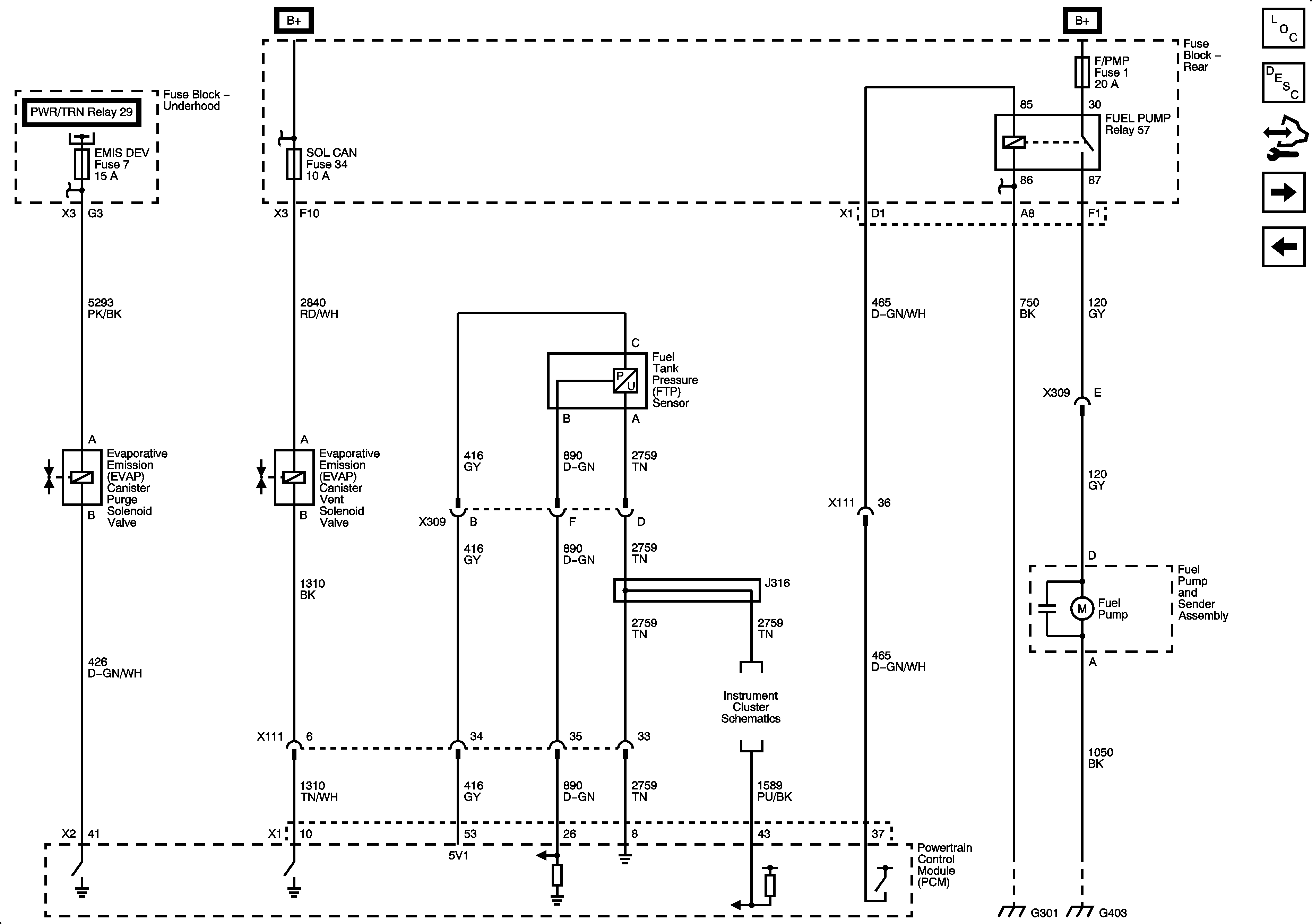
EVAP Controls
Figure 8:

EVAP Controls


Object Number: 1886448  Size: FS
Master Electrical Component List
Powertrain Control Module Description
Control Module References
Fuel Controls
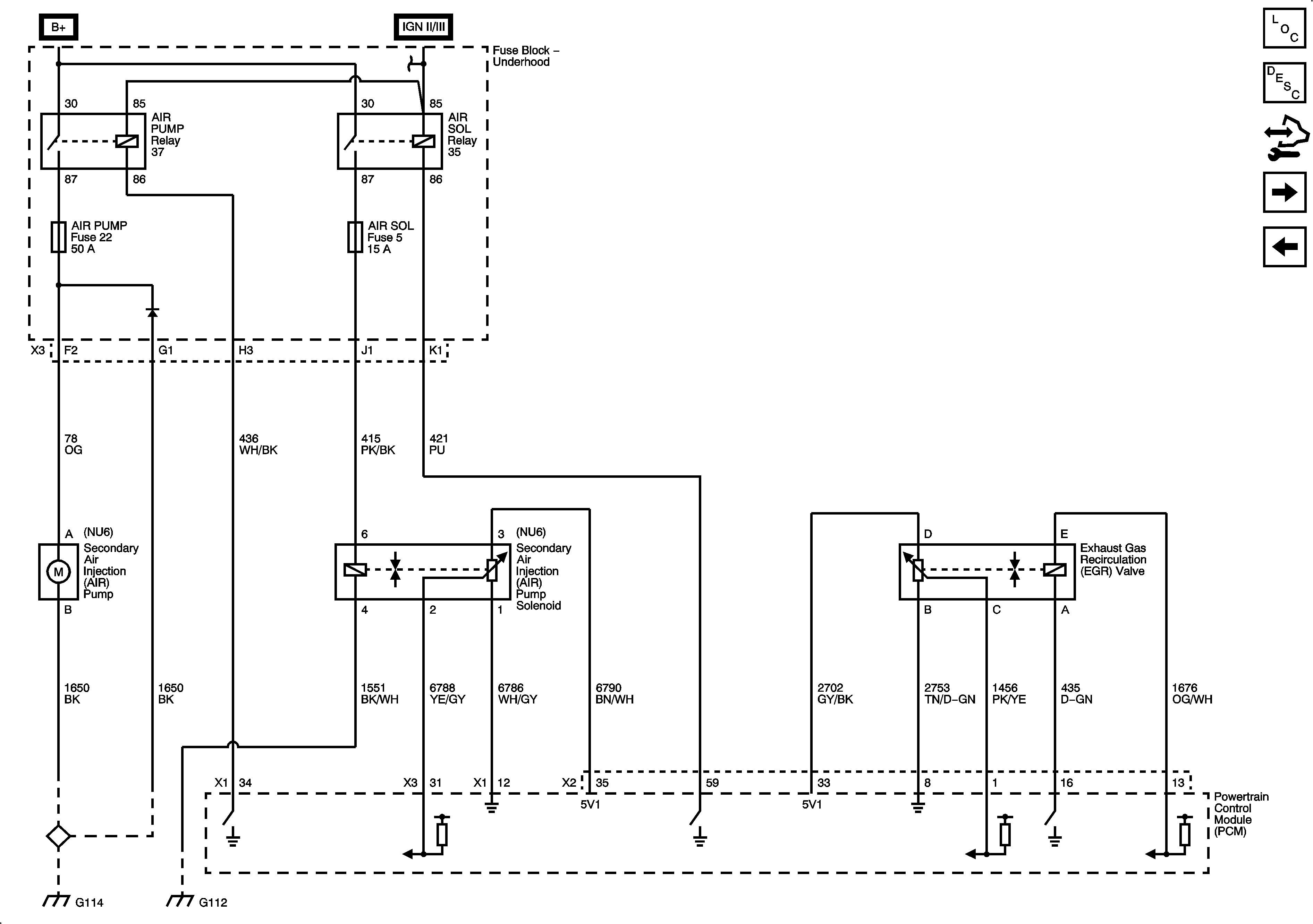
EGR, Secondary Air Injection (AIR)
Figure 9:

EGR, Secondary Air Injection (AIR)


Object Number: 1886450  Size: FS
Master Electrical Component List
Powertrain Control Module Description
Control Module References
EVAP Controls
Controlled and Monitored Subsystem References
Figure 10:

Controlled/Monitored Subsystem References


Object Number: 1886452  Size: FS
Master Electrical Component List
Powertrain Control Module Description
Control Module References
EGR, Secondary Air Injection (AIR)
Automatic Transmission Controls References
Figure 11:

Automatic Transmission Controls References


Object Number: 1886455  Size: FS
Master Electrical Component List
Powertrain Control Module Description
Control Module References
Controlled and Monitored Subsystem References