GM Service Manual Online
For 1990-2009 cars only
Figure 1:

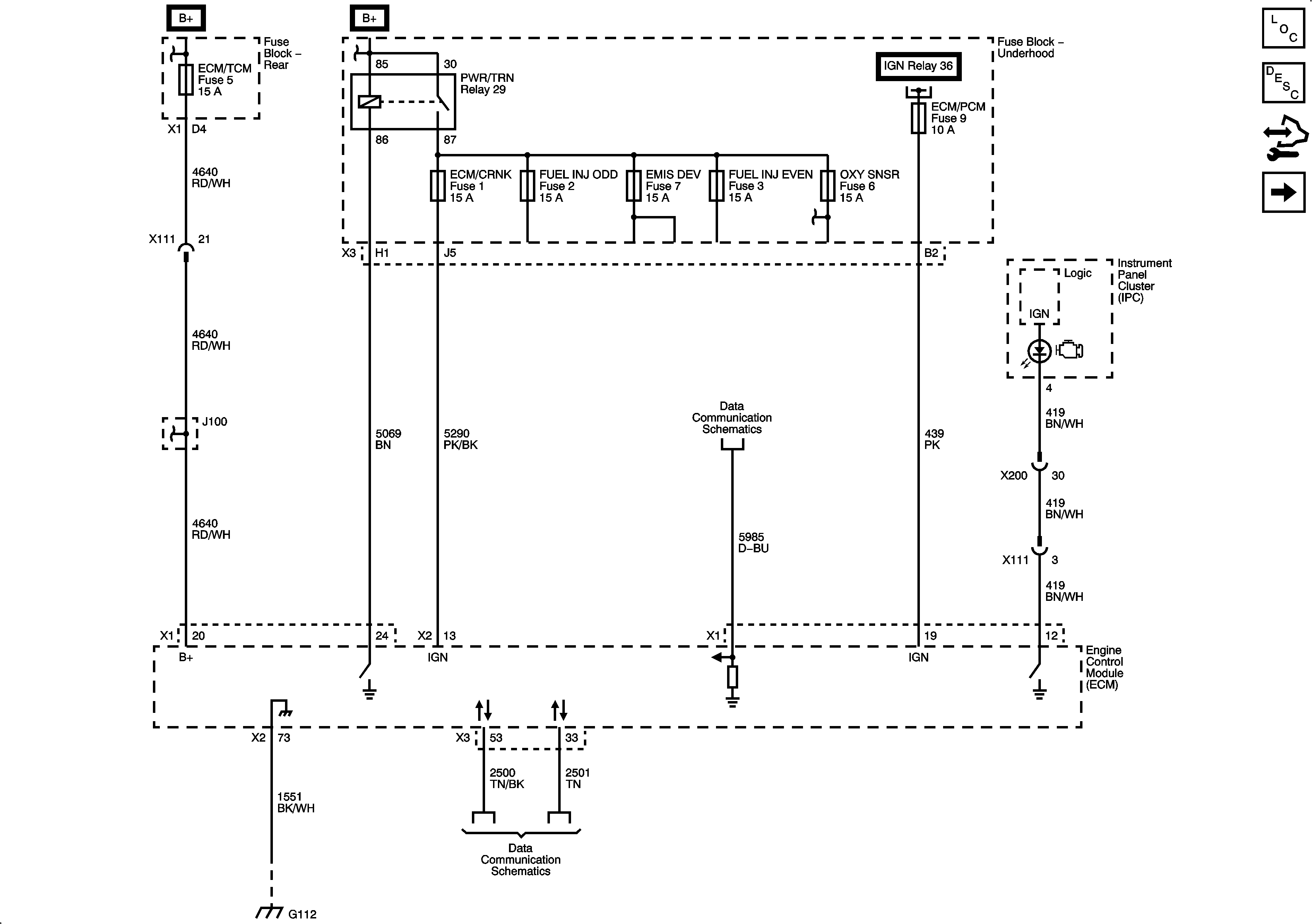
Power, Ground, MIL and DLC


Object Number: 1886460  Size: FS
Master Electrical Component List
Engine Control Module Description
Control Module References
Engine Data Sensors - 5V Reference Bussing
Figure 2:

Engine Data Sensors - 5-Volt Reference Bussing


Object Number: 1886462  Size: FS
Master Electrical Component List
Engine Control Module Description
Control Module References
Power, Ground, MIL and DLC
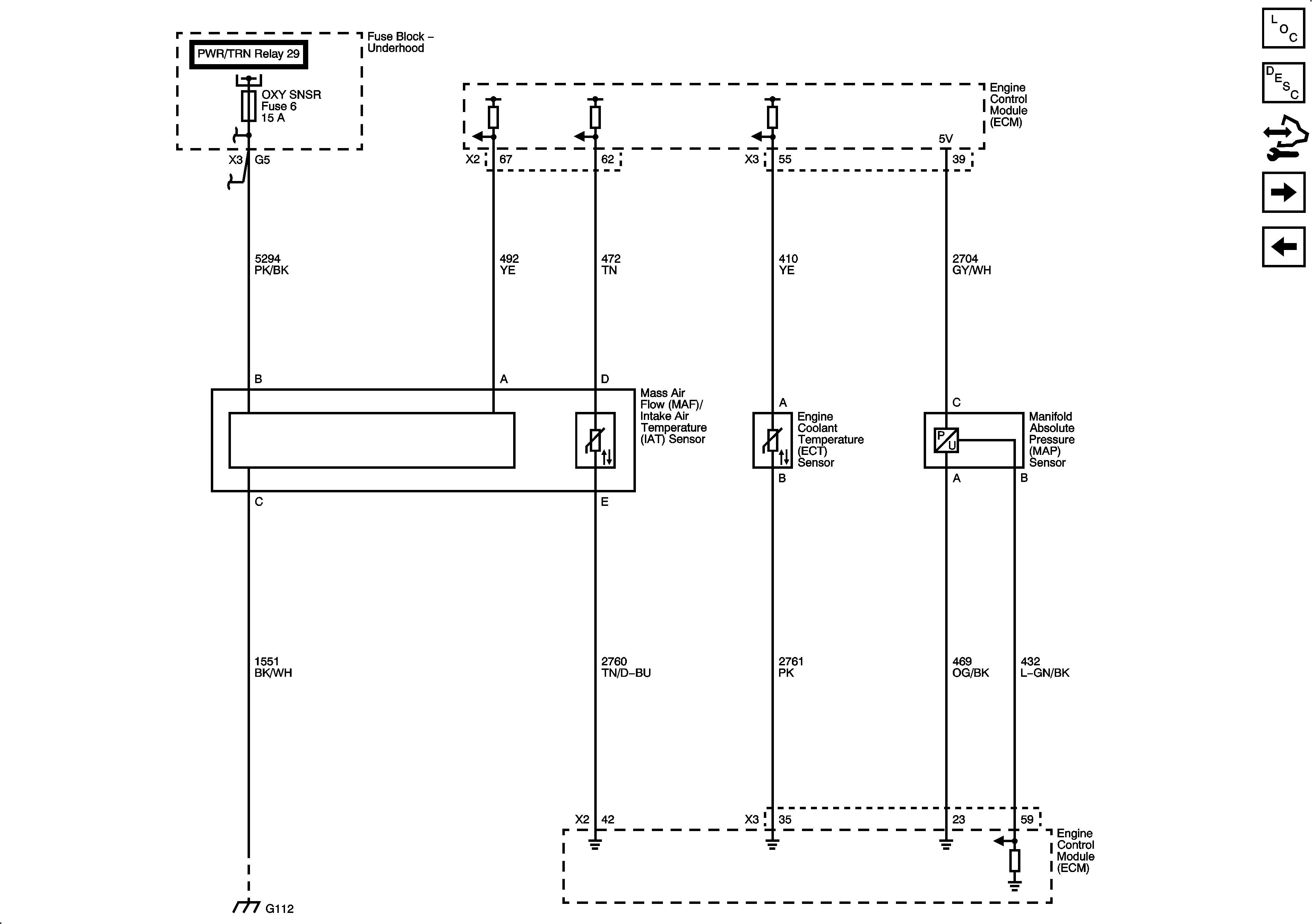
Engine Data Sensors - Pressure, Temp and MAF/IAT
Figure 3:

Engine Data Sensors - Pressure, Temp and MAF/IAT


Object Number: 1886466  Size: FS
Master Electrical Component List
Engine Control Module Description
Control Module References
Engine Data Sensors - 5V Reference Bussing
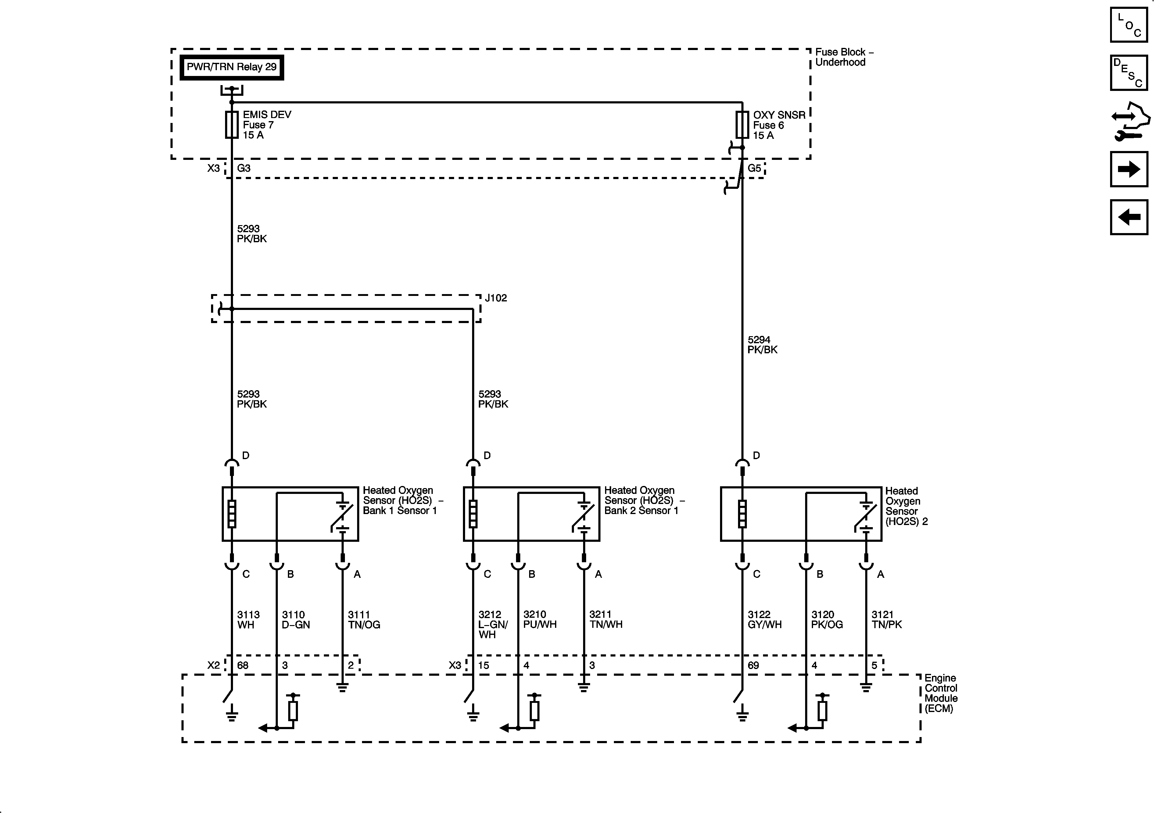
Engine Data Sensors - HO2S
Figure 4:

Engine Data Sensors - HO2S


Object Number: 1886469  Size: FS
Master Electrical Component List
Engine Control Module Description
Control Module References
Engine Data Sensors - Pressure, Temp and MAF/IAT
Engine Data Sensors - APP and Throttle Body Assembly
Figure 5:

Engine Data Sensors - APP and Throttle Body Assembly


Object Number: 1886474  Size: FS
Master Electrical Component List
Engine Control Module Description
Control Module References
Engine Data Sensors - HO2S
Ignition Controls 1 of 2
Figure 6:

Ignition Controls - 1 of 2


Object Number: 1886484  Size: FS
Master Electrical Component List
Engine Control Module Description
Control Module References
Engine Data Sensors - APP and Throttle Body Assembly
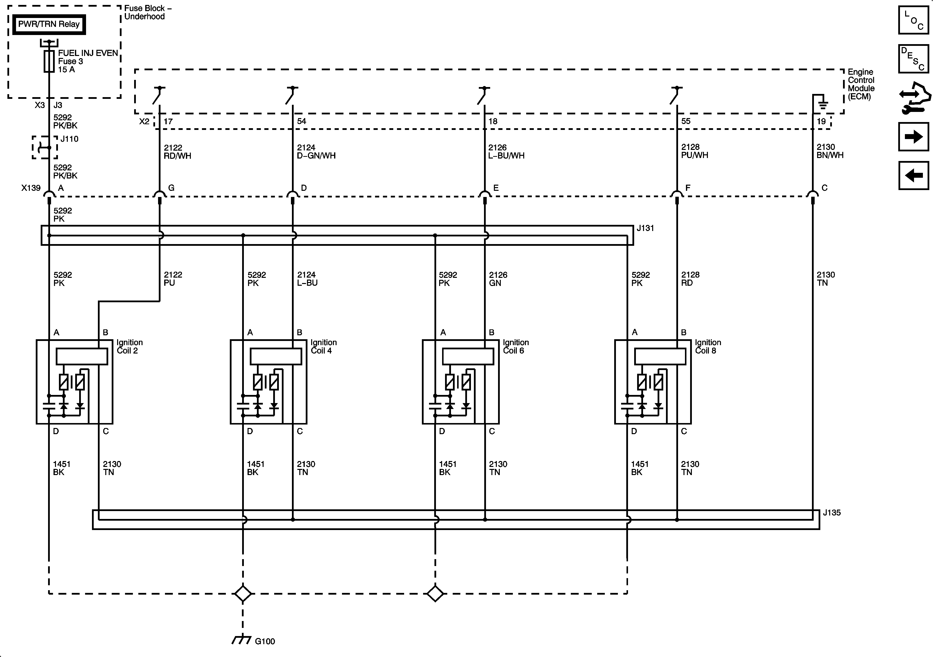
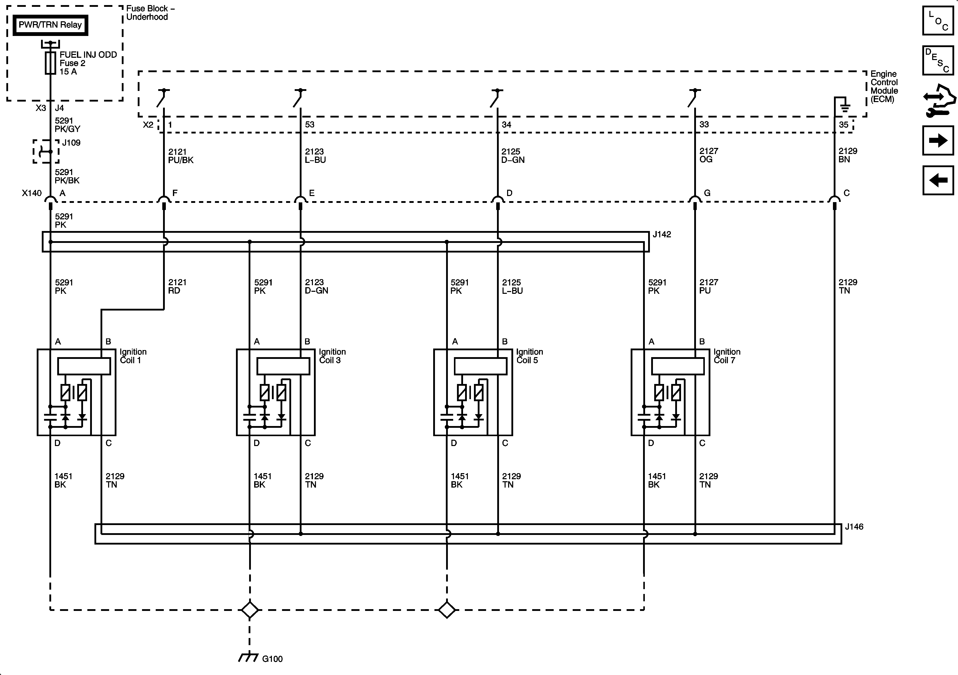
Ignition Controls 2 of 2
Figure 7:

Ignition Controls - 2 of 2


Object Number: 1886486  Size: FS
Master Electrical Component List
Engine Control Module Description
Control Module References
Ignition Controls 1 of 2
Fuel Controls
Figure 8:

Fuel Controls


Object Number: 1886488  Size: FS
Master Electrical Component List
Engine Control Module Description
Control Module References
Ignition Controls 2 of 2
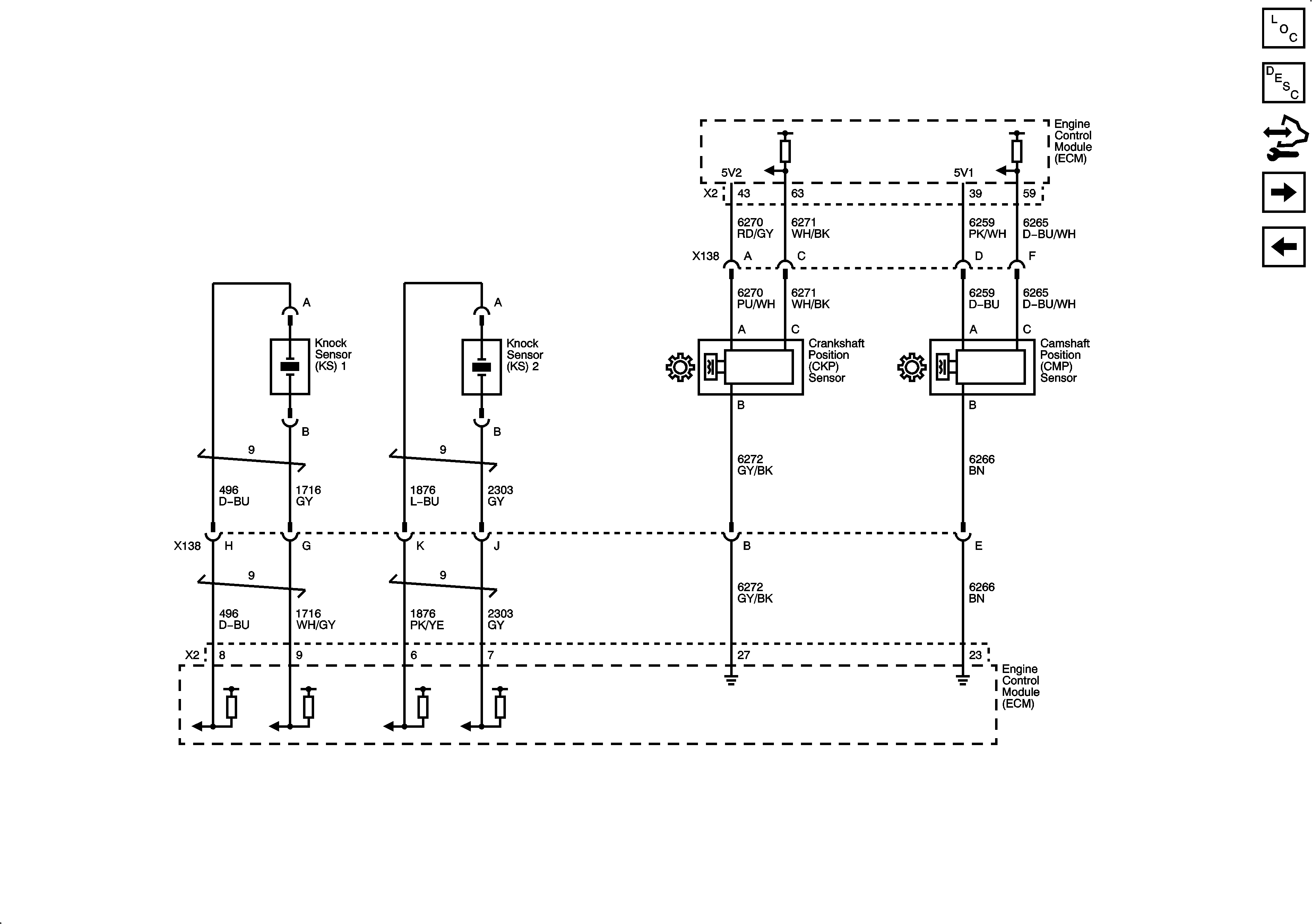
CKP, CMP, Knock Sensors
Figure 9:

CKP, CMP, Knock Sensors


Object Number: 1886490  Size: FS
Master Electrical Component List
Engine Control Module Description
Control Module References
Fuel Controls
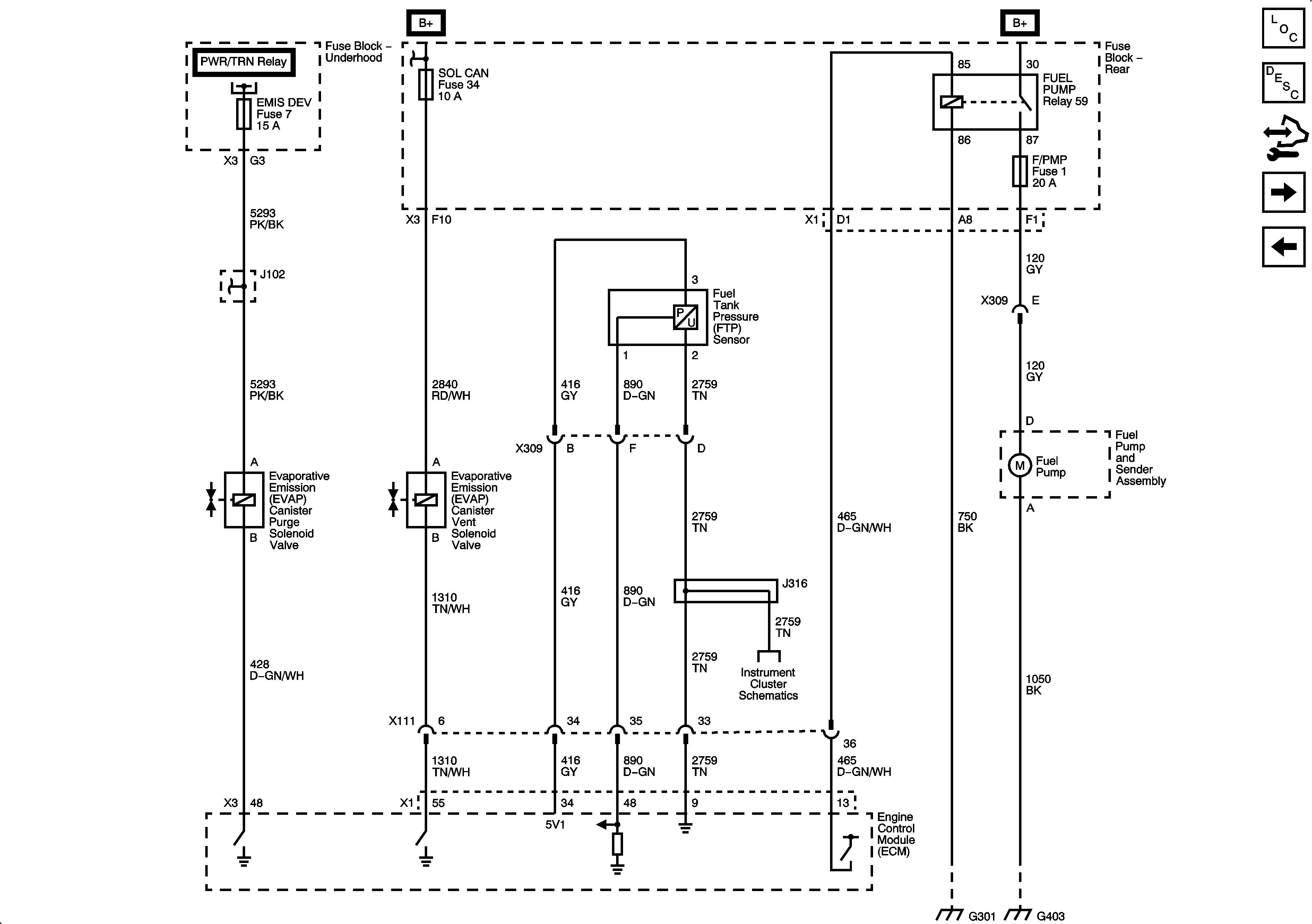
EVAP Controls, FTP Sensor
Figure 10:

EVAP Controls, FTP Sensor


Object Number: 1886492  Size: FS
Master Electrical Component List
Engine Control Module Description
Control Module References
CKP, CMP, Knock Sensors
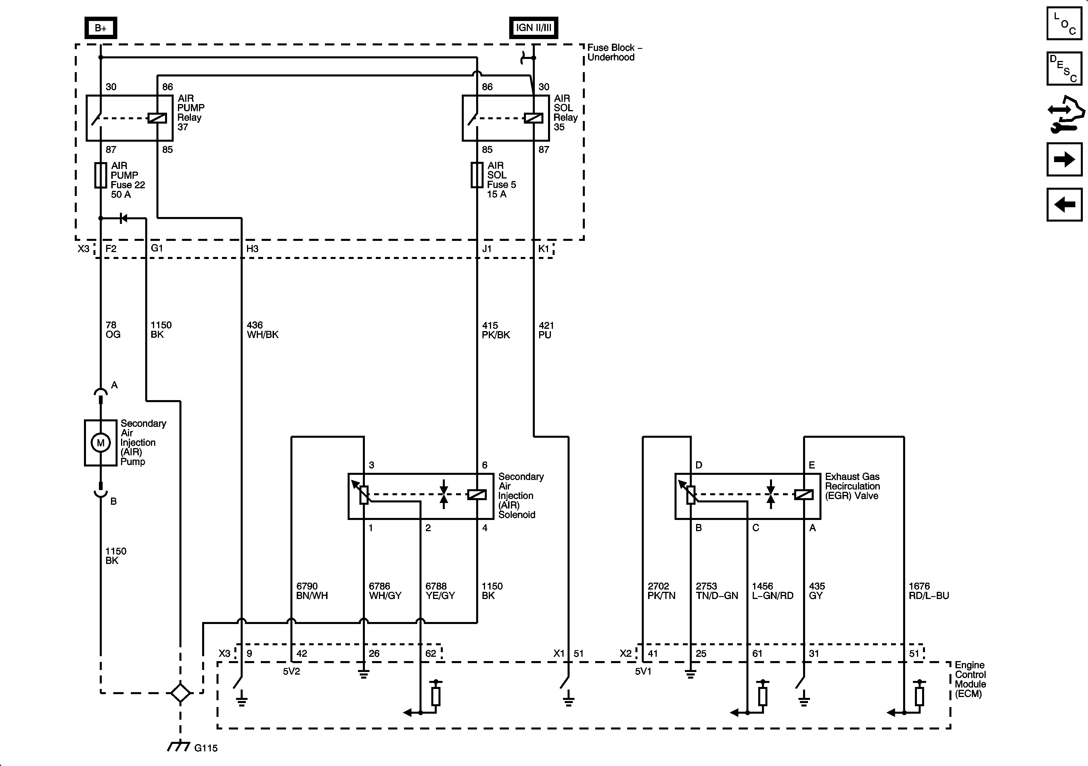
EGR, Secondary Air Injection (AIR)
Figure 11:

EGR, Secondary Air Injection (AIR)


Object Number: 1886494  Size: FS
Master Electrical Component List
Engine Control Module Description
Control Module References
EVAP Controls, FTP Sensor
Controlled and Monitored Subsystem References
Figure 12:

Controlled/Monitored Subsystem References


Object Number: 1886496  Size: FS
Master Electrical Component List
Engine Control Module Description
Control Module References
EGR, Secondary Air Injection (AIR)