GM Service Manual Online
For 1990-2009 cars only

Coolant Heater Cord Replacement LD8

Removal Procedure


    Object Number: 1667236  Size: SH
  1. Remove the surge tank inlet hose/pipe. Refer to Radiator Surge Tank Inlet Hose/Pipe Replacement .
  2. Disconnect the coolant heater cord electrical connector (2) from the right coolant heater electrical connector (1).

  3. Object Number: 1667235  Size: SH
  4. Disconnect the coolant heater cord electrical connector (3) from the left coolant heater electrical connector (2).
  5. Cut the coolant heater cord strap (4) at the engine harness.
  6. Remove the coolant heater cord clip (1) from the lift hook bracket.

  7. Object Number: 1662134  Size: SH
  8. Remove the coolant heater cord clips from the fuel rail studs.
  9. Cut the coolant heater cord strap at the engine harness.

Installation Procedure


    Object Number: 1662134  Size: SH
  1. Install the coolant heater cord clips to the fuel rail studs.
  2. Install a NEW strap attaching the coolant heater cord to the engine harness.

  3. Object Number: 1667235  Size: SH
  4. Install the coolant heater cord clip (1) to the lift hook bracket.
  5. Install a NEW strap attaching the coolant heater cord to the engine harness.
  6. Connect the coolant heater cord electrical connector (3) to the left coolant heater electrical connector (2).

  7. Object Number: 1667236  Size: SH
  8. Connect the coolant heater cord electrical connector (2) to the right coolant heater electrical connector (1).
  9. Install the surge tank inlet hose/pipe. Refer to Radiator Surge Tank Inlet Hose/Pipe Replacement .

Coolant Heater Cord Replacement L26

Removal Procedure


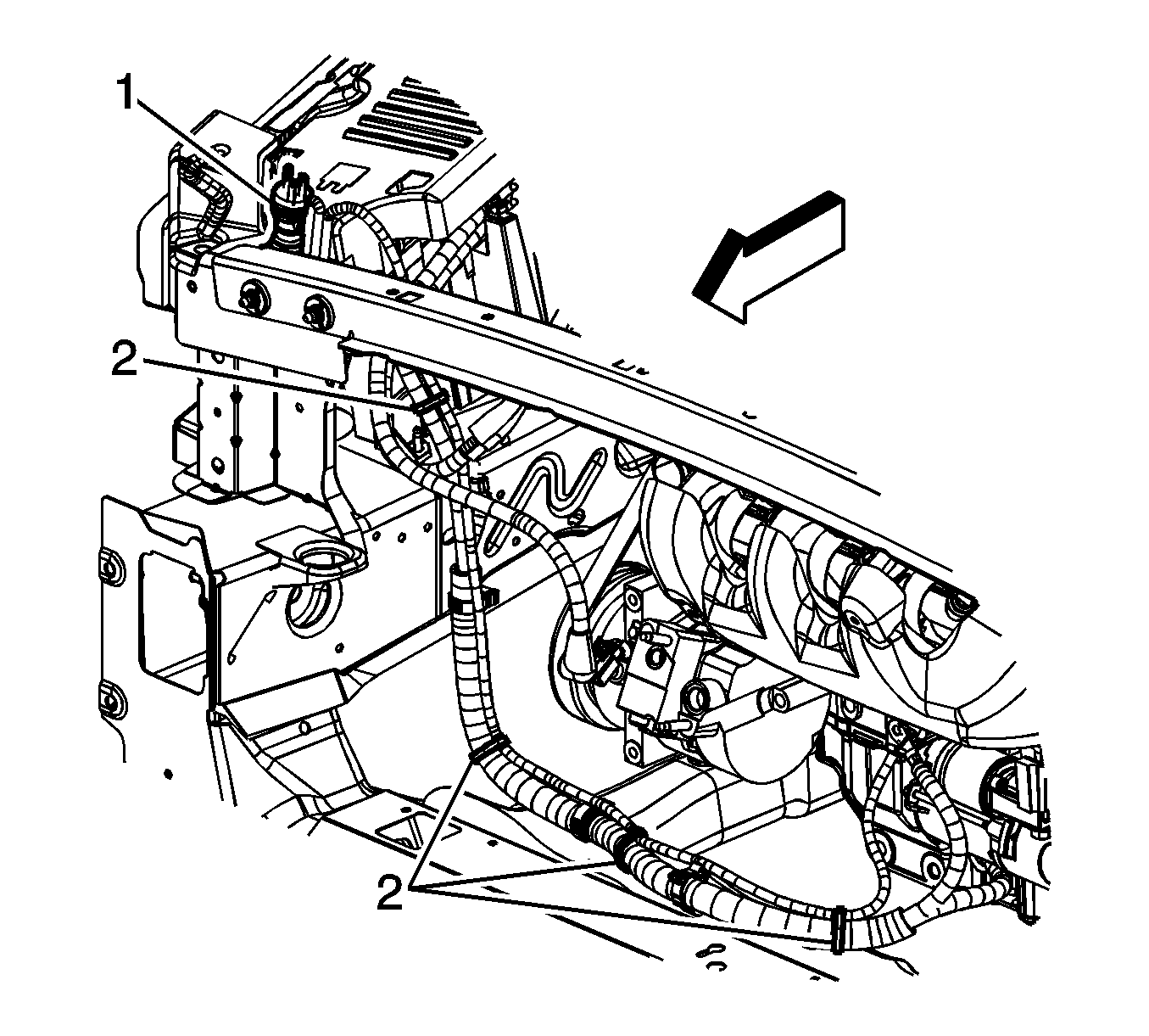
    Object Number: 1688035  Size: SH
  1. Remove the coolant heater cord (1) from in between the underhood electrical center and upper tie bar.
  2. Cut the coolant heater cord straps (2) attaching the cord to the starter cable.

  3. Object Number: 1688032  Size: SH
  4. Disconnect the coolant heater cord from the coolant heater.
  5. Remove the coolant heater cord.

Installation Procedure


    Object Number: 1688032  Size: SH

    Notice: The heater cord must not touch the engine, hot pipes, manifold, or any moving parts. Route the cord to the left front of the engine compartment securing with tie straps as necessary to prevent damage.

  1. Install the coolant heater cord.
  2. Connect the coolant heater cord to the coolant heater.

  3. Object Number: 1688035  Size: SH
  4. Install NEW straps (2) securing the coolant heater cord to the starter cable.
  5. Install the coolant heater cord (1) in between the underhood electrical center and upper tie bar.