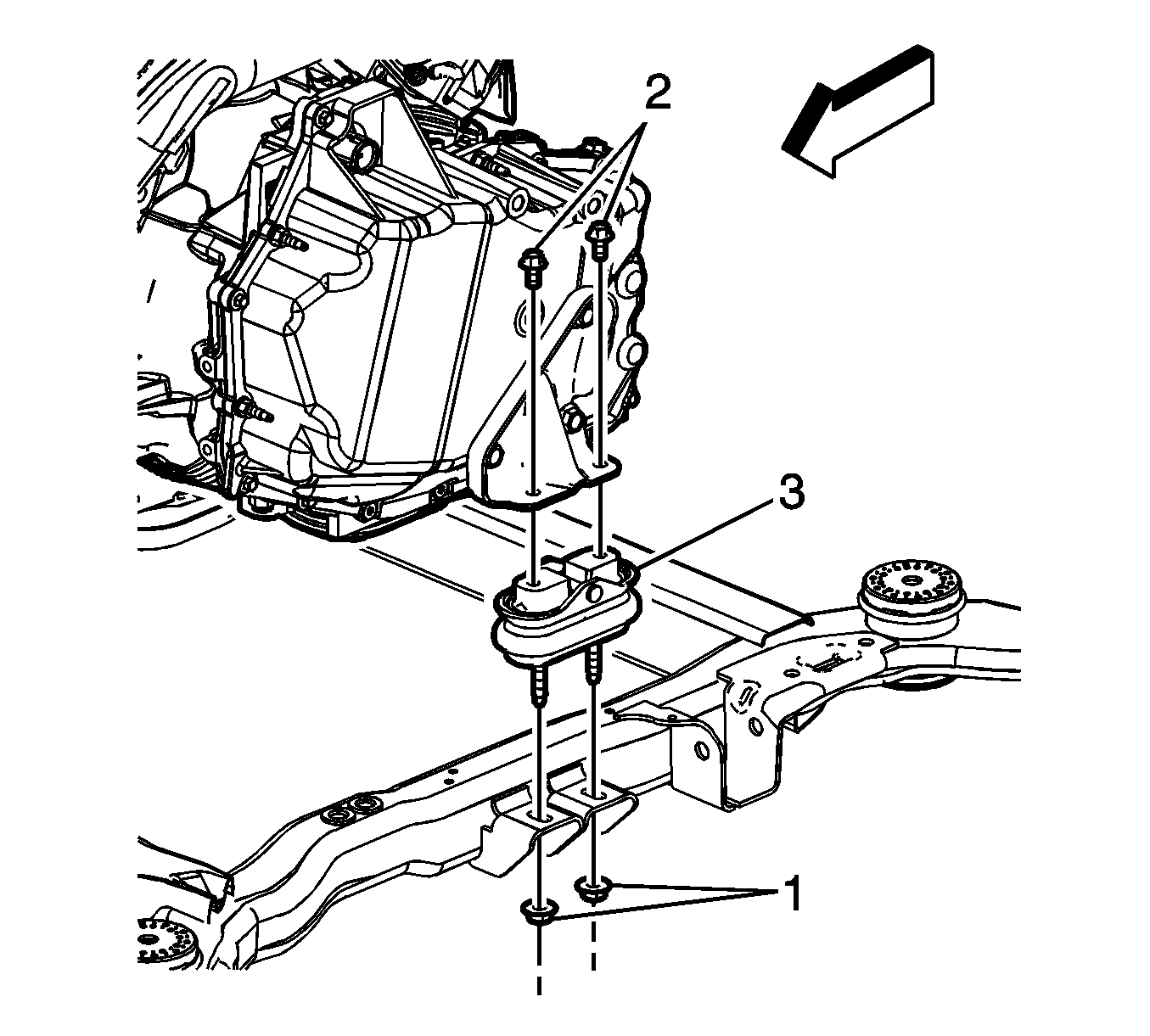
Important: Follow the balance procedure in the order listed in the following steps. Powertrain mounts must be tightened in sequence.
Important: Confirm that each mount has achieved zero load.
Notice: Refer to Fastener Notice in the Preface section.
Tighten
Tighten the nut to 80 N·m (59 lb ft).
Tighten
Tighten the nuts to 50 N·m (37 lb ft).
Tighten
Tighten the nut to 80 N·m (59 lb ft).
Important: The torque strut should have zero preload when the transaxle selector is in Park on a level surface. Both of the bushing sleeves on the torque strut are slotted to accommodate build variation. The torque strut bolt should easily thread into the engine side bracket without side load. If the strut is preloaded and side loads the forward bolt, loosen the rear torque strut nut to the body side bracket, reposition the strut to avoid preloading.
Tighten
Tighten the bolt and nut to 70 N·m (52 lb ft).