GM Service Manual Online
For 1990-2009 cars only

Removal Procedure


    Object Number: 1687089  Size: SH
  1. Install the engine support fixture. Refer to Engine Support Fixture .
  2. Remove the air cleaner outlet duct. Refer to Air Cleaner Outlet Duct Replacement .
  3. Raise and support the vehicle. Refer to Lifting and Jacking the Vehicle .
  4. Remove the catalytic converter to exhaust manifold nuts.

  5. Object Number: 1686735  Size: SH
  6. Drain the engine oil and remove the oil filter. Refer to Engine Oil and Oil Filter Replacement .
  7. Disconnect the engine harness electrical connector (2) from the oil level sensor.

  8. Object Number: 1685332  Size: SH
  9. Remove the front engine mount to frame nut.
  10. Lower the vehicle.
  11. Using the engine support fixture, raise the engine.
  12. Raise the vehicle.

  13. Object Number: 1685335  Size: SH
  14. Remove the front engine mount bracket bolts.
  15. Remove the front engine mount bracket with mount.

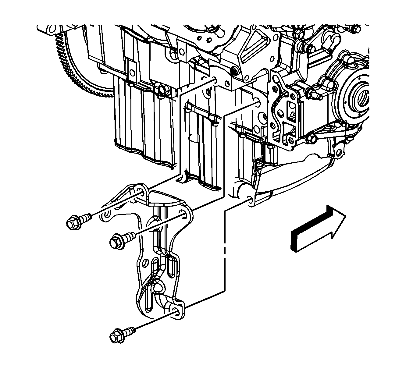
  16. Object Number: 1687131  Size: SH
  17. Remove the transaxle brace to oil pan bolt.

  18. Object Number: 1687133  Size: SH
  19. Remove the transaxle brace to transaxle bolts.

  20. Object Number: 1687132  Size: SH
  21. Remove the transaxle brace to oil pan bolts.
  22. Remove the transaxle brace.

  23. Object Number: 1687135  Size: SH
  24. Remove the front torque converter cover bolt (1).
  25. Remove the front torque converter cover (2).
  26. Remove the rear torque converter cover bolts (3).
  27. Remove the rear torque converter cover (4).
  28. Notice: Remove the oil level sensor, located in the oil pan, before the oil pan is removed. The sensor may be damaged if the oil pan is removed first.


    Object Number: 1686737  Size: SH
  29. Remove the oil level sensor.

  30. Object Number: 1687136  Size: SH
  31. Remove the oil pan bolts.
  32. Remove the oil pan.
  33. Clean the oil pan bolts of all debris.

Installation Procedure


    Object Number: 1572701  Size: SH
  1. Apply a continuous bead 6.35 mm (0.25 in) thick of RTV sealer, ensuring that the sealer also completely fills the groove in the oil pan. Refer to Adhesives, Fluids, Lubricants, and Sealers for the correct part number.
  2. To ensure proper sealing, apply additional sealer at the four locations (1).
  3. Notice: Install the oil level sensor, located in the oil pan, after the oil pan is installed. The sensor may be damaged if the oil level sensor is installed first.


    Object Number: 1687136  Size: SH
  4. Apply a drop of threadlock to each bolt. Refer to Adhesives, Fluids, Lubricants, and Sealers for the correct part number.
  5. Notice: Refer to Fastener Notice in the Preface section.

  6. Position the oil pan to the engine.
  7. Important: DO NOT overtighten the oil pan bolts or damage to the oil pan may occur, resulting in an oil leak.

  8. Install the oil pan bolts.
  9. Tighten
    Tighten the bolts to 14 N·m (10 lb ft).


    Object Number: 1686737  Size: SH
  10. Install the oil level sensor.
  11. Tighten
    Tighten the sensor to 20 N·m (15 lb ft).


    Object Number: 1687135  Size: SH
  12. Position the rear torque converter cover (4).
  13. Install the rear torque converter cover bolts (3).
  14. Tighten
    Tighten the bolts to 7.5 N·m (66 lb in).

  15. Position the front torque converter cover (2).
  16. Install the front torque converter cover bolt (1).
  17. Tighten
    Tighten the bolts to 7.5 N·m (66 lb in).


    Object Number: 1687132  Size: SH
  18. Position the transaxle brace.
  19. Install the transaxle brace to oil pan bolts.
  20. Tighten
    Tighten the bolts to 50 N·m (37 lb ft).


    Object Number: 1687133  Size: SH
  21. Install the transaxle brace to transaxle bolts.
  22. Tighten
    Tighten the bolts to 50 N·m (37 lb ft).


    Object Number: 1687131  Size: SH
  23. Install the transaxle brace to oil pan bolt.
  24. Tighten
    Tighten the bolts to 50 N·m (37 lb ft).


    Object Number: 1685335  Size: SH
  25. Position the front engine mount bracket with mount.
  26. Install the front engine mount bracket bolts.
  27. Tighten
    Tighten the bolts to 70 N·m (52 lb ft).


    Object Number: 1685332  Size: SH
  28. Lower the vehicle.
  29. Using the engine support fixture, lower the engine.
  30. Raise the vehicle.
  31. Install the front engine mount to frame nut.
  32. Tighten
    Tighten the nut to 80 N·m (59 lb ft).


    Object Number: 1686735  Size: SH
  33. Connect the engine harness electrical connector (2) to the oil level sensor.

  34. Object Number: 1687089  Size: SH
  35. Remove the catalytic converter to exhaust manifold nuts.
  36. Tighten
    Tighten the nuts to 35 N·m (26 lb ft).

  37. Lower the vehicle.
  38. Install the air cleaner intake duct. Refer to Air Cleaner Outlet Duct Replacement .
  39. Install the engine support fixture. Refer to Engine Support Fixture .
  40. Install the oil filter and refill the engine with oil. Refer to Engine Oil and Oil Filter Replacement .