GM Service Manual Online
For 1990-2009 cars only
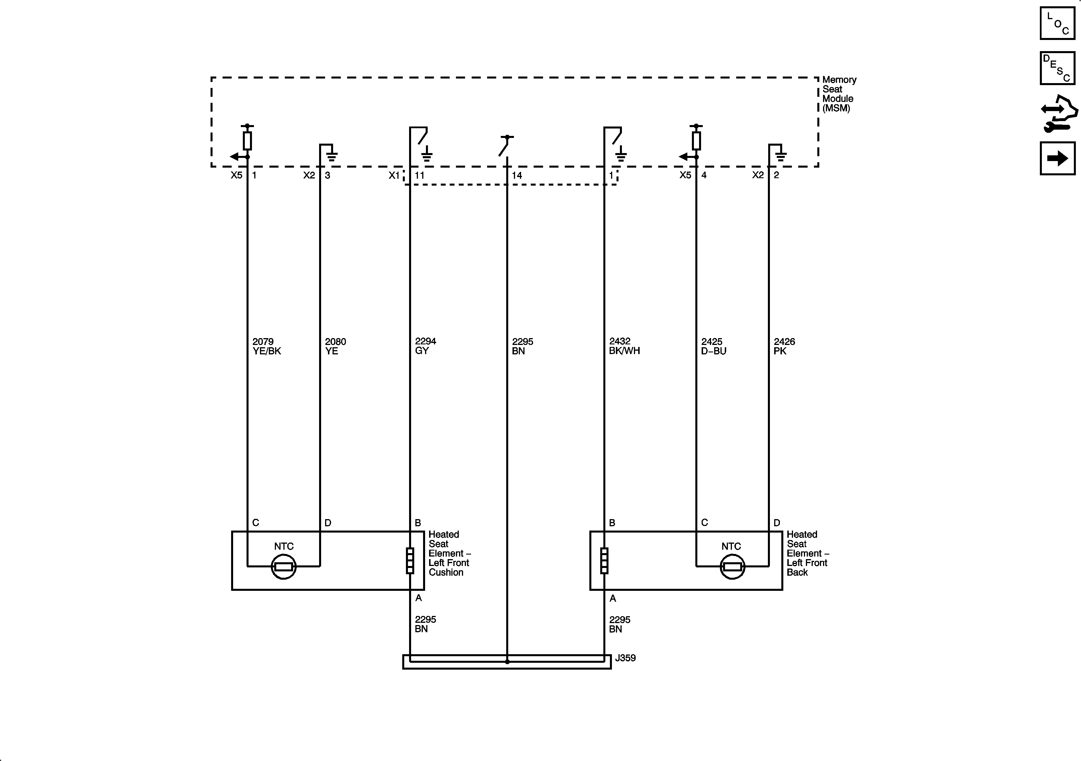
Figure 1:

Driver Heated Seat - KA1


Object Number: 1886926  Size: FS
Master Electrical Component List
Heated Seats Description and Operation
Control Module References
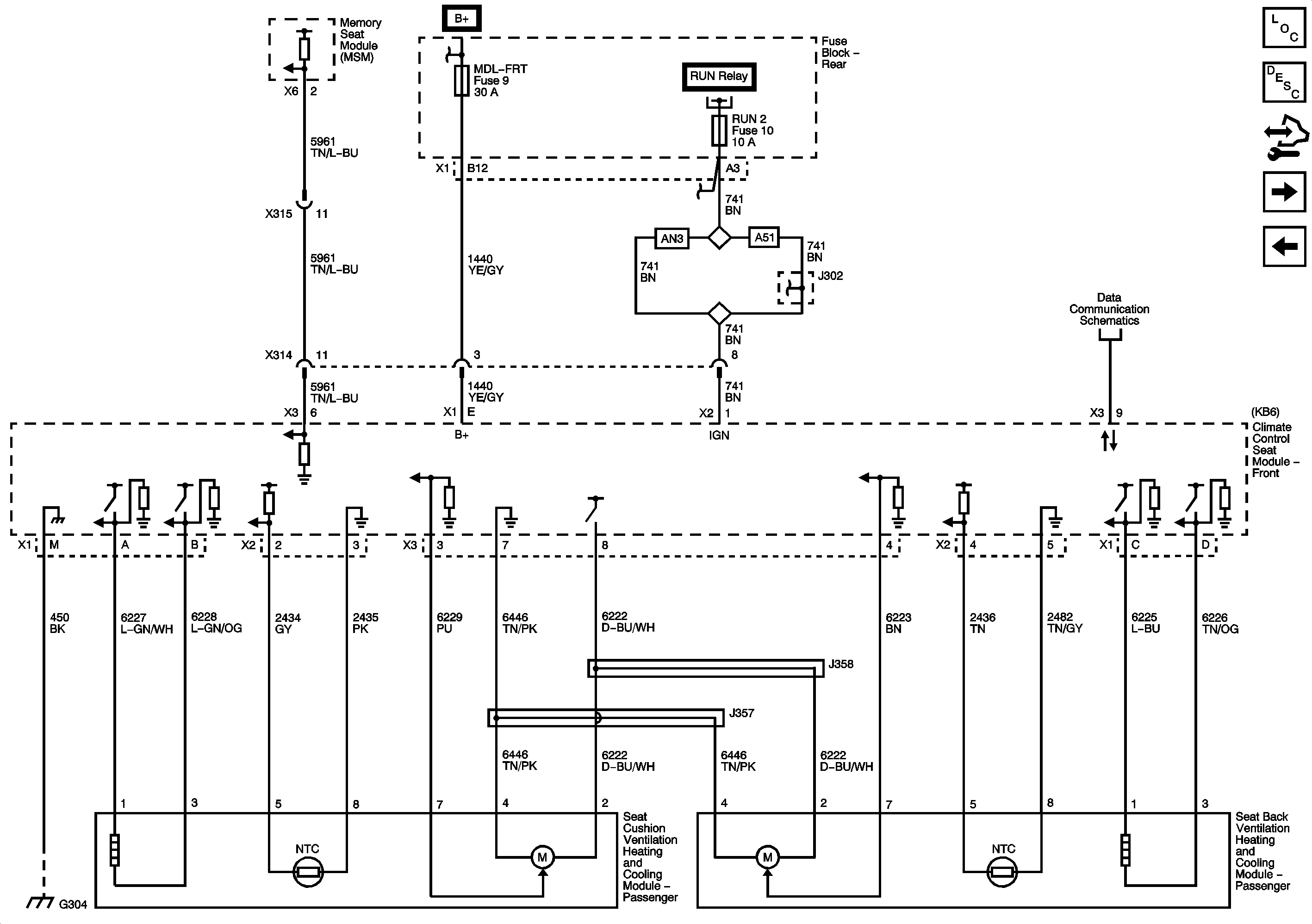
Driver Heated and Cooled Seat KB6
Figure 2:

Driver Heated and Cooled Seat - KB6


Object Number: 1886932  Size: FS
Master Electrical Component List
Heated/Cooled Seats Description and Operation
Control Module References
Driver Heated Seat KA1
Driver Heated and Cooled Seat Switch KA1, KB6
Figure 3:

Driver Heated/Cooled Seat Switch - KA1/KB6


Object Number: 1886937  Size: FS
Master Electrical Component List
Heated/Cooled Seats Description and Operation
Control Module References
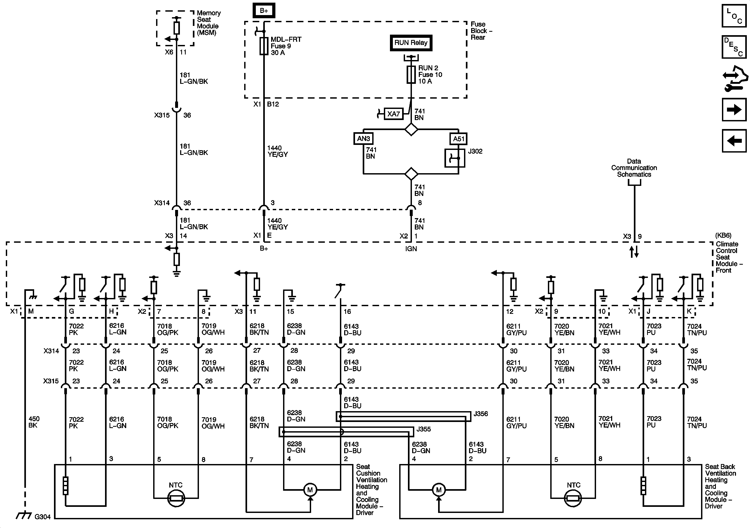
Driver Heated and Cooled Seat KB6
Passenger Heated Seat KA1
Figure 4:

Passenger Heated Seat - KA1


Object Number: 1886942  Size: FS
Master Electrical Component List
Heated Seats Description and Operation
Control Module References
Driver Heated and Cooled Seat Switch KA1, KB6
Passenger Heated and Cooled Seat KB6
Figure 5:

Passenger Heated and Cooled Seat - KB6


Object Number: 1886944  Size: FS
Master Electrical Component List
Heated/Cooled Seats Description and Operation
Control Module References
Passenger Heated Seat KA1
Passenger Heated and Cooled Seat Switch KA1, KB6
Figure 6:

Passenger Heated/Cooled Seat Switch - KA1/KB6


Object Number: 1886949  Size: FS
Master Electrical Component List
Heated/Cooled Seats Description and Operation
Control Module References
Passenger Heated and Cooled Seat KB6