GM Service Manual Online
For 1990-2009 cars only
Makes
🢒
Buick
🢒
2008
🢒
Lucerne
🢒
Diagnostic Navigation
🢒
Vehicle Diagnostic Information
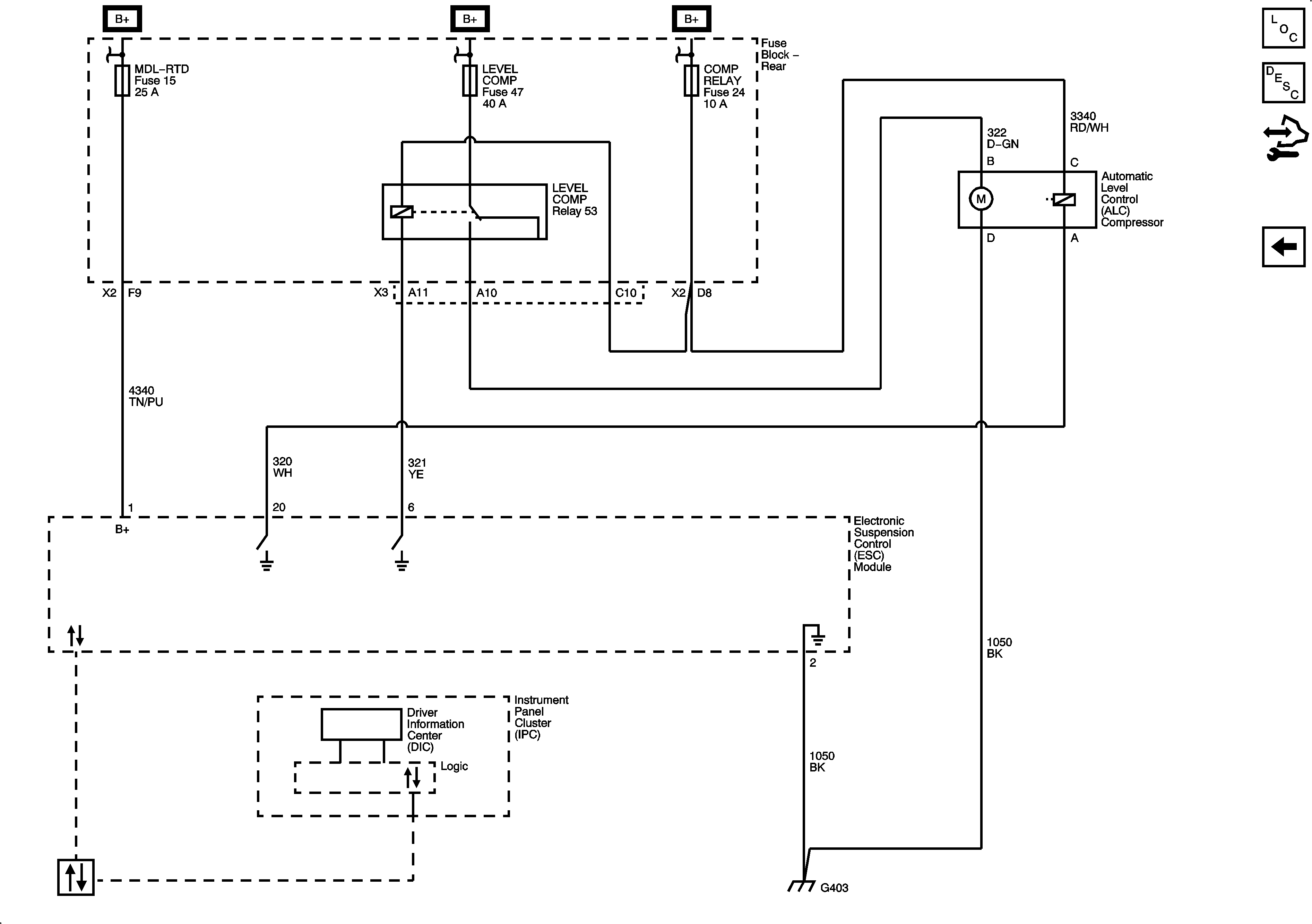
🢒 Automatic Level Control Schematics
Figure
1:
FE1, FE3, F41
Master Electrical Component List
Automatic Level Control Description and Operation (W/O F55)
Control Module References
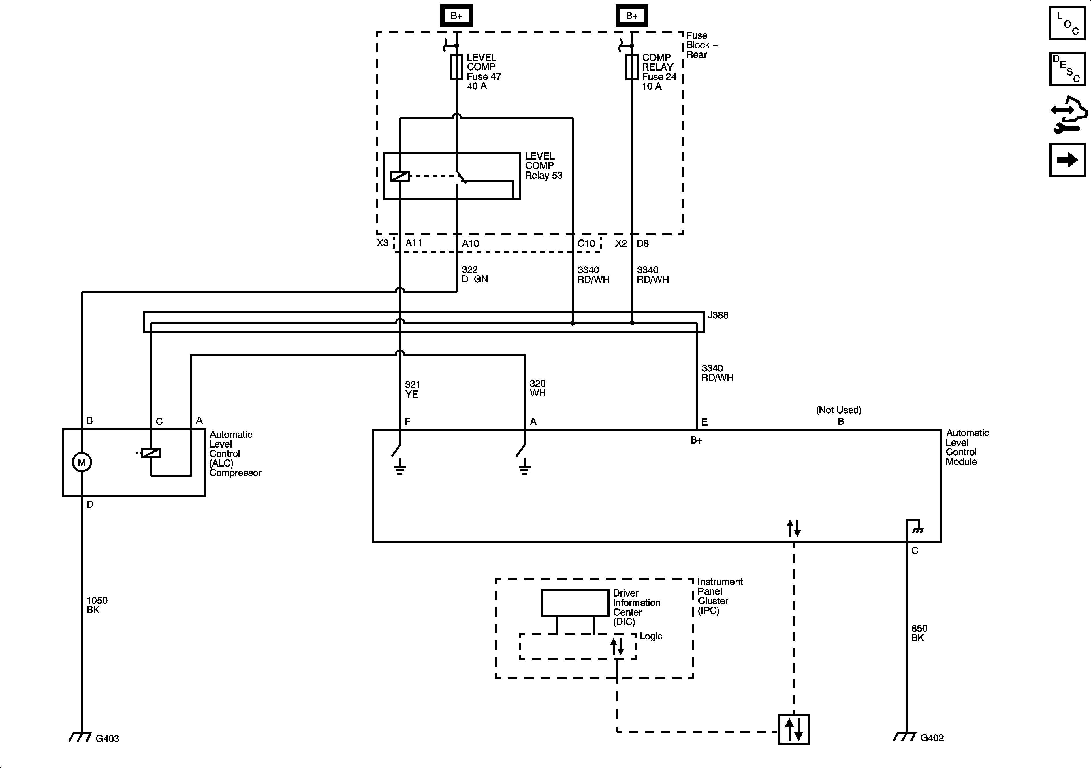
F55
Figure
2:
F55
Master Electrical Component List
Automatic Level Control Description and Operation (With F55)
Control Module References
FE1, FE3, F41