GM Service Manual Online
For 1990-2009 cars only
Makes
🢒
Buick
🢒
2008
🢒
Lucerne
🢒
Diagnostic Navigation
🢒
Vehicle Diagnostic Information
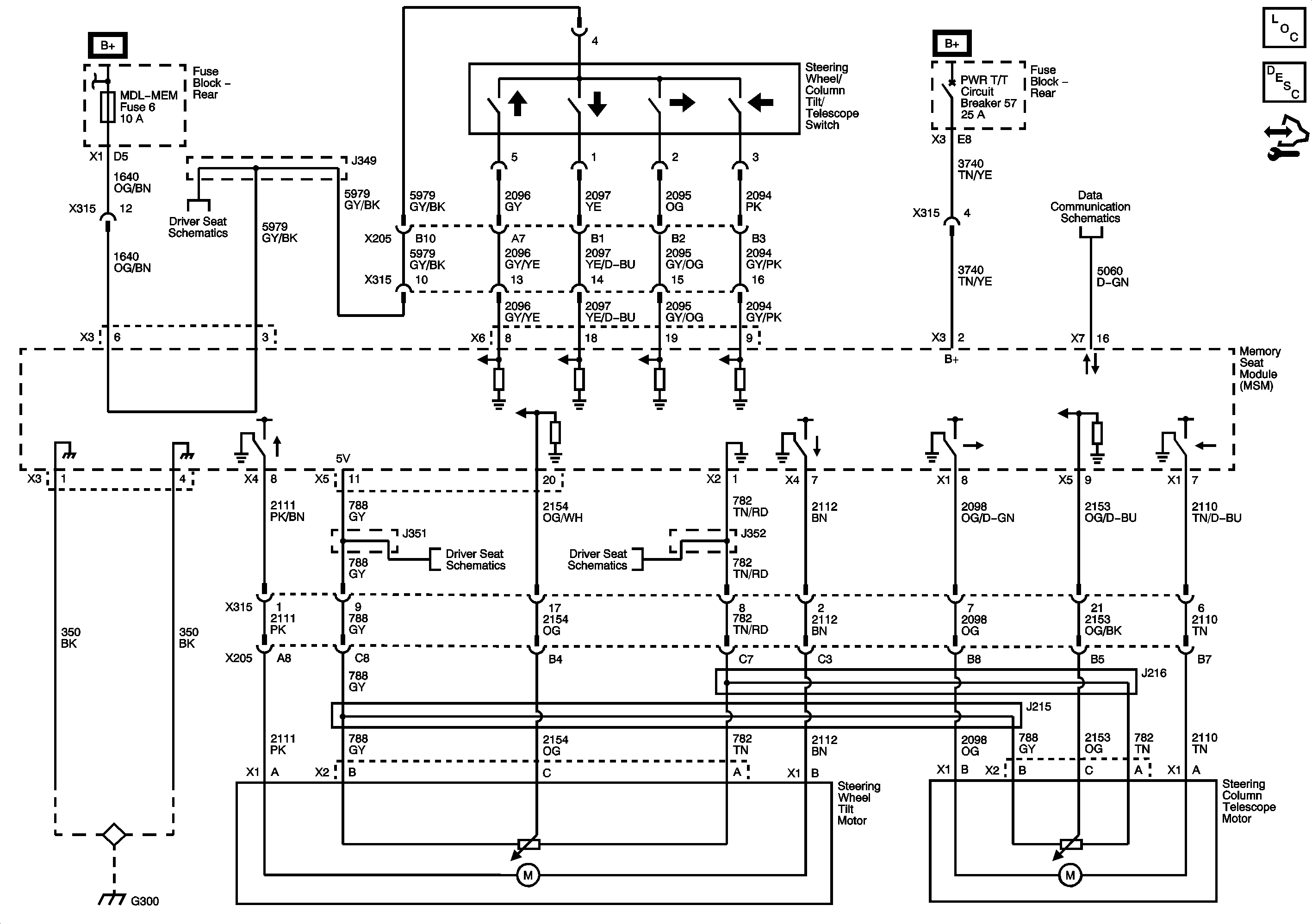
🢒 Tilt/Telescoping Steering Column Schematics
Tilt/Telescoping - N38
Master Electrical Component List
Steering Wheel and Column Description and Operation
Control Module References