GM Service Manual Online
For 1990-2009 cars only
Makes
🢒
Buick
🢒
2008
🢒
Lucerne
🢒
Diagnostic Navigation
🢒
Vehicle Diagnostic Information
🢒 Antilock Brake System Schematics
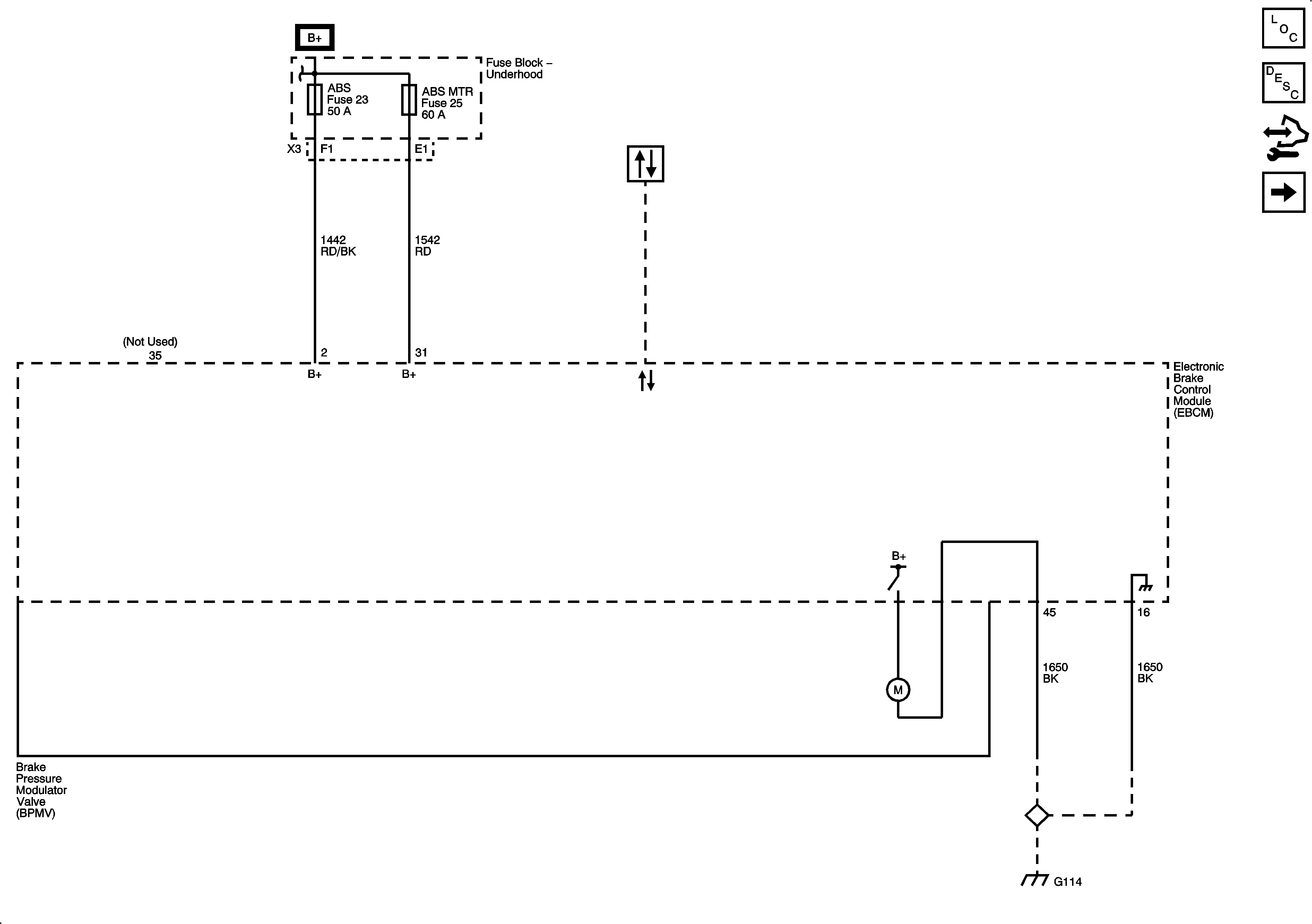
Figure
1:
ABS Power and Ground
Master Electrical Component List
ABS Description and Operation
Control Module References
Wheel Speed Sensors
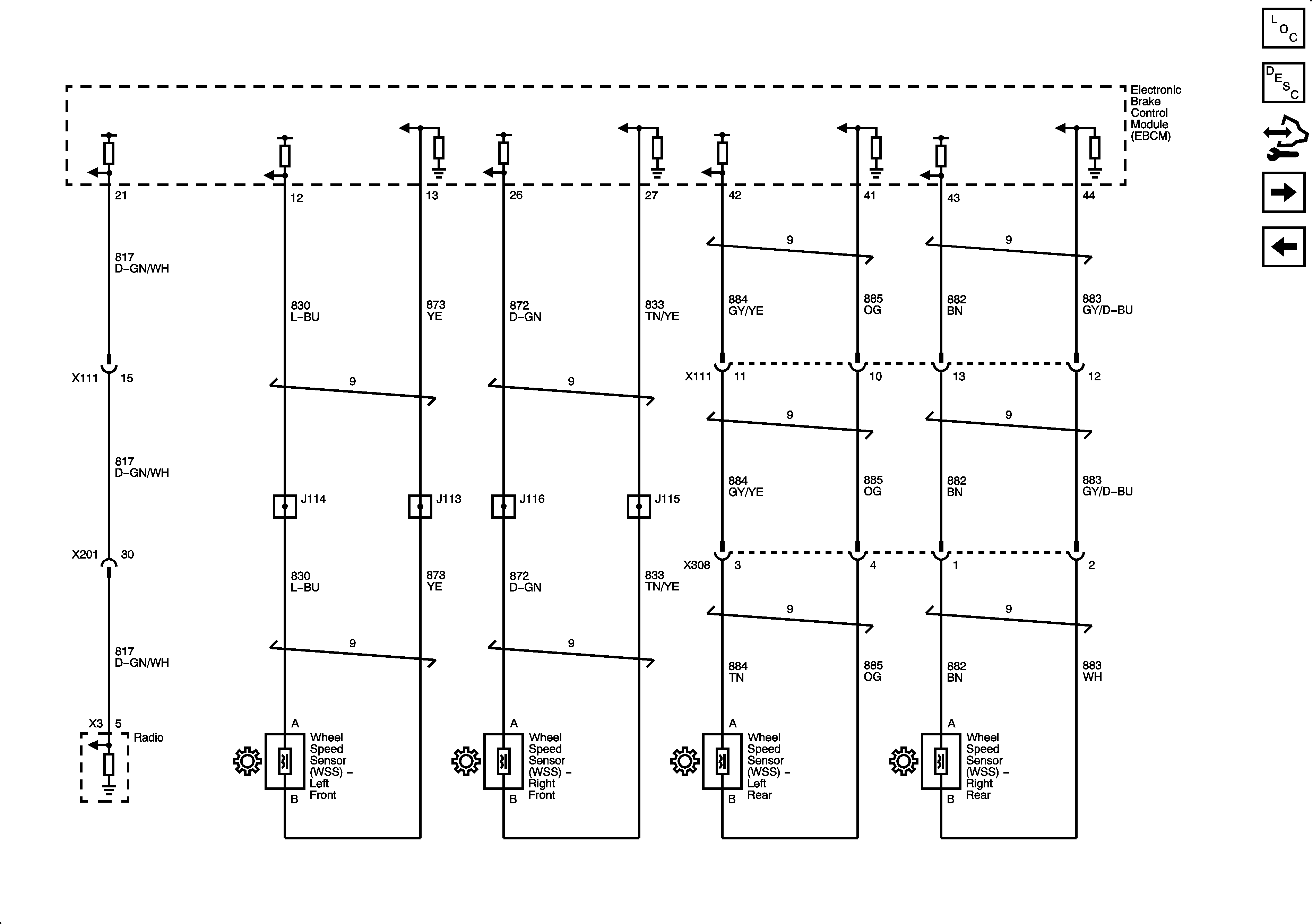
Figure
2:
Wheel Speed Sensors
Master Electrical Component List
ABS Description and Operation
Control Module References
ABS Power and Ground
Yaw and Lateral Acceleration, Steering Angle Sensor
Figure
3:
Yaw and Lateral Acceleration, Steering Angle Sensor
Master Electrical Component List
ABS Description and Operation
Control Module References
Wheel Speed Sensors
Brake Pedal Position, Traction Control Switch, Data Link Communication