GM Service Manual Online
For 1990-2009 cars only

Object Number: 1672397  Size: SF

Callout

Component Name

Notice: Refer to Fastener Notice in the Preface section.

Fastener Tightening Specifications: Refer to Fastener Tightening Specifications .

Preliminary Procedure

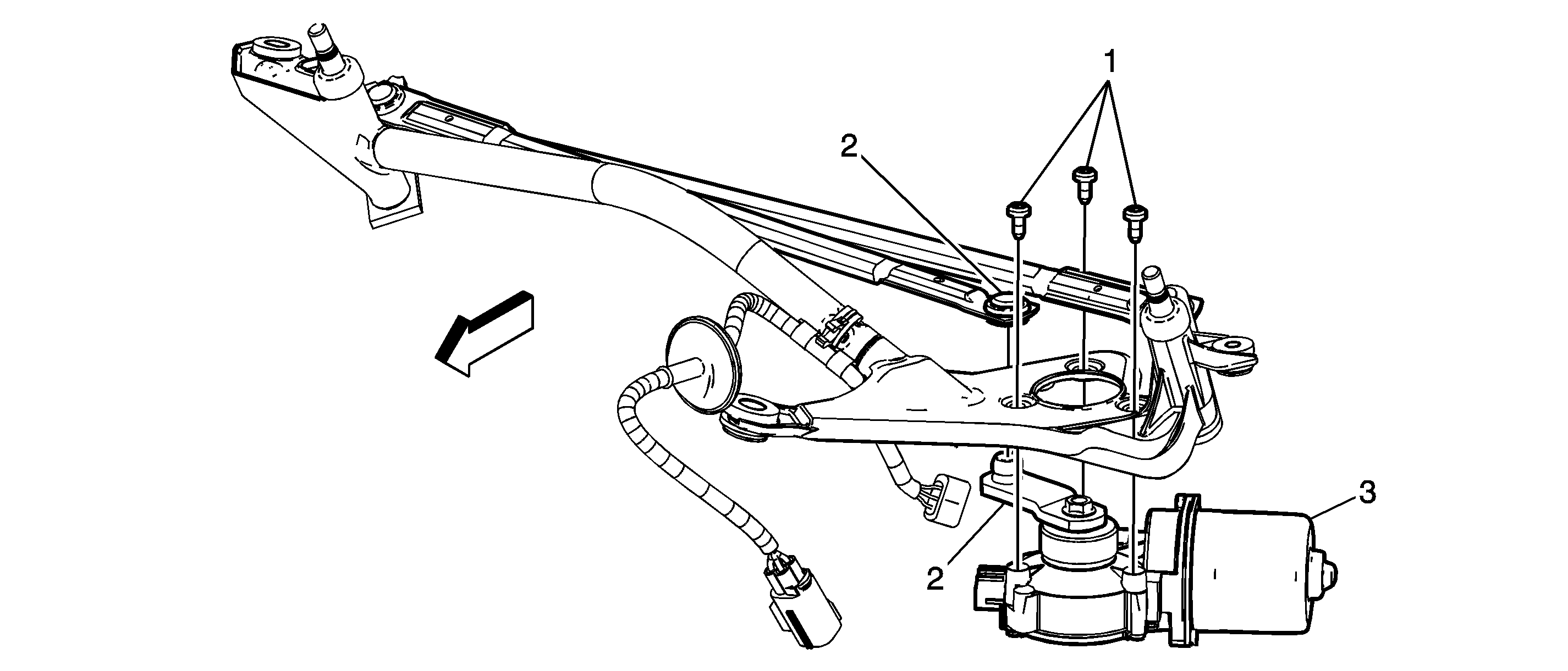
  1. Remove the windshield wiper transmission. Refer to Windshield Wiper Transmission Replacement
  2. Disconnect the electrical connector at the wiper motor.

1

Wiper Motor Screws (Qty: 3)

Tighten
10 N·m (89 lb in)

2

Wiper Motor Crank Arm Ball Socket

Tip
Using the J 39232 separate the crank arm from the wiper transmission arm. Use the to J 39529 secure the crank arm to the transmission link.

3

Windshield Wiper Motor

Tip
The wiper motor is set at the park position from the factory.