GM Service Manual Online
For 1990-2009 cars only
Makes
🢒
Buick
🢒
2008
🢒
Lucerne
🢒
Body Systems
🢒
Wipers and Washers
🢒 Wiper/Washer Schematics
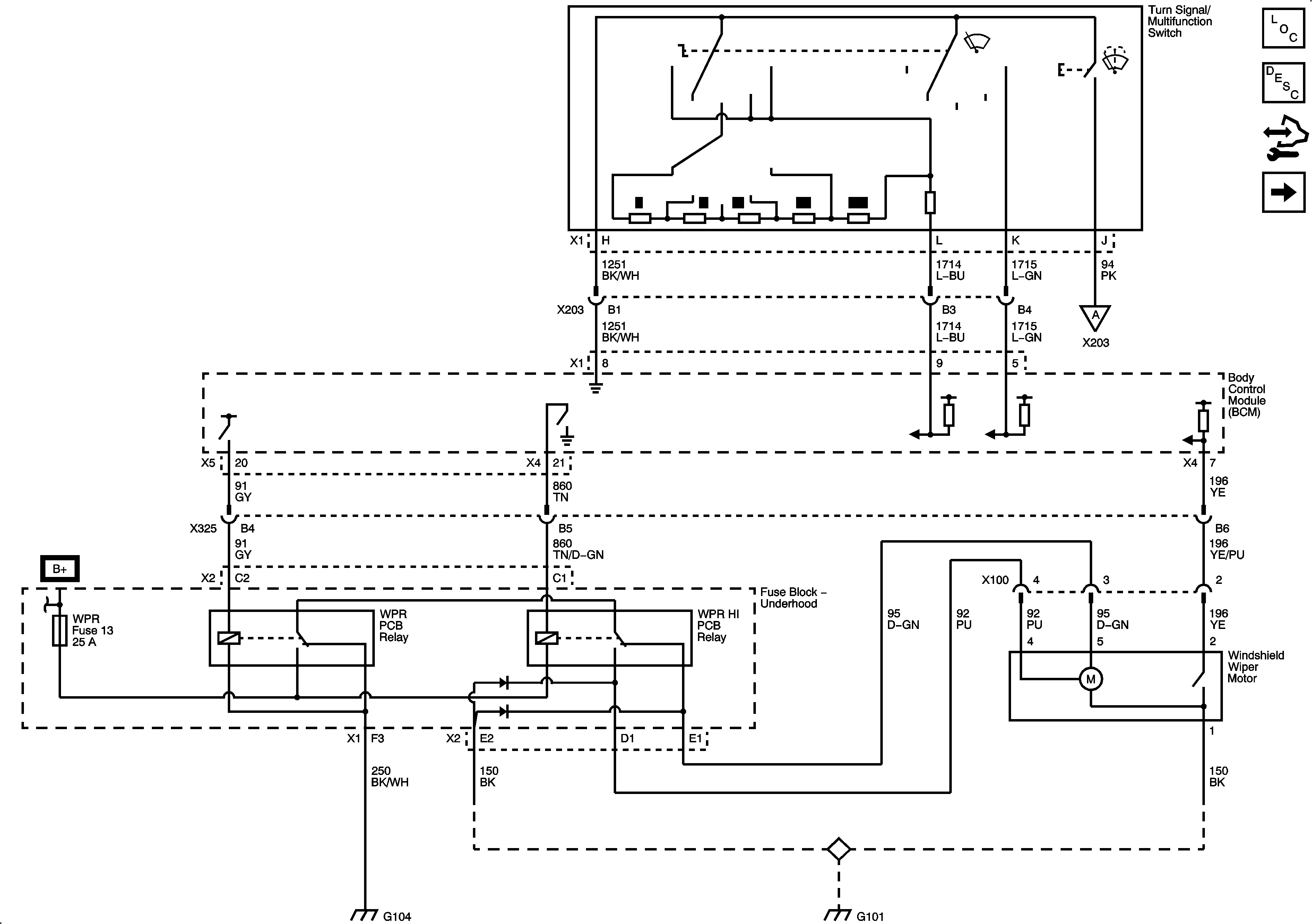
Figure
1:
Wiper Motor Power and Ground
Master Electrical Component List
Wiper/Washer System Description and Operation (Wiper and Washers)
Control Module References
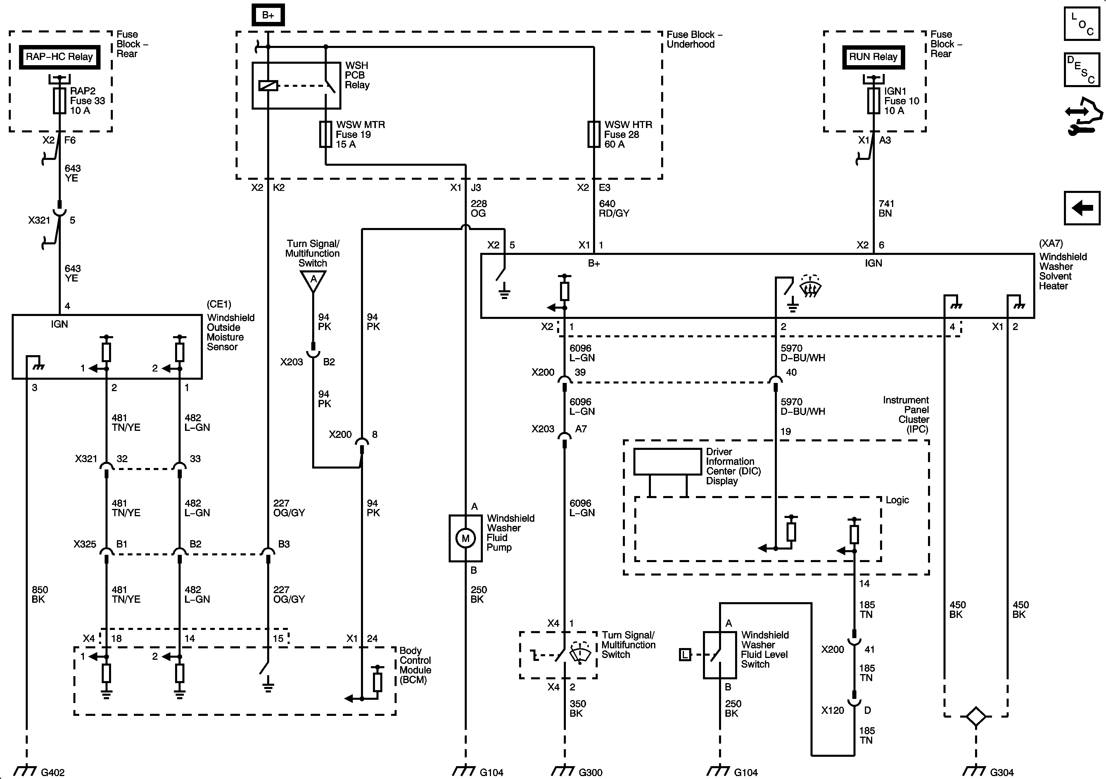
Outside Moisture Sensor and Windshield Washer Solvent Heater
Figure
2:
Outside Moisture Sensor and Windshield Washer Solvent Heater
Master Electrical Component List
Wiper/Washer System Description and Operation (Heated Washer System)
Control Module References
Wiper Motor Power and Ground