GM Service Manual Online
For 1990-2009 cars only
Makes
🢒
Buick
🢒
2008
🢒
Lucerne
🢒
Driver Information and Entertainment
🢒
Cellular, Entertainment, and Navigation
🢒 Radio/Navigation System Schematics
Figure
1:
Radio Power and Ground
Master Electrical Component List
Radio/Audio System Description and Operation
Control Module References
Amplifier (UQA)
Figure
2:
Amplifier (UQA)
Master Electrical Component List
Radio/Audio System Description and Operation
Control Module References
Radio Power and Ground
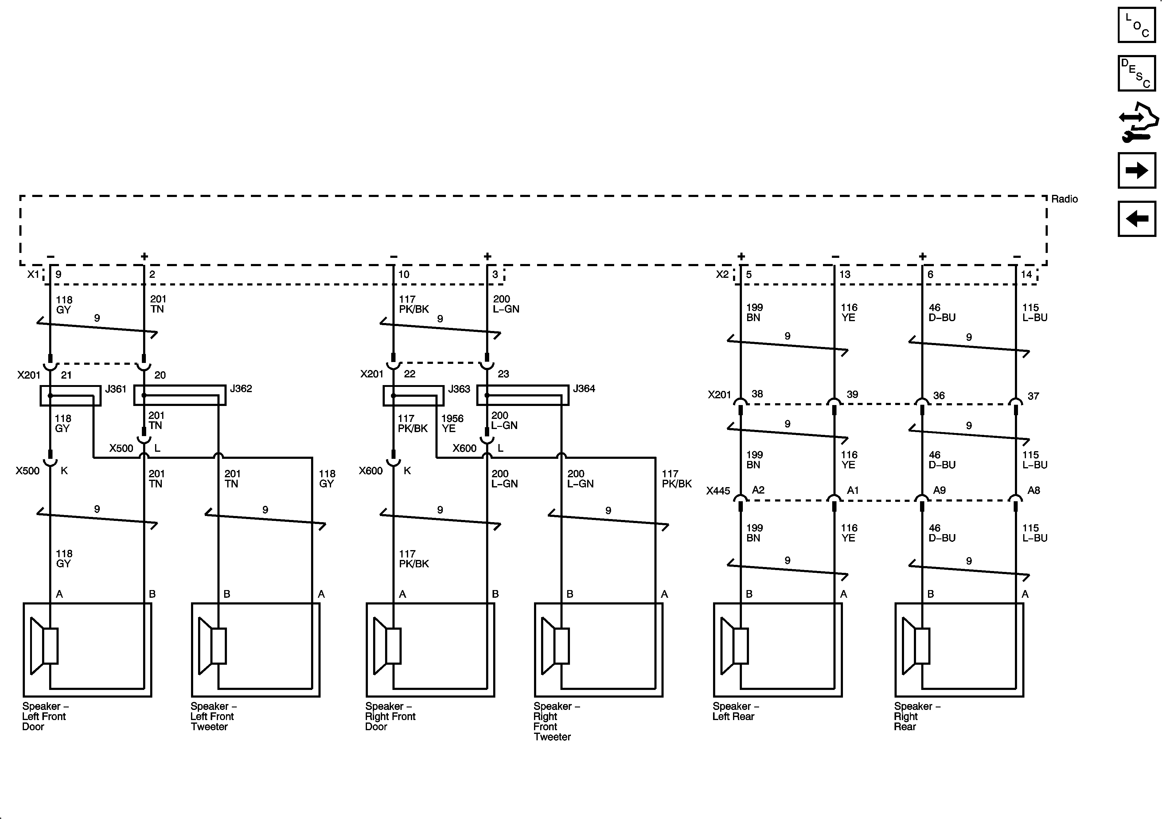
Speakers (UQA)
Figure
3:
Speakers (UQA)
Master Electrical Component List
Radio/Audio System Description and Operation
Control Module References
Amplifier (UQA)
Speakers (UQ3)
Figure
4:
Speakers (UQ3)
Master Electrical Component List
Radio/Audio System Description and Operation
Control Module References
Speakers (UQA)
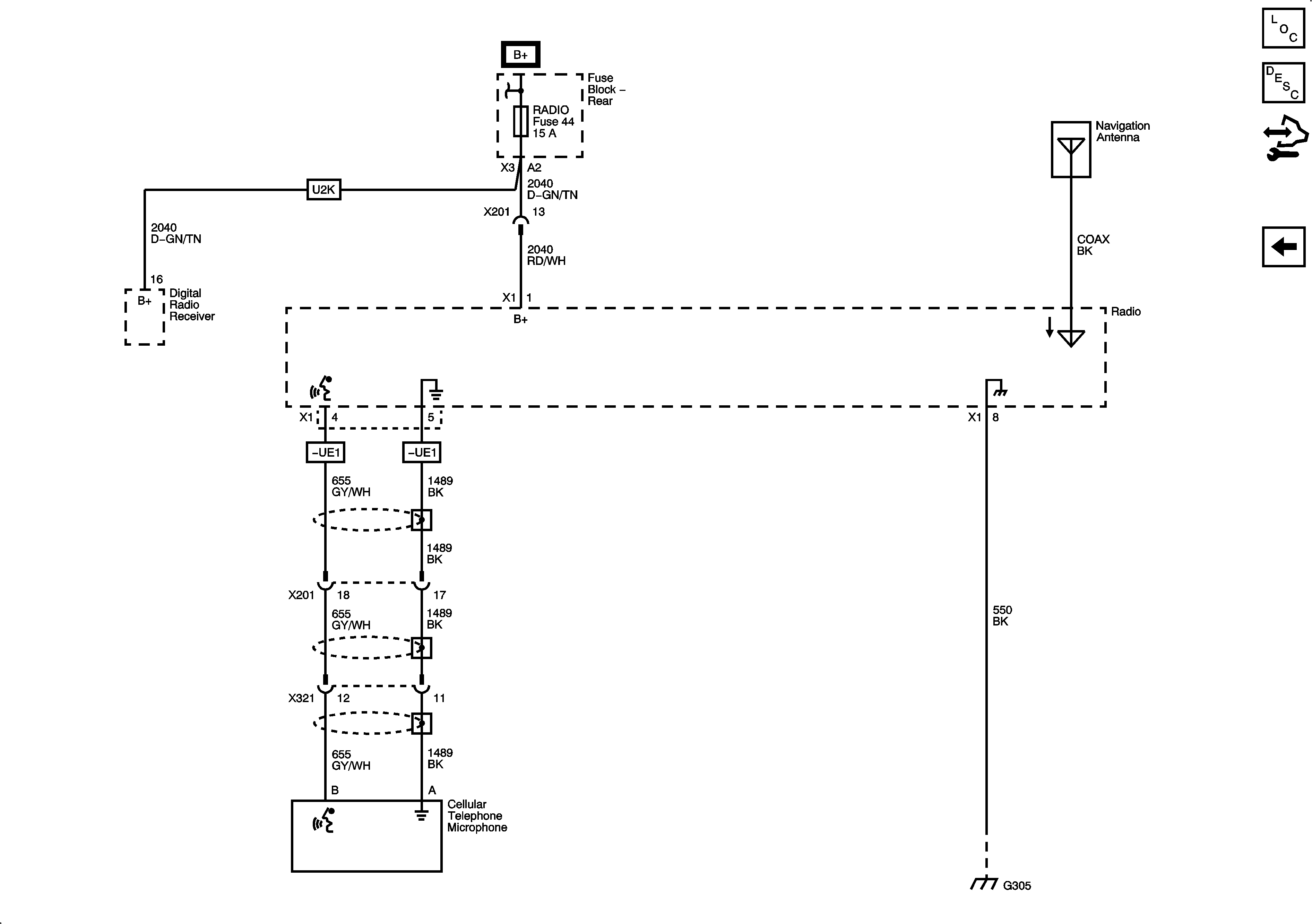
Radio w/o UE1
Figure
5:
Radio w/o UE1
Master Electrical Component List
Radio/Audio System Description and Operation
Control Module References
Speakers (UQ3)