GM Service Manual Online
For 1990-2009 cars only
Makes
🢒
Buick
🢒
2008
🢒
Lucerne
🢒
Power and Signal Distribution
🢒
Data Communications
🢒 Body Control System Schematics
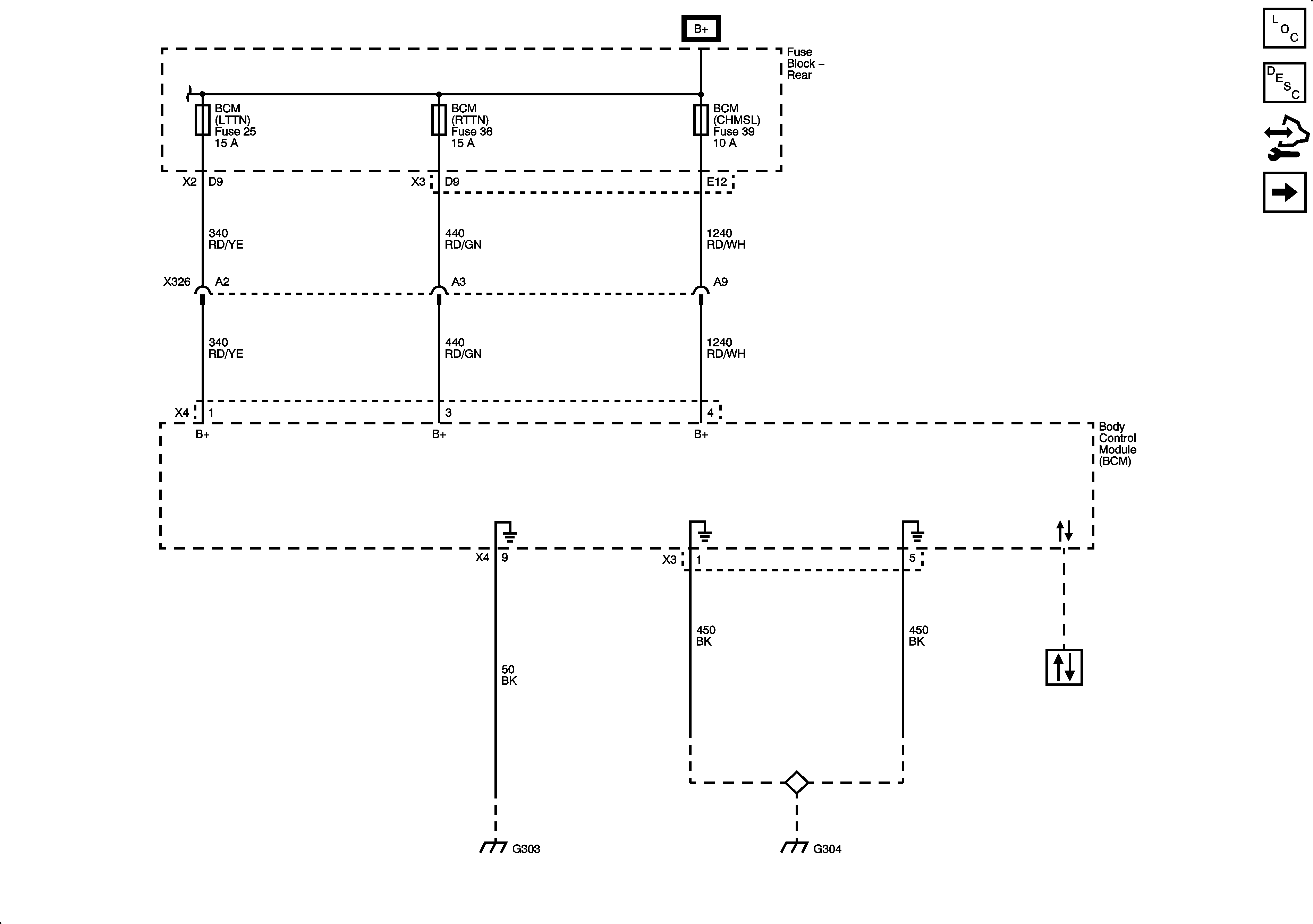
Figure
1:
BCM Power, Ground and DLC
Master Electrical Component List
Body Control System Description and Operation
Control Module References
BCM Inputs and Outputs 1 of 4
Figure
2:
BCM Inputs and Outputs 1 of 4
Master Electrical Component List
Body Control System Description and Operation
Control Module References
BCM Power, Ground and DLC
BCM Inputs and Outputs 2 of 4
Figure
3:
BCM Inputs and Outputs 2 of 4
Master Electrical Component List
Body Control System Description and Operation
Control Module References
BCM Inputs and Outputs 1 of 4
BCM Inputs and Outputs 3 of 4
Figure
4:
BCM Inputs and Outputs 3 of 4
Master Electrical Component List
Body Control System Description and Operation
Control Module References
BCM Inputs and Outputs 2 of 4
BCM Inputs and Outputs 4 of 4
Figure
5:
BCM Inputs and Outputs 4 of 4
Master Electrical Component List
Body Control System Description and Operation
Control Module References
BCM Inputs and Outputs 3 of 4