GM Service Manual Online
For 1990-2009 cars only
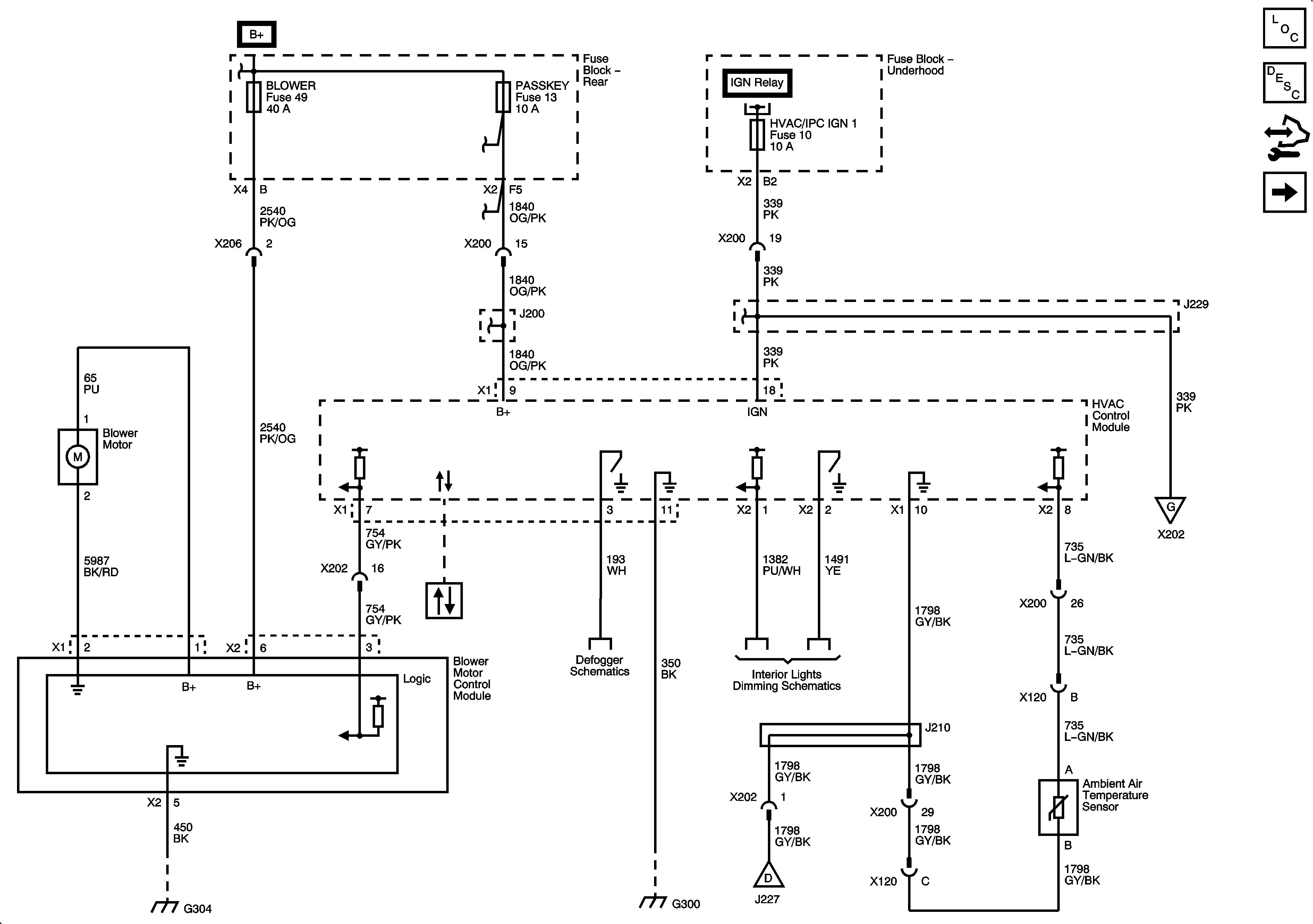
Figure 1:

Power, Ground, Blower Motor Controls


Object Number: 1886304  Size: FS
Master Electrical Component List
Air Delivery Description and Operation
Control Module References
Mode and Air Temperature Controls
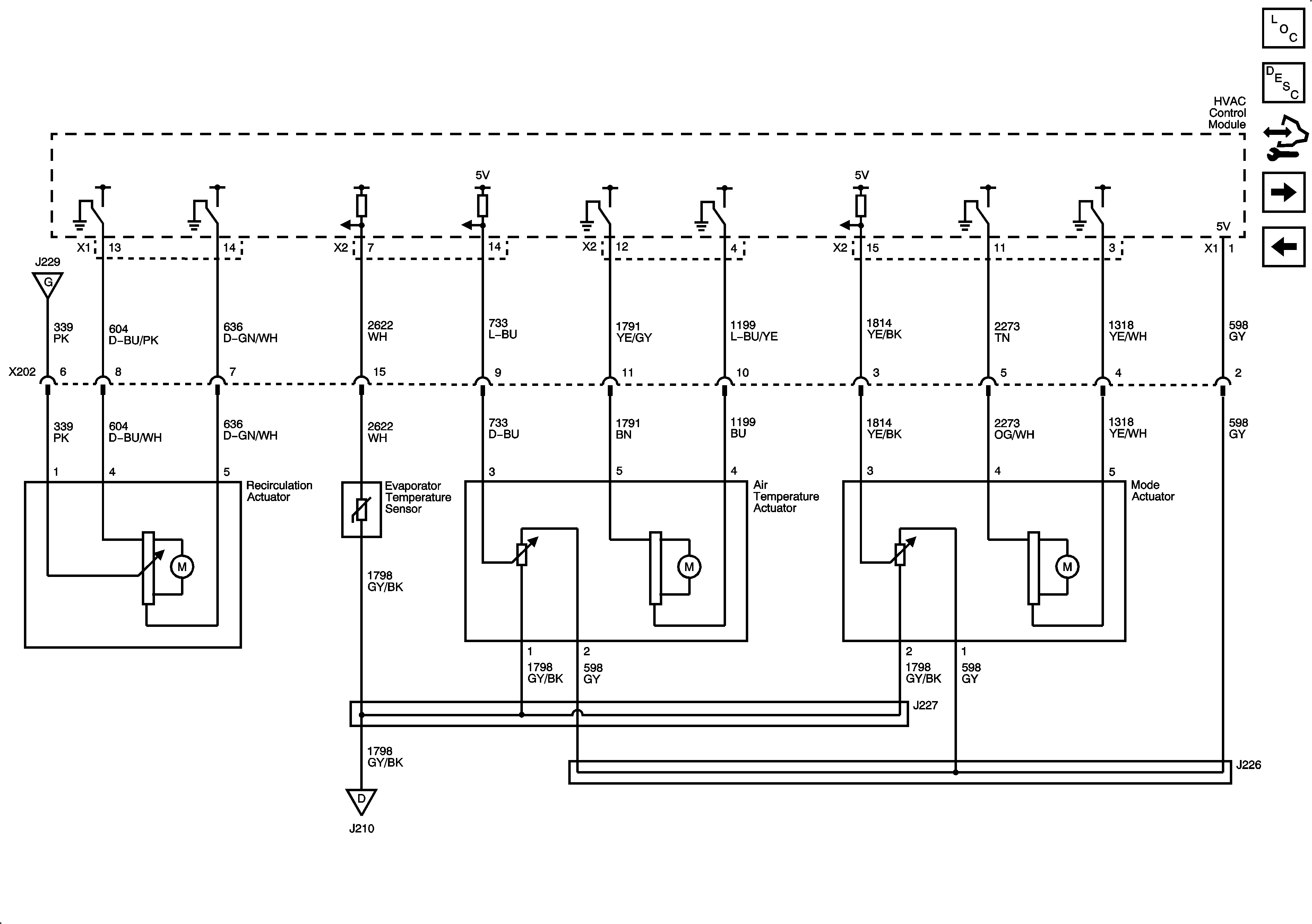
Figure 2:

Mode and Air Temperature Controls


Object Number: 1886308  Size: FS
Master Electrical Component List
Air Delivery Description and Operation
Control Module References
Power, Ground, Blower Motor Controls
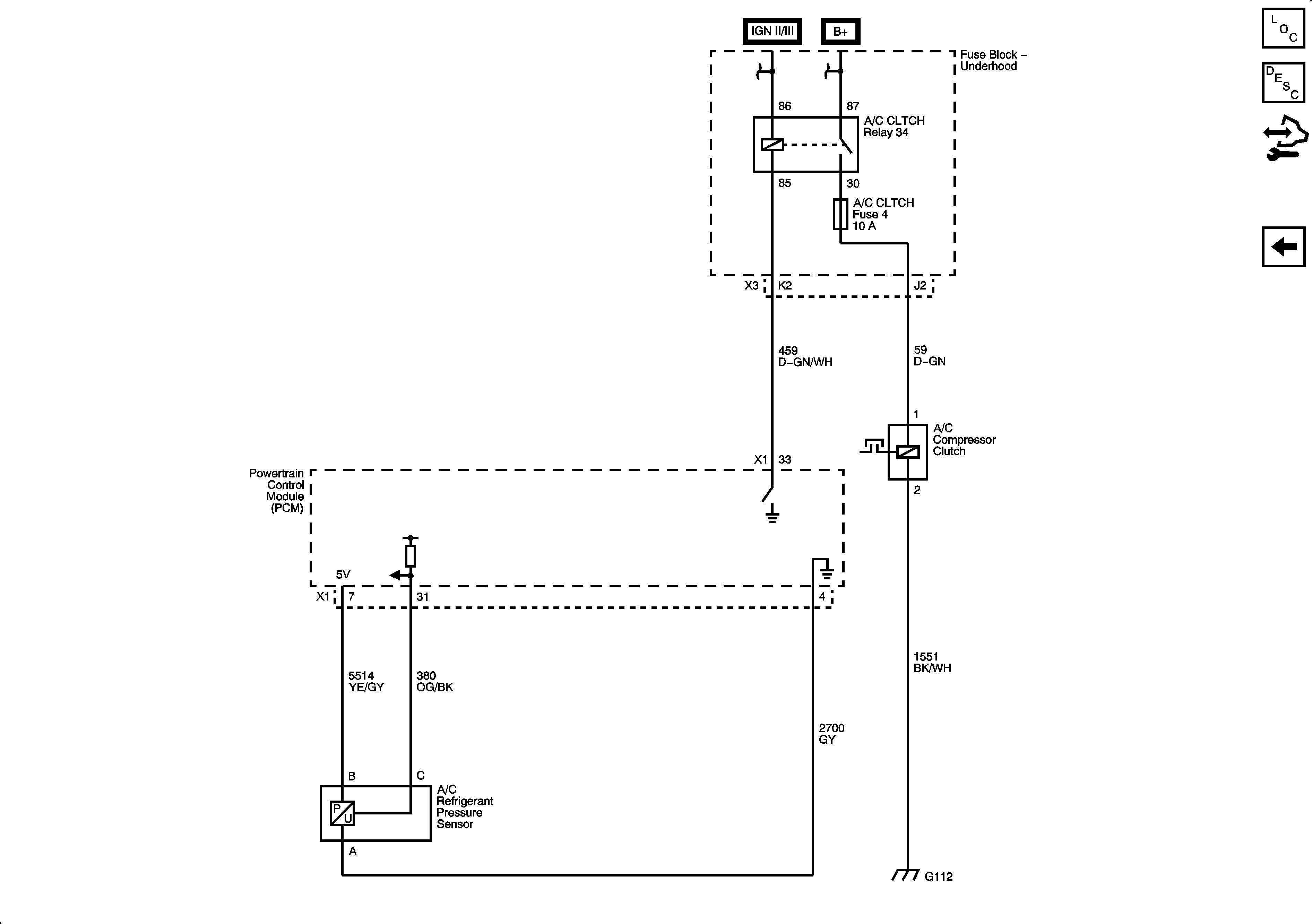
Compressor Controls
Figure 3:

Compressor Controls


Object Number: 1886312  Size: FS
Master Electrical Component List
Air Delivery Description and Operation
Control Module References
Mode and Air Temperature Controls