GM Service Manual Online
For 1990-2009 cars only
Figure 1:

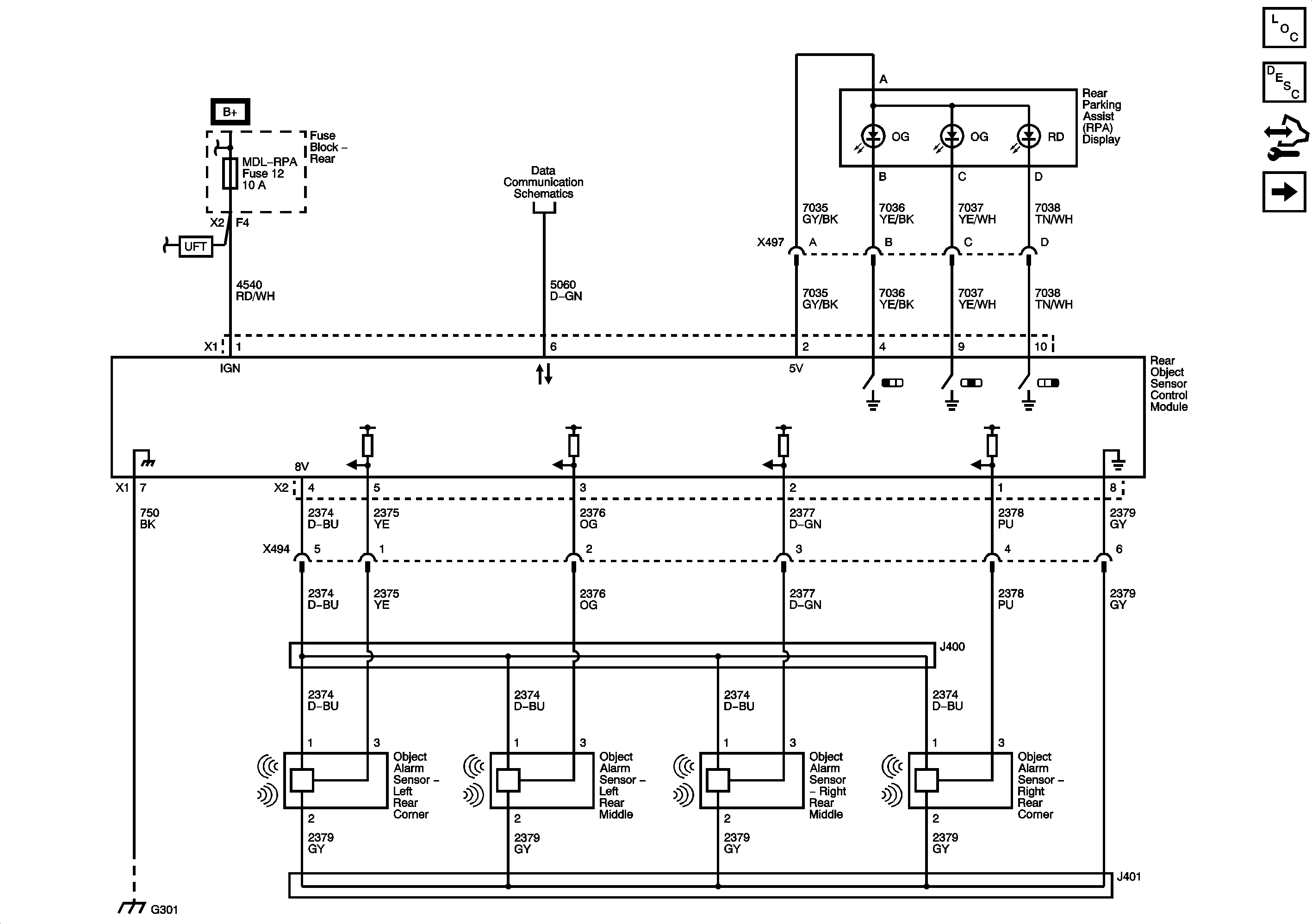
Rear Park Assist - UD7


Object Number: 1886652  Size: FS
Master Electrical Component List
Object Detection Description and Operation (Rear Park Assist)
Control Module References
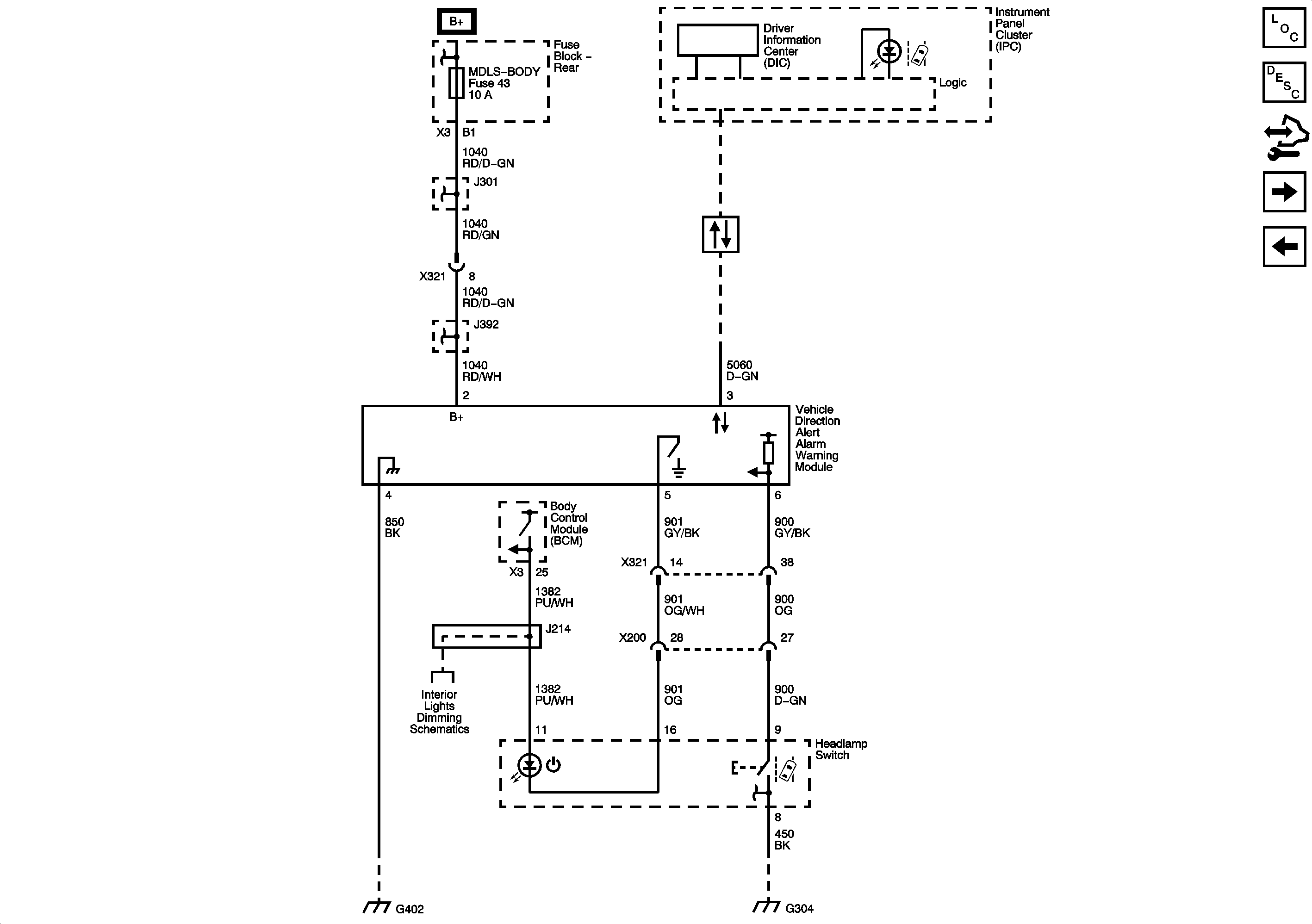
Lane Departure Warning - UFL
Figure 2:

Lane Departure Warning System


Object Number: 1902718  Size: FS
Master Electrical Component List
Object Detection Description and Operation (VDAAW)
Control Module References
Rear Park Assist UD7
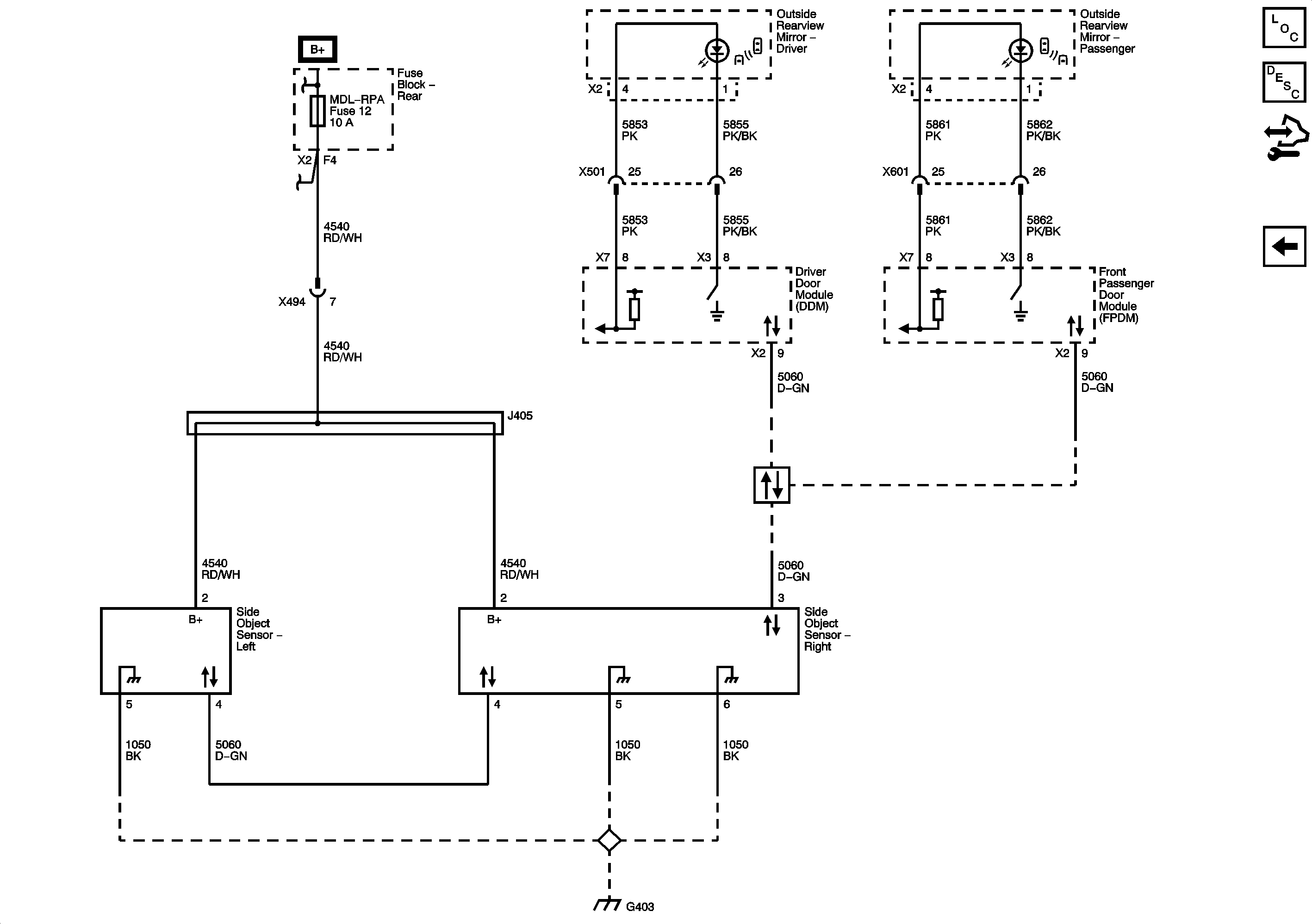
Side Object Detection - UFT
Figure 3:

Side Object Detection


Object Number: 1902810  Size: FS
Master Electrical Component List
Object Detection Description and Operation (SOD)
Control Module References
Lane Departure Warning - UFL