GM Service Manual Online
For 1990-2009 cars only
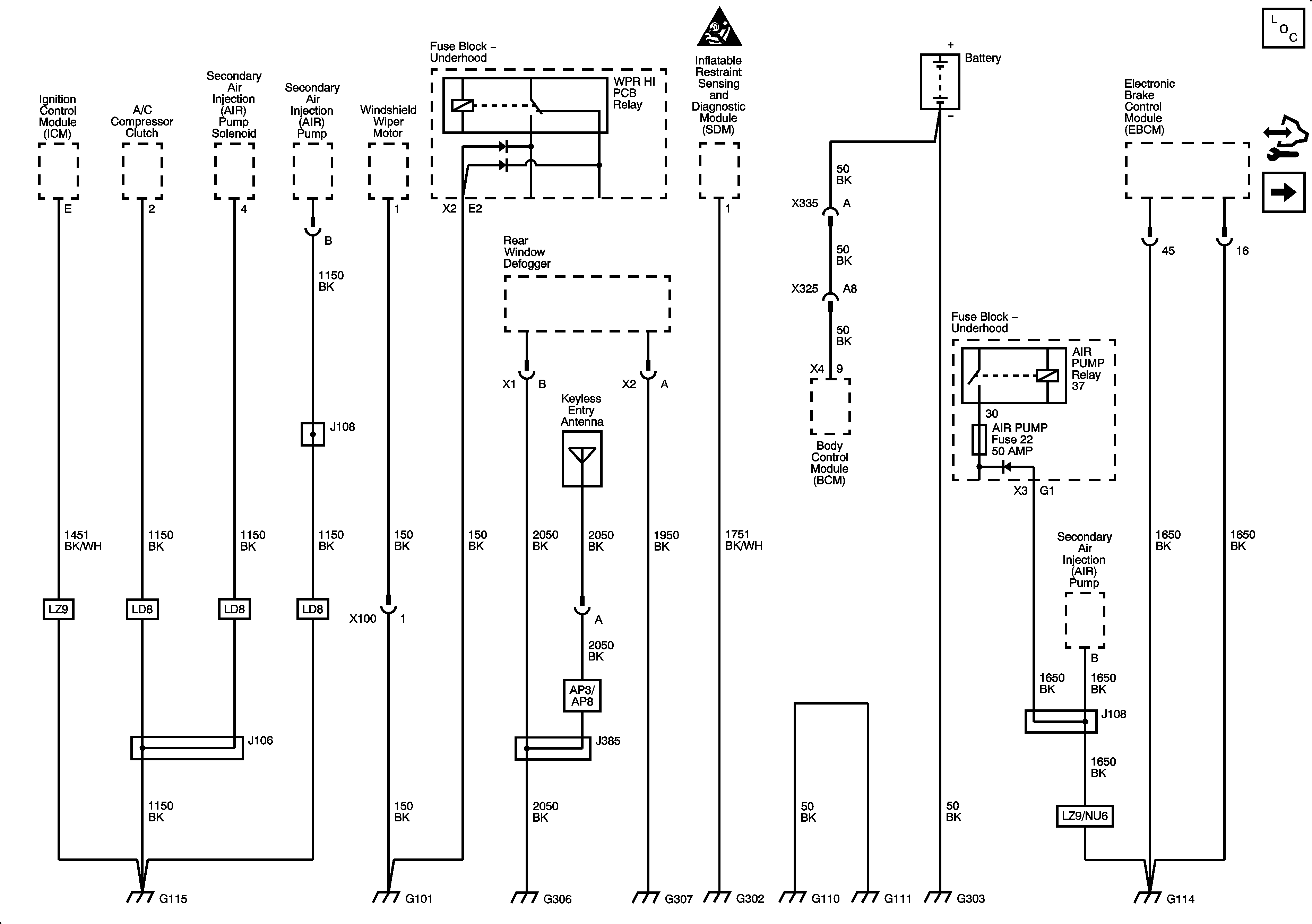
Figure 1:

G101, G110, G111, G114, G115, G302, G303, G306, G307


Object Number: 2081926  Size: FS
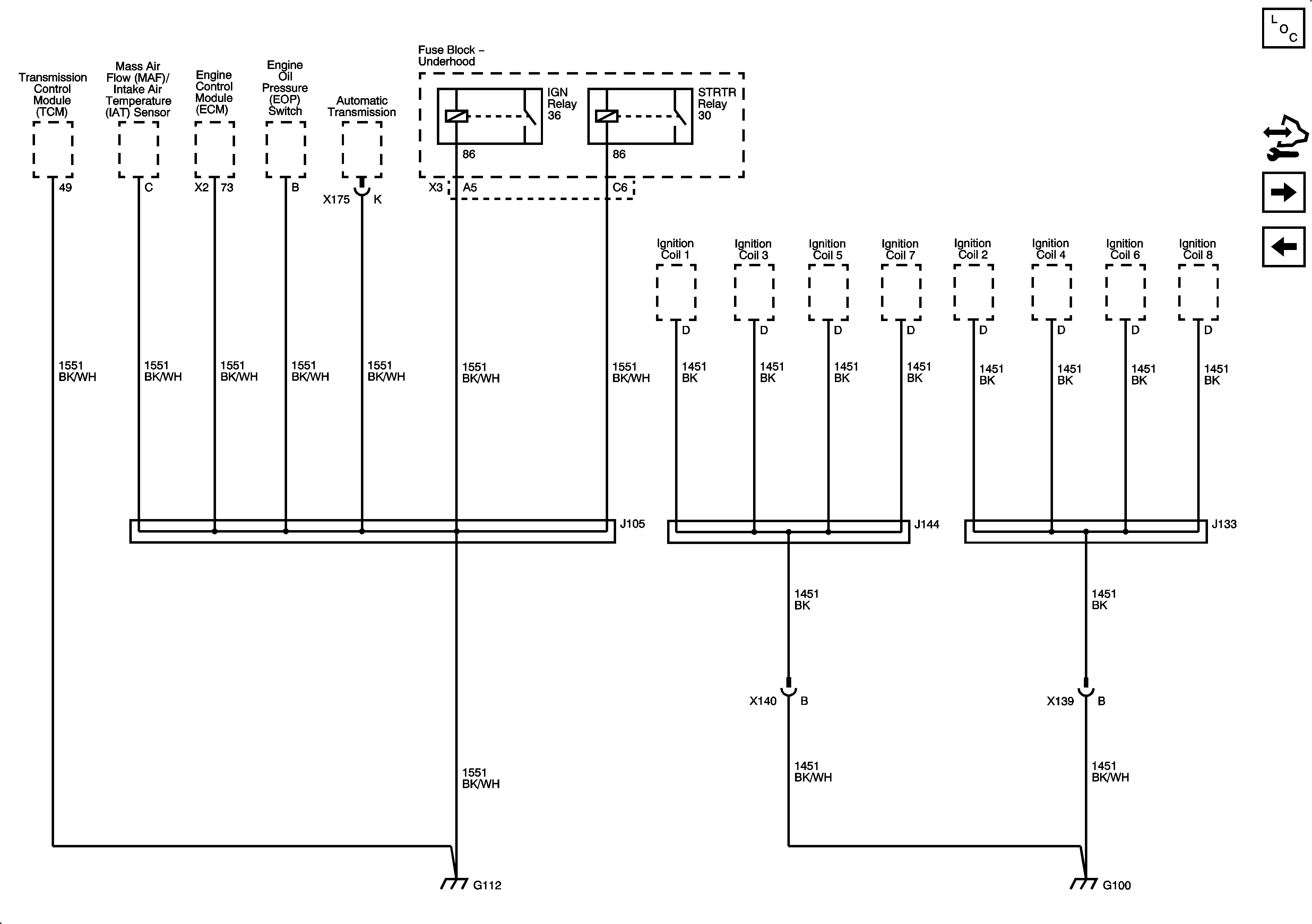
Figure 2:

G100, G112 (LD8)


Object Number: 2081929  Size: FS
Figure 3:

G104


Object Number: 2081934  Size: FS
Figure 4:

G300


Object Number: 2081939  Size: FS
Figure 5:

G304


Object Number: 2081943  Size: FS
Figure 6:

G305


Object Number: 2081945  Size: FS
Figure 7:

G402


Object Number: 2081950  Size: FS
Figure 8:

G403


Object Number: 2081954  Size: FS
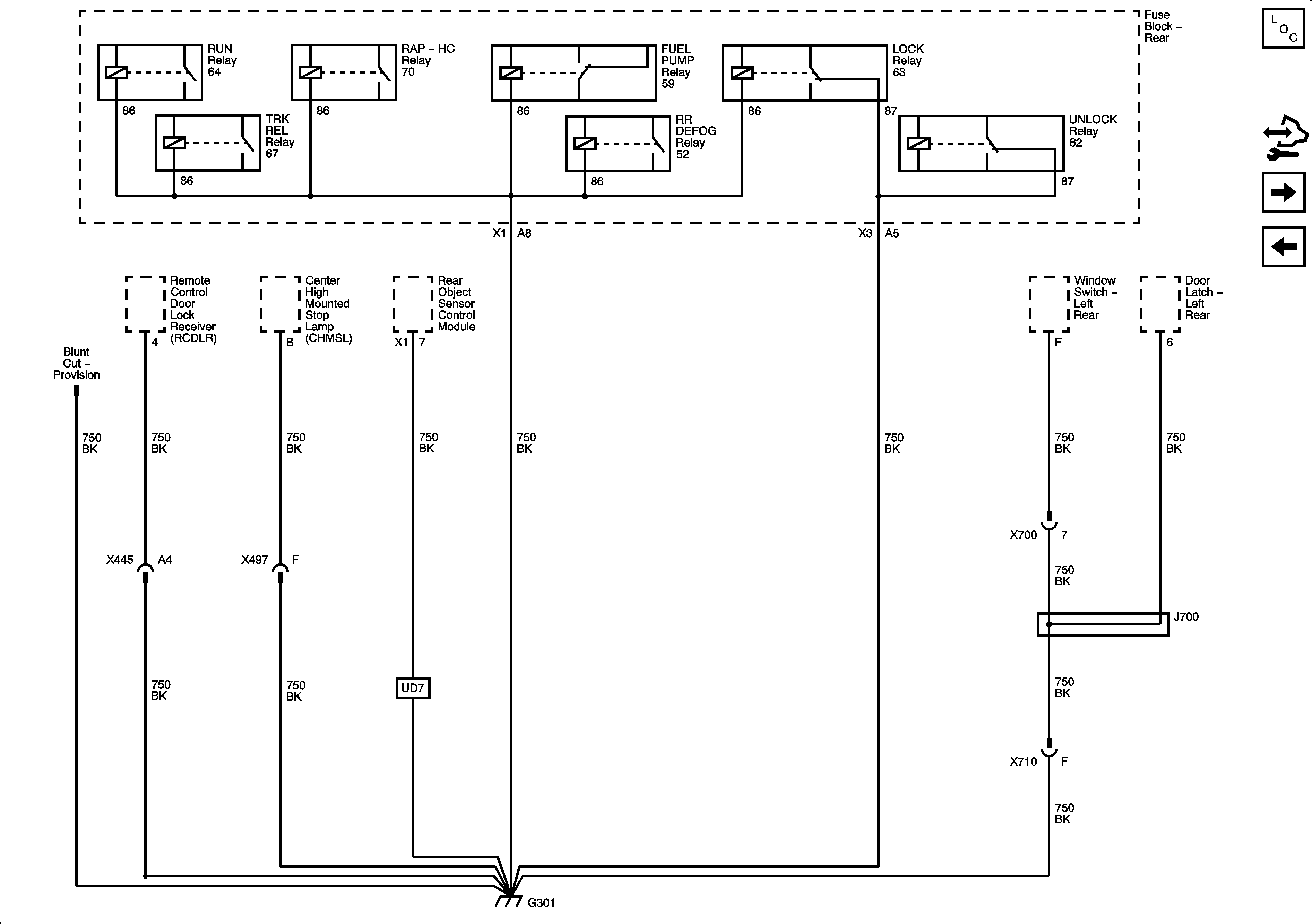
Figure 9:

G301


Object Number: 2081959  Size: FS
Figure 10:

G112 (L26)


Object Number: 2081963  Size: FS