GM Service Manual Online
For 1990-2009 cars only
Makes
🢒
Buick
🢒
2009
🢒
Lucerne
🢒
Diagnostic Navigation
🢒
Vehicle Diagnostic Information
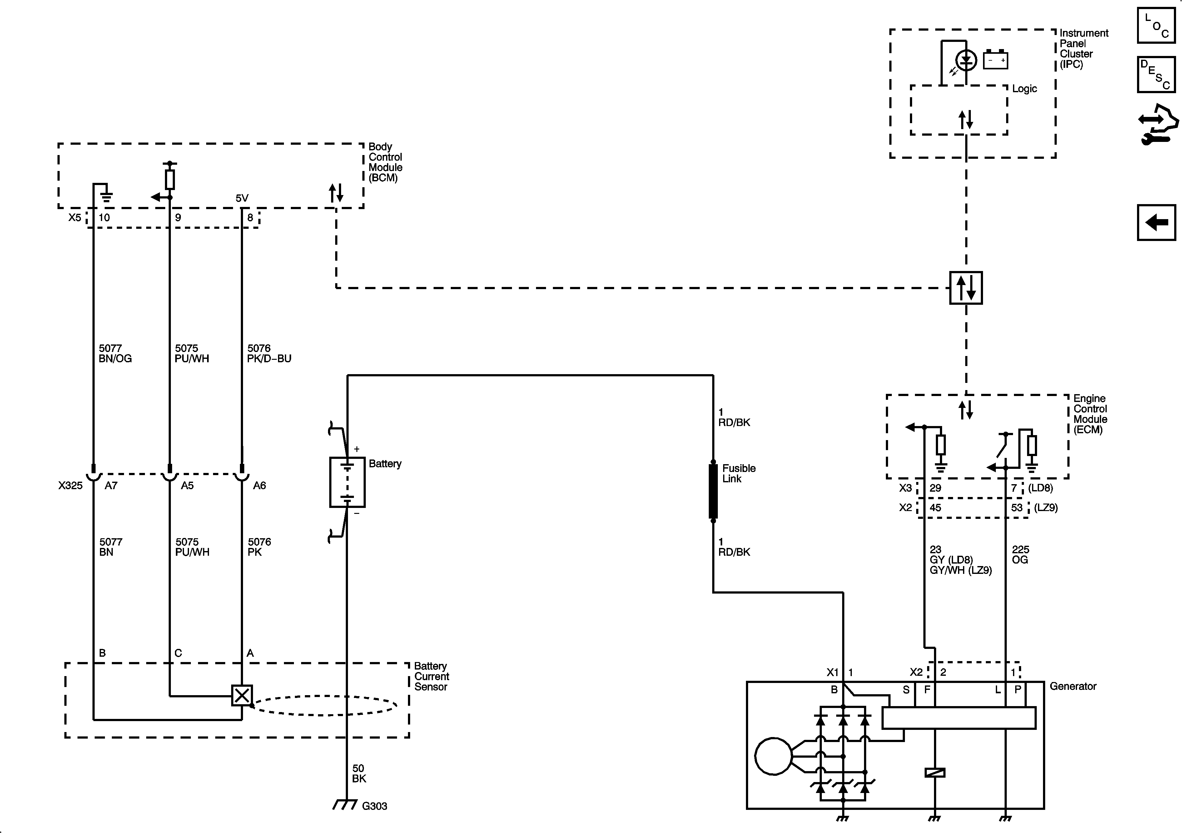
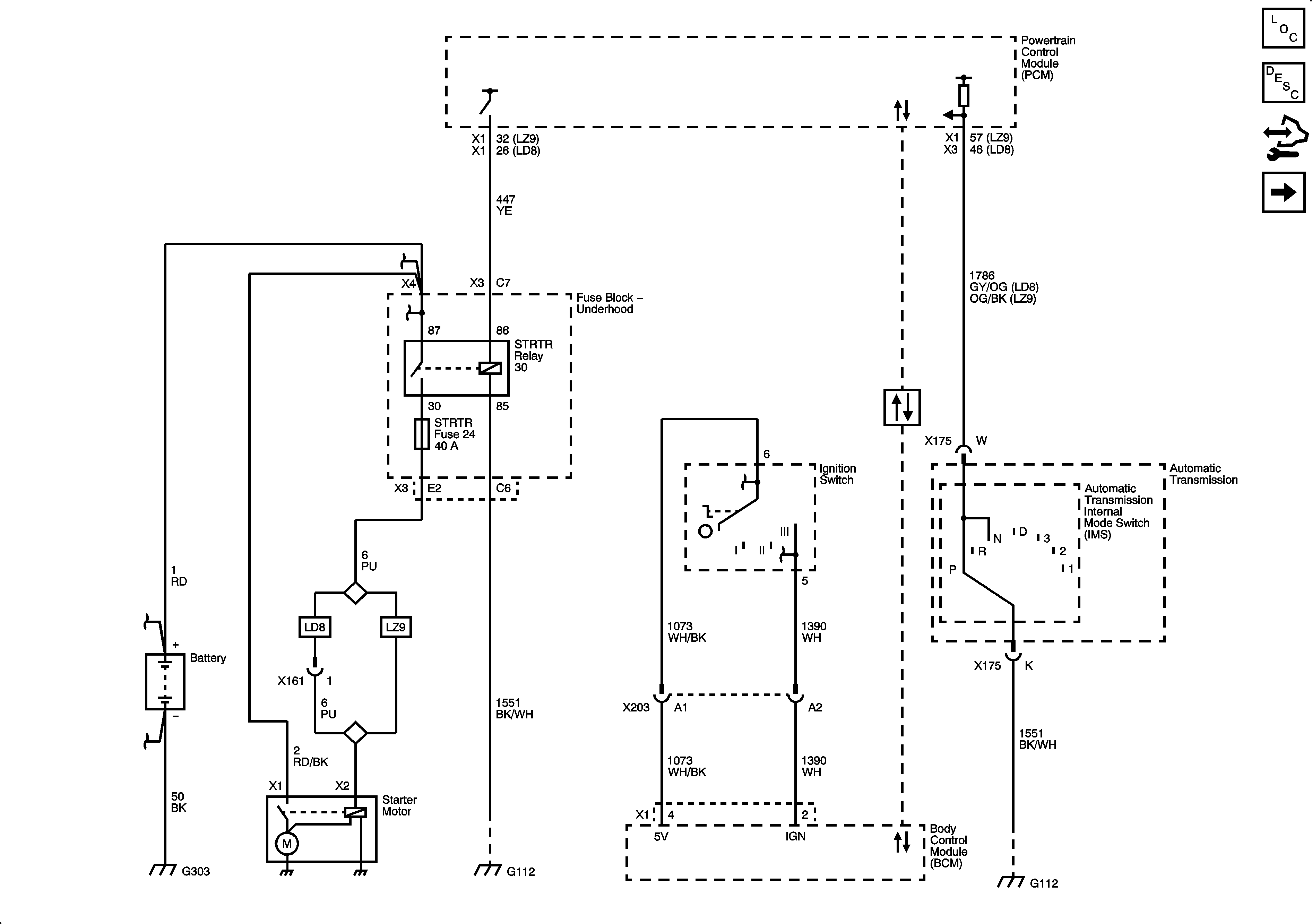
🢒 Starting and Charging Schematics
Figure
1:
Starting
Figure
2:
Charging