GM Service Manual Online
For 1990-2009 cars only

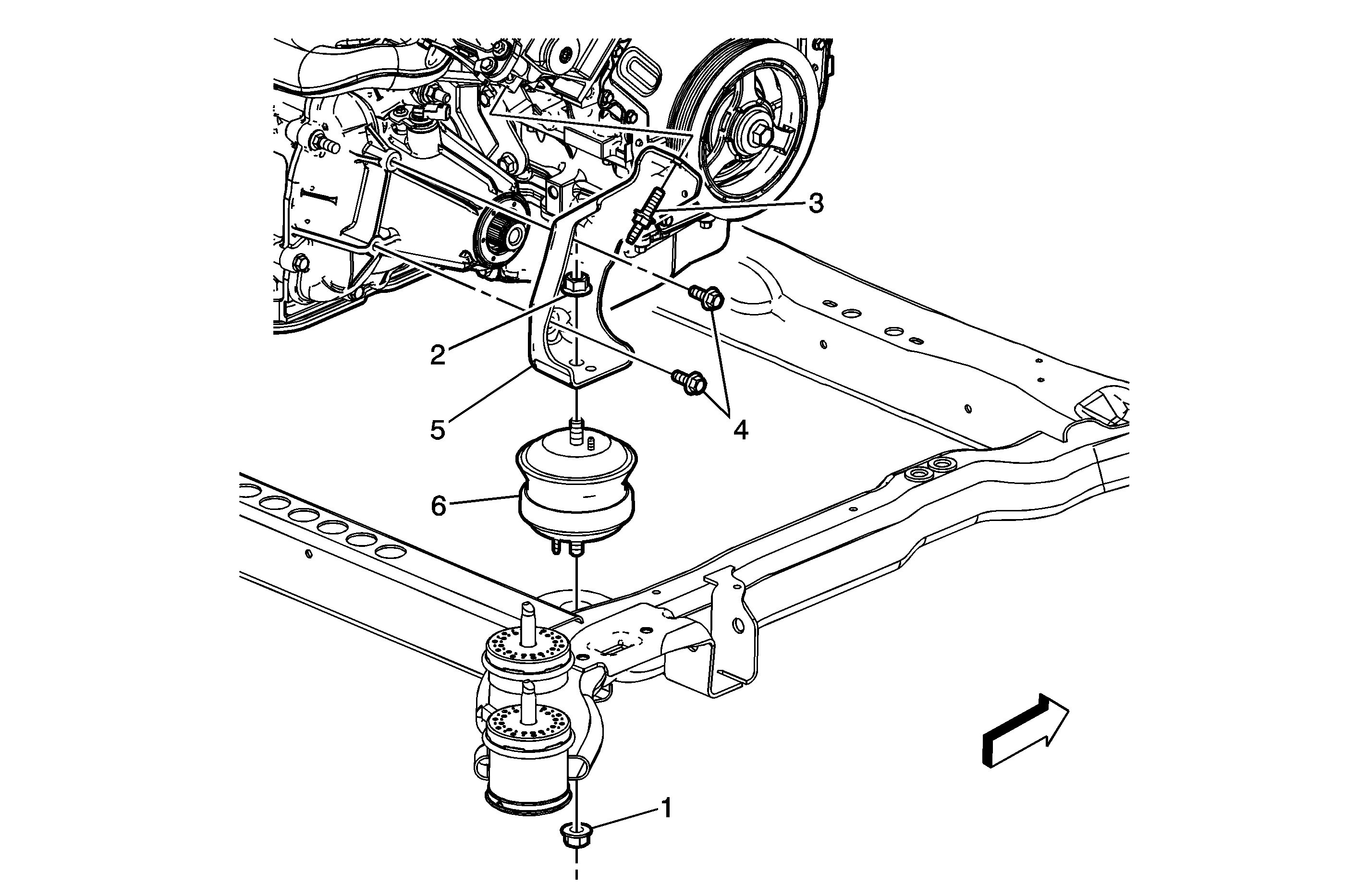
Object Number: 1684590  Size: MF

Callout

Component Name

Preliminary Procedures

  1. Raise the vehicle. Refer to Lifting and Jacking the Vehicle.
  2. Remove the right front tire and wheel. Refer to Tire and Wheel Removal and Installation.
  3. Support the transaxle with a suitable stand.

1

Lower Transaxle Mount Nut

Caution: Refer to Fastener Caution in the Preface section.

Tighten
80 N·m (59 lb ft)

2

Upper Transaxle Mount Nut

Tighten
80 N·m (59 lb ft)

3

Transaxle Mount Bracket to Engine Stud

Tighten
73 N·m (54 lb ft)

4

Transaxle Mount Bracket to Transaxle Bolt (Qty: 2)

Tighten
73 N·m (54 lb ft)

5

Transaxle Mount Bracket

6

Transaxle Mount