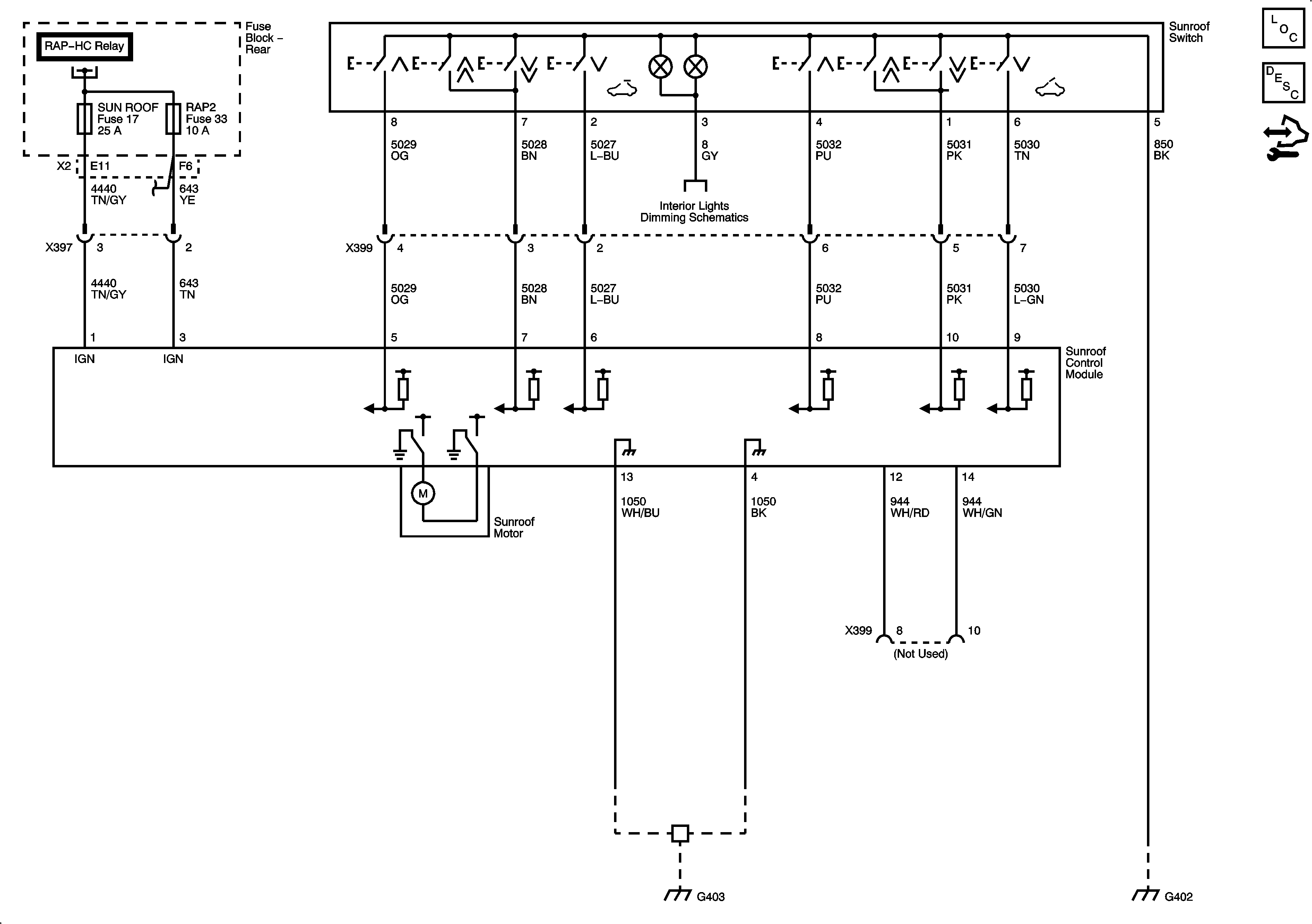
GM Service Manual Online
For 1990-2009 cars only
Makes
🢒
Buick
🢒
2009
🢒
Lucerne
🢒
Roof
🢒
Sunroof
🢒 Sunroof Schematics