GM Service Manual Online
For 1990-2009 cars only
Makes
🢒
Buick
🢒
1998
🢒
Park Avenue
🢒 Cell 153
Cell 153
Cell 153
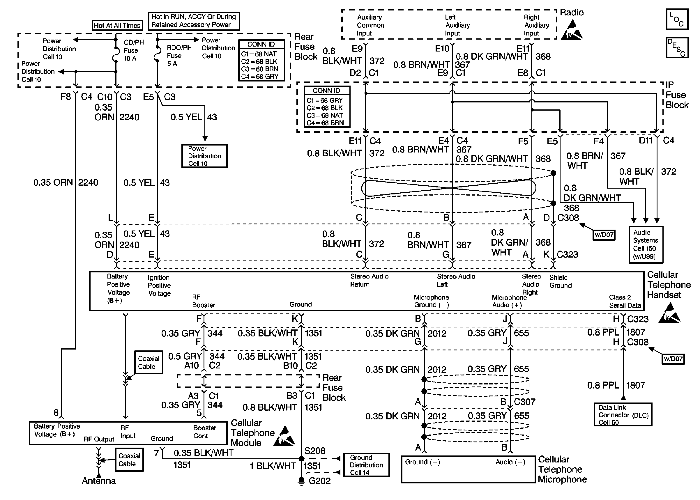
Cellular Communication Components
Cellular Telephone Circuit Description
Handling ESD Sensitive Parts Notice
Handling ESD Sensitive Parts Notice
Handling ESD Sensitive Parts Notice
Data Link Connector Schematics
Ground Distribution Schematics
Power Distribution Schematics
Power Distribution Schematics
Power Distribution Schematics
Radio/Audio System Schematics
Power and Grounding Connector End Views
Power and Grounding Connector End Views