GM Service Manual Online
For 1990-2009 cars only
Makes
🢒
Buick
🢒
1998
🢒
Park Avenue
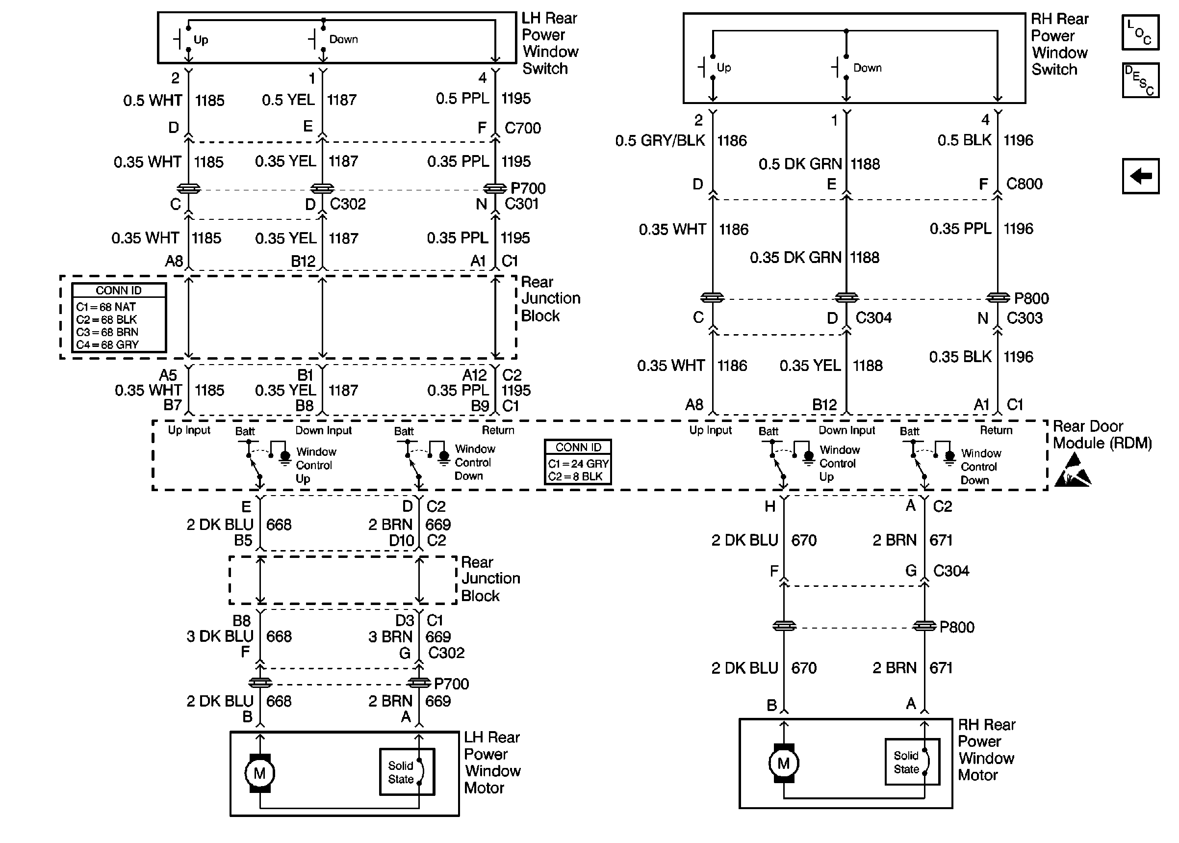
🢒 Cell 120: Rear Power Window Components
Cell 120: Rear Power Window Components
Cell 120: Rear Power Window Components
Power Door Systems Components
Power Windows Circuit Description
Cell 120: Front Power Window Components
Handling ESD Sensitive Parts Notice
Power Door Systems Connector End Views
Power and Grounding Connector End Views