GM Service Manual Online
For 1990-2009 cars only
Makes
🢒
Buick
🢒
1998
🢒
Park Avenue
🢒 Cell 130: Left Front Power Door Components
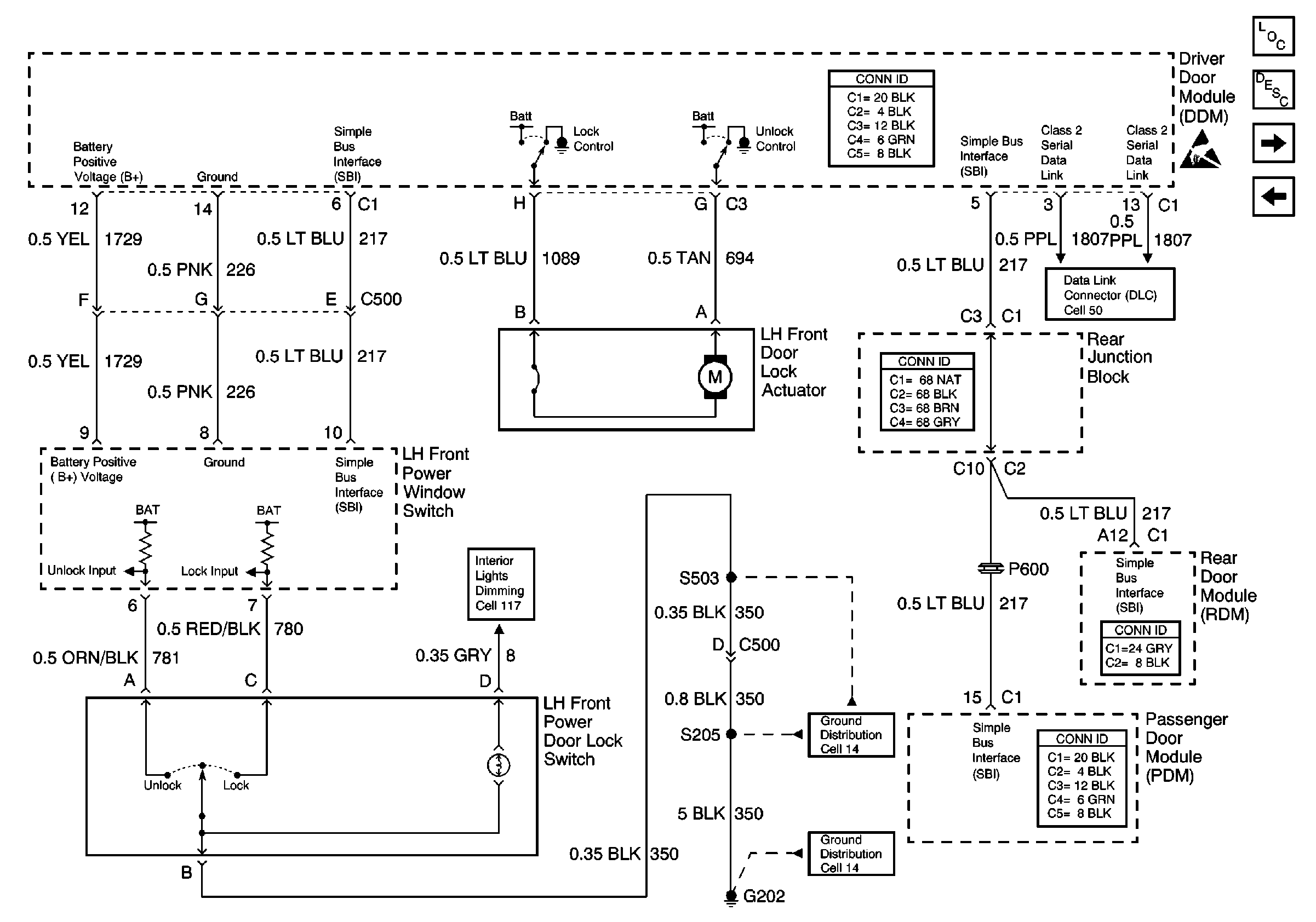
Cell 130: Left Front Power Door Components
Cell 130: Left Front Power Door Components
Power Door Systems Components
Power Door Locks Circuit Description
Cell 130: Rear Power Door Lock Components
Handling ESD Sensitive Parts Notice
Power Door Systems Connector End Views
Power and Grounding Connector End Views
Power Door Systems Connector End Views
Power Door Systems Connector End Views
Cell 14: G202 (3 of 4)
Cell 117: Steering Wheel Control Switch, Heater and A/C Control, Driver Information Switch, Front Door Switch Backlighting
Cell 14: G202 (3 of 4)
Cell 50: Class 2 Serial Data Line
Cell 130: DDM, PDM and RDM